电脑桌面
添加小米粒文库到电脑桌面
安装后可以在桌面快捷访问

特种设备现场监督检查内容及记录表格VIP免费

特种设备现场监督检查内容及记录表格_第1页
1/13
特种设备现场监督检查内容及记录表格_第2页
2/13
特种设备现场监督检查内容及记录表格_第3页
3/13
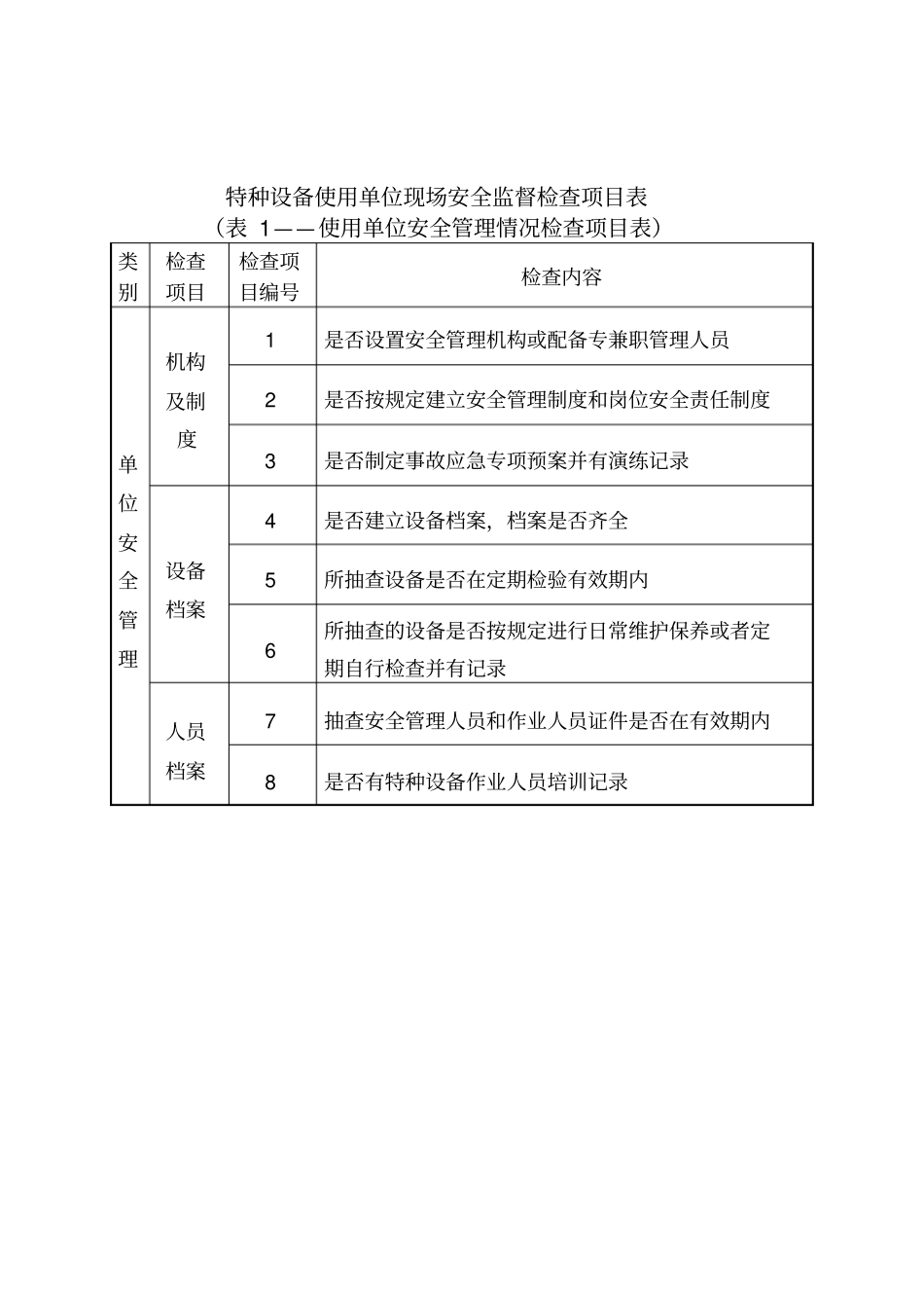
附件2特种设备生产单位现场安全监督检查项目表检查项目编号检查内容1检查许可证是否在有效期内2抽查特种设备管理人员、检测人员、专业技术人员、作业人员是否具有相应资格3抽查设计制造、安装、改造、重大修理档案是否建立4抽查设计图样审批手续是否符合要求5抽查产品生产过程资料是否保存完整,特种设备出厂是否附有质量合格证明等相关文件和资料,特种设备安装、改造、修理竣工后是否移交相关技术资料的文件6抽查型式试验、监督检验资料是否齐全7最近一次评审提出的整改项目是否整改8抽查是否存在超出许可范围和许可有效期生产的情况9检查生产单位法定代表人、名称、产权、生产场地等变更是否及时申请变更特种设备使用单位现场安全监督检查项目表(表1——使用单位安全管理情况检查项目表)类别检查项目检查项目编号检查内容单位安全管理机构及制度1是否设置安全管理机构或配备专兼职管理人员2是否按规定建立安全管理制度和岗位安全责任制度3是否制定事故应急专项预案并有演练记录设备档案4是否建立设备档案,档案是否齐全5所抽查设备是否在定期检验有效期内6所抽查的设备是否按规定进行日常维护保养或者定期自行检查并有记录人员档案7抽查安全管理人员和作业人员证件是否在有效期内8是否有特种设备作业人员培训记录特种设备使用单位现场安全监督检查项目表(表2——锅炉使用情况检查项目表)类别检查项目检查项目编号检查内容锅炉作业人员1现场作业人员是否具有有效证件使用登记及检验标志2是否有使用登记证,是否在检验有效期内安全附件及安全保护装置3液位(面)计是否有最高、最低安全液位标记4安全阀是否有有效的校验报告或标记5压力表是否有有效的检定证书或标记运行情况6水位、压力是否在允许范围内7是否及时填写运行记录水(介)质处理8是否有水(介)质化验记录和定期水质化验报告特种设备使用单位现场安全监督检查项目表(表3——压力容器使用情况检查项目表)类别检查项目检查项目编号检查内容压力容器作业人员1现场作业人员是否具有有效证件使用登记及检验标志2是否有使用登记证,是否在检验有效期内安全附件及安全保护装置3安全阀是否有有效的校验报告或标记4压力表是否有有效的检定证书或标记年度检查情况5是否按规定进行年度检查(查看该台设备的年度检查报告)特种设备使用单位现场安全监督检查项目表(表4——压力管道使用情况检查项目表)类别检查项目检查项目编号检查内容压力管道作业人员1现场作业人员是否按规定具有有效证件使用登记及检验标志2是否有使用登记证,是否在检验有效期内安全附件及安全保护装置3安全阀是否有有效的校验报告或标记4压力表是否有有效的检定证书或标记运行情况5是否有运行、检修和日常巡检记录年度检查6是否开展年度检查特种设备使用单位现场安全监督检查项目表(表5——电梯使用情况检查项目表)类别检查项目检查项目编号检查内容电梯作业人员1现场作业人员是否具有有效证件使用登记及警示标记2是否有使用登记标志,并按规定固定在电梯的显著位置,是否在下次检验期限内3安全注意事项和警示标志是否置于易于为乘客注意的显著位置安全装置4电梯内设置的报警装置是否可靠,联系是否畅通5抽查呼层、楼层等显示信号系统功能是否有效,指示是否正确6门防夹保护装置是否有效7自动扶梯和自动人行道入口处急停开关是否有效8限速器校验报告是否在有效期内维保情况9是否有有效的维保合同,维保资质及人员资质是否满足要求10是否有维保记录,并经安全管理人员签字确认,维保周期是否符合规定特种设备使用单位现场安全监督检查项目表(表6——起重机械使用情况检查项目表)类别检查项目检查项目编号检查内容起重机械作业人员1现场作业人员是否具有有效证件使用登记及警示标志2是否有使用登记证,是否有安全检验合格标志并按规定固定在显著位置,是否在检验有效期内3是否有必要的使用注意事项提示牌、吨位标识安全装置4运行警示铃、紧急停止开关是否有效维保状况5抽查检修记录是否及时填写特种设备使用单位现场安全监督检查项目表(表7——客运索道使用情况检查项目表)类别检查项目检查项目编号检查内容客运索道作业人员1现场作业人员是否具...

1、当您付费下载文档后,您只拥有了使用权限,并不意味着购买了版权,文档只能用于自身使用,不得用于其他商业用途(如 [转卖]进行直接盈利或[编辑后售卖]进行间接盈利)。
2、本站所有内容均由合作方或网友上传,本站不对文档的完整性、权威性及其观点立场正确性做任何保证或承诺!文档内容仅供研究参考,付费前请自行鉴别。
3、如文档内容存在违规,或者侵犯商业秘密、侵犯著作权等,请点击“违规举报”。

碎片内容

特种设备现场监督检查内容及记录表格

您可能关注的文档

确认删除?
VIP
微信客服
  • 扫码咨询
会员Q群
  • 会员专属群点击这里加入QQ群
客服邮箱
回到顶部