电脑桌面
添加小米粒文库到电脑桌面
安装后可以在桌面快捷访问

珠海城更新工作参与单位信用信息VIP免费

珠海城更新工作参与单位信用信息_第1页
1/4
珠海城更新工作参与单位信用信息_第2页
2/4
珠海城更新工作参与单位信用信息_第3页
3/4
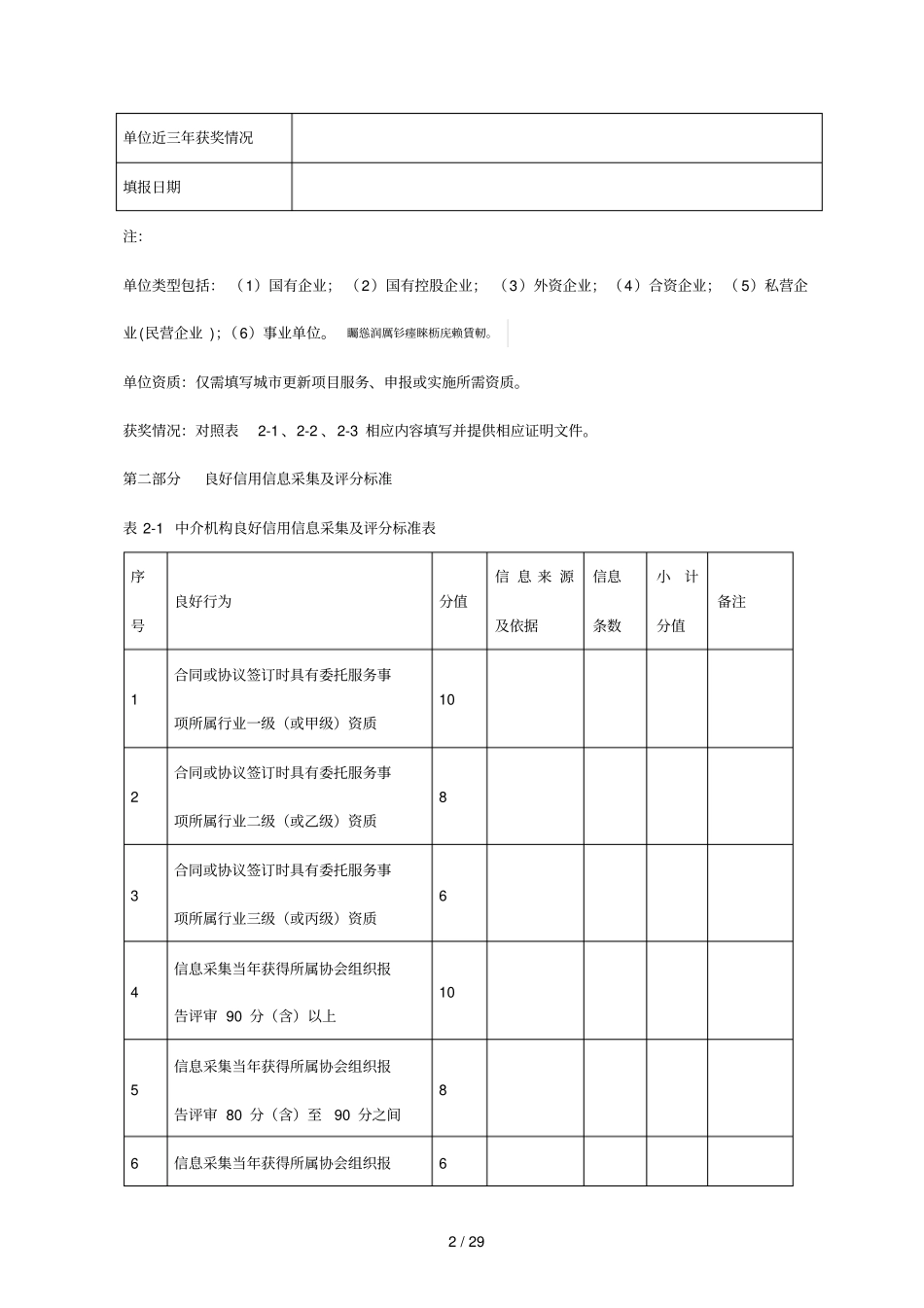
1/29附件珠海市城市更新工作参与单位信用信息采集及评分标准第一部分基础信用信息采集标准表1城市更新工作参与单位基础信用信息采集标准表单位名称单位地址邮政编码商事登记注册号开户银行银行帐户单位类型母公司(总公司)名称单位股东名称单位资质资质等级资质证书编号有效期发证机关法定代表人姓名职务办公电话手机号码项目负责人姓名职务办公电话手机号码业务联系人姓名职务办公电话手机号码2/29单位近三年获奖情况填报日期注:单位类型包括:(1)国有企业;(2)国有控股企业;(3)外资企业;(4)合资企业;(5)私营企业(民营企业);(6)事业单位。矚慫润厲钐瘗睞枥庑赖賃軔。单位资质:仅需填写城市更新项目服务、申报或实施所需资质。获奖情况:对照表2-1、2-2、2-3相应内容填写并提供相应证明文件。第二部分良好信用信息采集及评分标准表2-1中介机构良好信用信息采集及评分标准表序号良好行为分值信息来源及依据信息条数小计分值备注1合同或协议签订时具有委托服务事项所属行业一级(或甲级)资质102合同或协议签订时具有委托服务事项所属行业二级(或乙级)资质83合同或协议签订时具有委托服务事项所属行业三级(或丙级)资质64信息采集当年获得所属协会组织报告评审90分(含)以上105信息采集当年获得所属协会组织报告评审80分(含)至90分之间86信息采集当年获得所属协会组织报63/29告评审80分以下7信息采集当年起算近三年内获得国家级(或以上)行业行政主管部门奖励108信息采集当年起算近三年内获得省级行业行政主管部门奖励89信息采集当年起算近三年内获得市级行业行政主管部门奖励610信息采集当年起算近三年内所参与的城市更新项目获得国家级(或以上)有关奖项、表彰1011信息采集当年起算近三年内所参与的城市更新项目获得省级有关奖项、表彰812信息采集当年起算近三年内所参与的城市更新项目获得市级有关奖项、表彰613信息采集当年所参与的城市更新项目无信访投诉事件614信息采集当年的上年度依据本办法获评信用等级为“A级”815信息采集当年的上年度依据本办法64/29获评信用等级为“B级”16信息采集当年获评为广东省守合同重信用企业617信息采集当年已通过ISO9000系列认证6总分128注:以下填报项仅可选择其中一项填报:第1至3项、第4至6项、第14至15项。以下填报项可填写多条信用信息记录,每条记录均按标准计分,填报项小计分值为标准分值×信用信息记录条数,但同一项目同时获得多项奖励的仅按最高奖项记录一次:第7至12项。聞創沟燴鐺險爱氇谴净祸測。3.以下填报项仅可填写一条信用信息记录:第1至6项,第13至17项。

1、当您付费下载文档后,您只拥有了使用权限,并不意味着购买了版权,文档只能用于自身使用,不得用于其他商业用途(如 [转卖]进行直接盈利或[编辑后售卖]进行间接盈利)。
2、本站所有内容均由合作方或网友上传,本站不对文档的完整性、权威性及其观点立场正确性做任何保证或承诺!文档内容仅供研究参考,付费前请自行鉴别。
3、如文档内容存在违规,或者侵犯商业秘密、侵犯著作权等,请点击“违规举报”。

碎片内容

珠海城更新工作参与单位信用信息

确认删除?
VIP
微信客服
  • 扫码咨询
会员Q群
  • 会员专属群点击这里加入QQ群
客服邮箱
回到顶部