电脑桌面
添加小米粒文库到电脑桌面
安装后可以在桌面快捷访问

电网工程线路施工监理细则VIP免费

电网工程线路施工监理细则_第1页
1/50
电网工程线路施工监理细则_第2页
2/50
电网工程线路施工监理细则_第3页
3/50
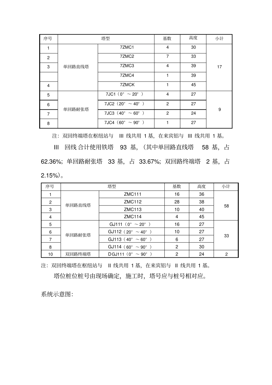
来宾大区域电网工程220kV线路施工监理细则1、工程概况1.1本工程自来宾220kV枢纽开关站GIS终端-至来宾银海铝进线构架止,共3回220kV架空线路,I、II回线路路径长度约33.8km,其中电缆线路0.3km,单回架空线路29.5k、双回架空线路4km,导线截面2×400mm2。Ⅲ回线路路径长度约33.8km,其中电缆线路0.3km,单回架空线路33.5km,导线截面2×400mm2。架空导线采用2×JL/G1A-400/35钢芯铝绞线,地线采用两根,一根OPGW-120光缆和一根JLB35-120铝包钢绞线。至广西铁合金电力架空线路目前只设计,不施工。至来宾A电厂(双回路),B电厂(双回路)采用电缆敷设方式(电缆桥架及浅沟敷设)。所用电缆为阻燃交联聚乙烯绝缘铝包防水聚氯乙烯护套电力电缆ZR-YJLW03220kV单芯1600,共13350米(A电厂)。B电厂(双回路)单芯2500,共13350米。1.2铁塔采用三角形排列的猫头型直线塔和干字型转角塔。I回线合计使用铁塔94基,新建单回路铁塔84基,(其中单回路直线塔57基,占67.8%;单回路耐张塔27基,占32.2%)。序号塔型基数高度小计1单回路直线塔7ZM110334027ZM2183637ZM3103947ZMK2455单回路耐张塔7J1(0°~20°)6271767J2(20°~40°)62777J3(40°~60°)42787J4(60°~90°)1279单回路终端塔7DJ(0°~90°)2202序号塔型基数高度小计1单回路直线塔7ZMC14301727ZMC273637ZMC34367ZMC413947ZMCK1575单回路耐张塔7JC1(0°~20°)427867JC2(20°~40°)22777JC3(40°~60°)22487JC4(60°~90°)124双回路段(I、II回线共用)本工程新建双回路铁塔10基,(其中双回路直线塔3基,占30%;双回路耐张塔7基,占70%)。序号塔型基数高度小计1双回路直线塔7SZC3233327SZCK1453双回路耐张塔7SJC1(0°~20°)327747SJC2(20°~40°)22757SJC3(40°~60°)12767SDJC(0°~90°)127II回线合计使用铁塔94基,新建单回路铁塔84基,(其中单回路直线塔54基,占64.3%;单回路耐张塔30基,占35.7%)。序号塔型基数高度小计1单回路直线塔7ZM18333727ZM2183637ZM3103947ZMK1455单回路耐张塔7J1(0°~20°)8271967J2(20°~40°)62777J3(40°~60°)42787J4(60°~90°)1279单回路终端(钻越小档使用)7DJ(0°~90°)2202序号塔型基数高度小计序号塔型基数高度小计1单回路直线塔7ZMC14301727ZMC273337ZMC34397ZMC413947ZMCK1455单回路耐张塔7JC1(0°~20°)427967JC2(20°~40°)22777JC3(40°~60°)22487JC4(60°~90°)127注:双回终端塔在枢纽站与III线共用1基,在来宾铝与III线共用1基。III回线合计使用铁塔93基,(其中单回路直线塔58基,占62.36%;单回路耐张塔33基,占33.67%;双回路终端塔2基,占2.15%)。序号塔型基数高度小计1单回路直线塔ZMC1111636582ZMC11228383ZMC11310404ZMC1144455单回路耐张塔GJ111(0°~20°)1627336GJ112(20°~40°)10277GJ113(40°~60°)6278GJ114(60°~90°)23010双回路终端塔DGJ111(0°~90°)2242注:双回终端塔在枢纽站与II线共用1基,在来宾铝与II线共用1基。塔位桩位桩号由现场确定,施工时,塔号应与桩号相对应。系统示意图:1.3本线路交叉跨越较多,具体情况见下表序号被跨(钻)越物跨越次数1500kV线路2次(钻越)2220kV线路5次(3条线路)3110kV线路6(3条线路)435kV配电线路5510kV配电线106380V动力线、220V照明线307通信线208S52武平高速公路1次19国道210公路1511机耕道3012河流51.4导线和地线均采用防振锤防振。2、监理细则及措施2.1质量控制2.1.1对主要材料(铁塔、导地线、金具、绝缘子等)的质量控制主要通过审查材料供应商资质(营业执照、企业资质证书、有关许可证)及到达现场材料的检验。对施工承包商报的《主要材料供货商资质报审表》及《主要工程材料报审表》签署监理审查意见。2.1.2对水泥、砂石及基础钢材(包括接地装置)的质量,检查供货单位的资质、产品合格证、理化试验报告及施工承包商抽检复试报告。2.1.3把好材料进场验收的质量和数量关,督促施工承包商按质量验收规范和计量检测规定对材料的质量和数量进行验收(包括品种、规格、型号、数量、外观、出厂合格证明等),并检查施工承包...

1、当您付费下载文档后,您只拥有了使用权限,并不意味着购买了版权,文档只能用于自身使用,不得用于其他商业用途(如 [转卖]进行直接盈利或[编辑后售卖]进行间接盈利)。
2、本站所有内容均由合作方或网友上传,本站不对文档的完整性、权威性及其观点立场正确性做任何保证或承诺!文档内容仅供研究参考,付费前请自行鉴别。
3、如文档内容存在违规,或者侵犯商业秘密、侵犯著作权等,请点击“违规举报”。

碎片内容

电网工程线路施工监理细则

您可能关注的文档

爱的疯狂+ 关注
实名认证
内容提供者

该用户很懒,什么也没介绍

确认删除?
VIP
微信客服
  • 扫码咨询
会员Q群
  • 会员专属群点击这里加入QQ群
客服邮箱
回到顶部