电脑桌面
添加小米粒文库到电脑桌面
安装后可以在桌面快捷访问

相邻建筑物保护措施VIP免费

相邻建筑物保护措施_第1页
1/7
相邻建筑物保护措施_第2页
2/7
相邻建筑物保护措施_第3页
3/7
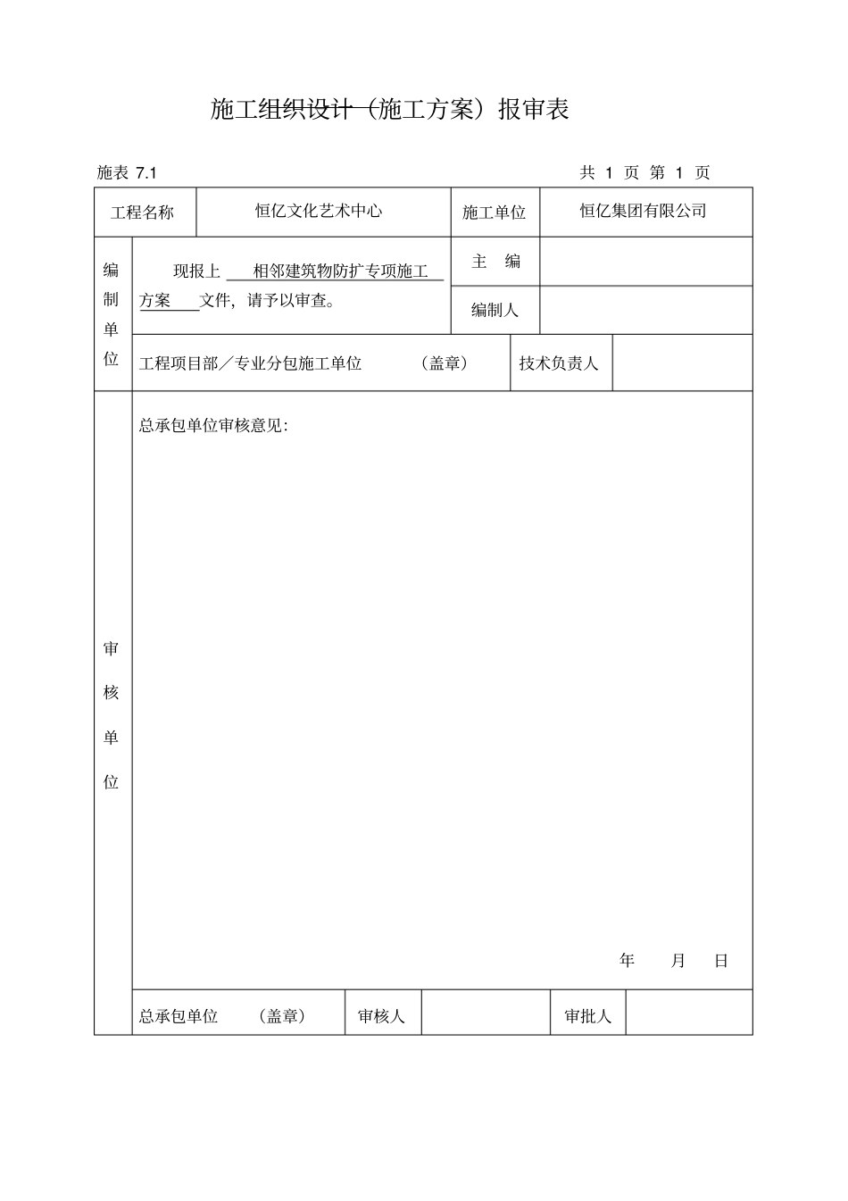
施工组织设计(施工方案)报审表施表7.1共1页第1页工程名称恒亿文化艺术中心施工单位恒亿集团有限公司编制单位现报上相邻建筑物防扩专项施工方案文件,请予以审查。主编编制人工程项目部/专业分包施工单位(盖章)技术负责人审核单位总承包单位审核意见:年月日总承包单位(盖章)审核人审批人审查单位监理审查意见:监理审查结论:□同意实施□修改后报□重新编制监理单位(盖章)专业监理工程师日期:总监理工程师日期:恒亿文化艺术中心相邻建筑物防护专项施工方案编制单位:恒亿集团有限公司项目经理:技术负责人:编制日期:恒亿文化艺术中心相邻建筑物防护专项施工方案恒亿集团有限公司1相邻建筑物防护专项施工方案一、施工中对相邻建筑的安全保护措施1、基础施工前,项目部应认真研究地质勘察资料,与设计部门充分沟通,确定正确的施工方案。甚至采取必要减震隔振措施,基施工前和施工过程中应建立和加强对可能产生影响的毗邻建筑物的观测,跟踪记录其有无裂缝以及发生发展情况,并与有关部门协商采取相应的有效对策。2、已建成的轻型建筑物周围,不宜堆放大量的建筑材料或土方等,以免地面堆载引起建筑物附加沉降。开挖深基坑及降水工程,应做好基坑支护,采取相应措施防止土体变形与地下水位变化对邻近建筑物可能产生的不良影响。3、对原有邻近建筑物,为保证施工期间及其以后的安全和正常使用,一般情况新设计的基础埋深不宜大于原有相邻建筑的基础埋深。设临时加固支撑、打板桩、地下连续墙等施工措施,或加固原有建筑物地基,以免开挖基坑时,原有建筑物的地基松动。4、根据建设单位提供的施工现场及毗邻区域内供水、排水、供电、供气、供热、通信、广播电视等地下管线资料,气象和水文观测资料,相邻建筑物和构筑物、地下工程的有关资料,充分掌握相关资料,熟悉地下管线情况,做好对相邻建筑和有关设施的保护措施。5、基坑开挖之前,要按照土质情况、基坑深度以及周边环境确定支护方案,其内容应包括;放坡要求、支护结构设计、机械选择、开挖时间、开挖顺序、分层开挖深度、坡道位置、车辆进出道路、降水措施及监测要求等。6、施工方案的制定必须针对施工工艺结合作业条件,对施工过程中可能恒亿文化艺术中心相邻建筑物防护专项施工方案恒亿集团有限公司2造成的坍塌因素和作业条件的安全及防止周边建筑、道路等产生不均匀沉降,设计制定具体可行措施,并在施工中付诸实施。二、施工中的质量保证措施1、挖土与基坑支护两方案同时会审,相互配合,确保质量。挖土时,承台改为人工挖土。基坑边沿要间隔一承台也要采用人工挖土,其基坑内边多留三角土,增加被动侧压力。2、基坑挖到基底时,必须抓紧做砖模及时封底(垫层),进入地下室施工。侧壁板施工完毕后在侧壁外四周及时回填,采用素土分层夯实。3、挖土时要经常观测土体的变形,并做好全面记录。要做到信息化施工,若有意外情况及时采取应急措施。为确保设计质量,施工时除了严格按图纸施工外,还必须在施工时加强质量管理。1)开工前,组织施工人员认真学习基坑支护施工方案,并对可能出现的的问题提出应急处理措施。2)对整个施工过程,均实行岗位责任制,定人定点责任,做好施工质量监督检测工作。工程技术组全面负责整个支护结构工程的质量,确保每道工序符合设计图纸与施工方案,达到优质要求。3)严格把住钢材、电焊条等材料的质量关,杜绝不合格的建材进入工地。4)加强质量管理,对每个施工环节严格把关,对坑壁垂直度、钢管平整度,焊接质量等进行严格监督检查。5)做好隐蔽工程施工记录,特别是入土钢管插入长度,必须进行丈量。6)基坑支护属于动态施工,在确保质量前担下允许按实际情况予以调整。三、基坑监测工作恒亿文化艺术中心相邻建筑物防护专项施工方案恒亿集团有限公司3基坑的监测工作请有资质的监测单位进行监测,施工单位与监测单位密切配合,做好检测元件的安放和保护工作。基坑的环境监测是确保基坑支护安全,避免事故发生的必要措施,它是整个基坑支护施工过程中的“天气预报”,可以达到信息化施工。1、监测内容①支护结构顶部水平位移与沉降监测;②基坑周边影响范围内建构筑物及道路...

1、当您付费下载文档后,您只拥有了使用权限,并不意味着购买了版权,文档只能用于自身使用,不得用于其他商业用途(如 [转卖]进行直接盈利或[编辑后售卖]进行间接盈利)。
2、本站所有内容均由合作方或网友上传,本站不对文档的完整性、权威性及其观点立场正确性做任何保证或承诺!文档内容仅供研究参考,付费前请自行鉴别。
3、如文档内容存在违规,或者侵犯商业秘密、侵犯著作权等,请点击“违规举报”。

碎片内容

相邻建筑物保护措施

您可能关注的文档

爱的疯狂+ 关注
实名认证
内容提供者

该用户很懒,什么也没介绍

确认删除?
VIP
微信客服
  • 扫码咨询
会员Q群
  • 会员专属群点击这里加入QQ群
客服邮箱
回到顶部