电脑桌面
添加小米粒文库到电脑桌面
安装后可以在桌面快捷访问

广西桂林市2012-2013学年高一物理11月段考试题旧人教版VIP免费

广西桂林市2012-2013学年高一物理11月段考试题旧人教版_第1页
1/7
广西桂林市2012-2013学年高一物理11月段考试题旧人教版_第2页
2/7
广西桂林市2012-2013学年高一物理11月段考试题旧人教版_第3页
3/7
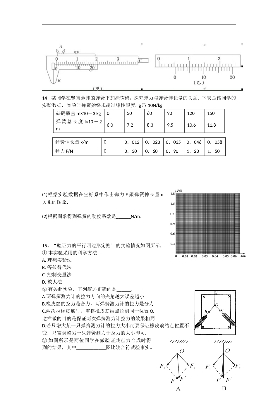
广西大学附属中学2012年高一11月段考物理试题考试时间:90分钟满分:100分一、选择题(本题共12小题,共48分,每小题至少有一个答案是正确的,全选对的得4分,选对但不全的得2分,有错或不选的得0分)1、关于重力和重心的说法正确的是()A.重力就是地球对物体的引力B.把物体从赤道向两极移动,物体的重力不变C.重心一定在物体上D.重力的方向总是竖直向下2.关于弹力与形变的关系,下列说法正确的是()A.木块放在桌面上受到向上的弹力,是由于桌面发生微小形变而产生的B.木块放在桌面上受到向上的弹力,是由于木块发生微小形变而产生的C.挂在悬线下的物体受到向上的拉力,是由于物体发生微小形变而产生的D.挂在悬线下的物体受到向上的拉力,是由于悬线发生微小形变而产生的3、如图,静止的小球m分别与两个物体(或面)接触,设各接触面光滑,则小球受到两个弹力的是:()4.下列说法,正确的是()A.物体所受摩擦力的大小不仅跟接触面的性质和物体对接触面的压力有关,有时也跟物体的运动情况有关B.静摩擦力的方向总是沿接触面的切线方向,且跟物体运动的方向相反C.滑动摩擦力的大小F跟物体对接触面压力的大小FN成正比,其中FN是弹性力,在数值上等于物体的重力D.静摩擦力是变力,压力增大时,静摩擦力也随着增大m5.某同学在学校沿直线以一定速率回家去拿一本掉在家中的参考书;他在家中歇着喝了一杯水,然后又以一定速率返回学校上课,则在下图的位移-时间(s-t)图中能粗略表示他的运动过程的是()6.三个共点力5N,8N和10N作用在物体上,则他们的合力可能是下列数值中的()A.0B.10NC.15ND.25N7.如图所示,人站在岸上通过定滑轮用绳牵引小船,若水的阻力恒定不变,则在船匀速靠岸的过程中()A.绳的拉力不断增大B.小船受的浮力不断增大C.绳的拉力不断减小D.小船受的浮力不断减小8.某人沿着半径为R的水平圆周跑道跑了1.75圈时,他的()A.路程和位移的大小均为3.5πRB.路程和位移的大小均为2RC.路程为3.5πR、位移的大小为2RD.路程为0.5πR、位移的大小为2R9.如图所示,人重600N,木板重400N,人与木板、木板与地面间的动摩擦因数皆为0.2,今人用水平力拉绳,使他与木板一起向右匀速运动,则()A.人拉绳的力是200NB.人拉绳的力是100NC.人的脚对木板的摩擦力向左D.人的脚对木板的摩擦力向右10.如图所示,物块所受重力为10N,放在光滑斜面上由一弹簧秤沿斜面拉住,使它静止.已知弹簧秤读数为6N,则斜面对物块的支持力大小为()A.4NB.8NC.10ND.无法确定11.如图所示,细而轻的绳两端,分别系有质量为mA、mB的球,mA静止在光滑半球形表面P点,已知过P点的半径与水平面夹角为60°,则mA和mB的关系是()A.ABmm=B.3ABmm=C.2ABmm=D.3BAmm=12.如图所示,AC是上端带定滑轮的固定竖直杆,质量不计的轻杆BC一端通过铰链固定在C点,另一端B悬挂一重为G的重物,且B端系有一根轻绳并绕过定滑轮A,用力F拉绳,开始时∠BCA>90°,现使∠BCA缓慢变小,直到杆BC接近竖直杆AC.此过程中,杆BC所受的力()A.大小不变B.逐渐增大C.先减小后增大D.先增大后减小二、填空题(每空2分,共18分))13、用如图游标卡尺来测量玻璃管内径,应该用如图(甲)中游标卡尺的A、B、C三部分的____部分来进行测量(填代号).由图(乙)中读出玻璃管的内径d=mm..14.某同学在竖直悬挂的弹簧下加挂钩码,探究弹力与弹簧伸长量的关系.下表是该同学的实验数据.实验时弹簧始终未超过弹性限度.g取10N/kg砝码质量m×10-3kg0306090120150弹簧总长度l×10-2m6.07.28.39.510.611.8(1)根据实验数据在坐标系中作出弹力F跟弹簧伸长量x关系的图象.(2)根据图象得到弹簧的劲度系数是______N/m.15、“验证力的平行四边形定则”的实验情况如图所示,①本实验采用的科学方法___A.理想实验法B.等效替代法C.控制变量法D.放大法②有关此实验,下列叙述正确的是______.A.两弹簧测力计的拉力方向的夹角越大误差越小B.橡皮筋的拉力是合力,两弹簧测力计的拉力是分力C.两次拉橡皮筋时,需将橡皮筋结点拉到同一位置O.这样做的目的是保证两次弹簧测力计拉力的效果相同D.若只增大某一只弹簧测力计的拉力大小而要保证橡...

1、当您付费下载文档后,您只拥有了使用权限,并不意味着购买了版权,文档只能用于自身使用,不得用于其他商业用途(如 [转卖]进行直接盈利或[编辑后售卖]进行间接盈利)。
2、本站所有内容均由合作方或网友上传,本站不对文档的完整性、权威性及其观点立场正确性做任何保证或承诺!文档内容仅供研究参考,付费前请自行鉴别。
3、如文档内容存在违规,或者侵犯商业秘密、侵犯著作权等,请点击“违规举报”。

碎片内容

广西桂林市2012-2013学年高一物理11月段考试题旧人教版

您可能关注的文档

中小学教育精品资料+ 关注
实名认证
内容提供者

中小学教育资料,优质文档创作者

相关文档

确认删除?
VIP
微信客服
  • 扫码咨询
会员Q群
  • 会员专属群点击这里加入QQ群
客服邮箱
回到顶部