电脑桌面
添加小米粒文库到电脑桌面
安装后可以在桌面快捷访问

【精品】高二物理-(人教大纲版)第二册-第十四章-恒定电流---二、电阻定律、电阻率(第一课时)VIP免费

【精品】高二物理-(人教大纲版)第二册-第十四章-恒定电流---二、电阻定律、电阻率(第一课时)_第1页
1/5
【精品】高二物理-(人教大纲版)第二册-第十四章-恒定电流---二、电阻定律、电阻率(第一课时)_第2页
2/5
【精品】高二物理-(人教大纲版)第二册-第十四章-恒定电流---二、电阻定律、电阻率(第一课时)_第3页
3/5
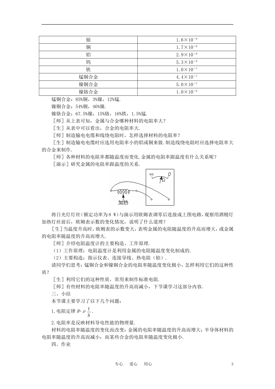
第二节电阻定律电阻率●本节教材分析本节的电阻定律是这一章的基本规律之一,它反映了导体的电阻与导体的长度、横截面积及电阻率的定量关系.教材对电阻定律的讲述,从学生的实际出发,在学生初中已有的定性认识的基础上,通过实验,引入电阻率的概念,得出电阻定律.同时,还介绍了电阻率与温度的关系.因此,做好教材安排的实验,是顺利完成这一教学任务的关键.电阻率是一个反映材料导电性能的物理量.各种材料的电阻率都随温度而变化.金属的电阻率随温度的升高而增大;半导体的电阻率随温度的升高而减小;超导体的电阻率在温度降到转变温度时突然变为零.根据金属的电阻率随温度变化制成了电阻温度计.●教学目标一、知识目标1.理解电阻定律和电阻率,能利用电阻定律进行有关的分析和计算.2.了解电阻率与温度的关系.二、能力目标1.培养学生通过控制变量,利用实验抽象概括出物理规律的能力.2.培养学生应用物理知识解决实际问题的能力.三、德育目标通过电阻温度计的教学,培养学生理论联系实际、学以致用的思维品质.●教学重点1.电阻定律.2.利用电阻定律进行有关的分析和计算.●教学难点利用实验,抽象概括出电阻定律是本节课教学的难点.●教学方法实验法、分析法●教学用具实物投影仪、电流表、电压表、滑动变阻器、学生电源、电键、导线若干、实验所需合金导线、日光灯灯丝、欧姆表、酒精灯.●课时安排1课时●教学过程一、引入新课[师]同学们在初中学过,电阻是导体本身的一种性质,导体电阻的大小决定于哪些因素?其定性关系是什么?[生]导体电阻的大小决定于导体的长度、横截面积和材料.同种材料制成的导体,长度越长,横截面积越小,电阻越大.[师]同学们在初中已经知道了导体的电阻与材料、长度、横截面积的定性关系,这节课让我们用实验定量地研究这个问题——电阻定律电阻率二、新课教学[师]介绍固定在胶木板上的四根合金导线L1、L2、L3、L4的特点.(1)L1、L2为横截面积相同、材料相同而长度不同的合金导线(镍铬丝)(2)L2、L3为长度相同、材料相同但横截面积不同的合金导线(镍铬丝)(3)L3、L4为长度相同、横截面积相同但材料不同的合金导线(L3为镍铬丝,L4为康铜丝)专心爱心用心1[演示]电阻与导体长度、横截面积的定量关系.(1)按下图连接成电路.(2)研究导体电阻与导体长度的定量关系.[师]将与A、B连接的导线分别接在L1、L2两端,调节变阻器R,保持导线两端的电压相同并测出电流.比较通过L1、L2电流的不同,得出导线电阻与导线长度的定量关系.[生]从实验知道,电流与导线的长度成反比.根据欧姆定律,在电压相同的条件下,导线中的电流与它的电阻成反比.经过分析推理可知,在导线材料、横截面积相同的条件下,导线的电阻与导线的长度成正比.(3)研究导体电阻与导体横截面积的定量关系.[师]将与A、B连接的导线分别接在L2、L3两端,调节变阻器R,保持导线两端的电压相同并测出电流.比较通过L2、L3电流的不同,得出导线电阻与导线横截面积的定量关系.[生]从实验知道,电流与导线的横截面积成正比.而在电压相同的条件下,电流与电阻成反比,经过分析推理可知,在导线的长度和材料相同的条件下,导线的电阻与横截面积成反比.(4)研究导体的电阻与导体材料的关系.[师]将与A、B连接的导线分别接在L3、L4两端,重做以上实验.[生]从实验知道,电流与导体的材料有关.经过分析推理,导线的电阻与导线的材料性质有关.师生共同活动:概括归纳出电阻定律.(1)电阻定律的内容:导体的电阻R跟它的长度l成正比,跟它的横截面积S成反比.这就是电阻定律.(2)电阻定律的公式:R=ρSl[师]介绍比例常数ρ.(1)比例常数ρ跟导体的材料有关,是一个反映材料导电性能的物理量,称为材料的电阻率.(2)电阻率的物理意义:材料的电阻率在数值上等于这种材料制成的长为1m、横截面积为1m2的导体电阻.(3)电阻率的单位:在国际单位制中,R的单位是Ω,l的单位是m,S的单位是m2,所以ρ的单位是Ω·m.[投影]几种导体材料在20℃时的电阻率.材料ρ/Ω·m专心爱心用心2银1.6×10-8铜1.7×10-8铝2.9×10-8钨5.3×10-8铁1.0×10-7锰铜合金4.4×10-7镍铜合金5.0×10...

1、当您付费下载文档后,您只拥有了使用权限,并不意味着购买了版权,文档只能用于自身使用,不得用于其他商业用途(如 [转卖]进行直接盈利或[编辑后售卖]进行间接盈利)。
2、本站所有内容均由合作方或网友上传,本站不对文档的完整性、权威性及其观点立场正确性做任何保证或承诺!文档内容仅供研究参考,付费前请自行鉴别。
3、如文档内容存在违规,或者侵犯商业秘密、侵犯著作权等,请点击“违规举报”。

碎片内容

【精品】高二物理-(人教大纲版)第二册-第十四章-恒定电流---二、电阻定律、电阻率(第一课时)

您可能关注的文档

中小学文库+ 关注
实名认证
内容提供者

精品资料应用尽有

相关文档

确认删除?
VIP
微信客服
  • 扫码咨询
会员Q群
  • 会员专属群点击这里加入QQ群
客服邮箱
回到顶部