电脑桌面
添加小米粒文库到电脑桌面
安装后可以在桌面快捷访问

工程塑料公司战略规划草稿VIP免费

工程塑料公司战略规划草稿_第1页
1/8
工程塑料公司战略规划草稿_第2页
2/8
工程塑料公司战略规划草稿_第3页
3/8
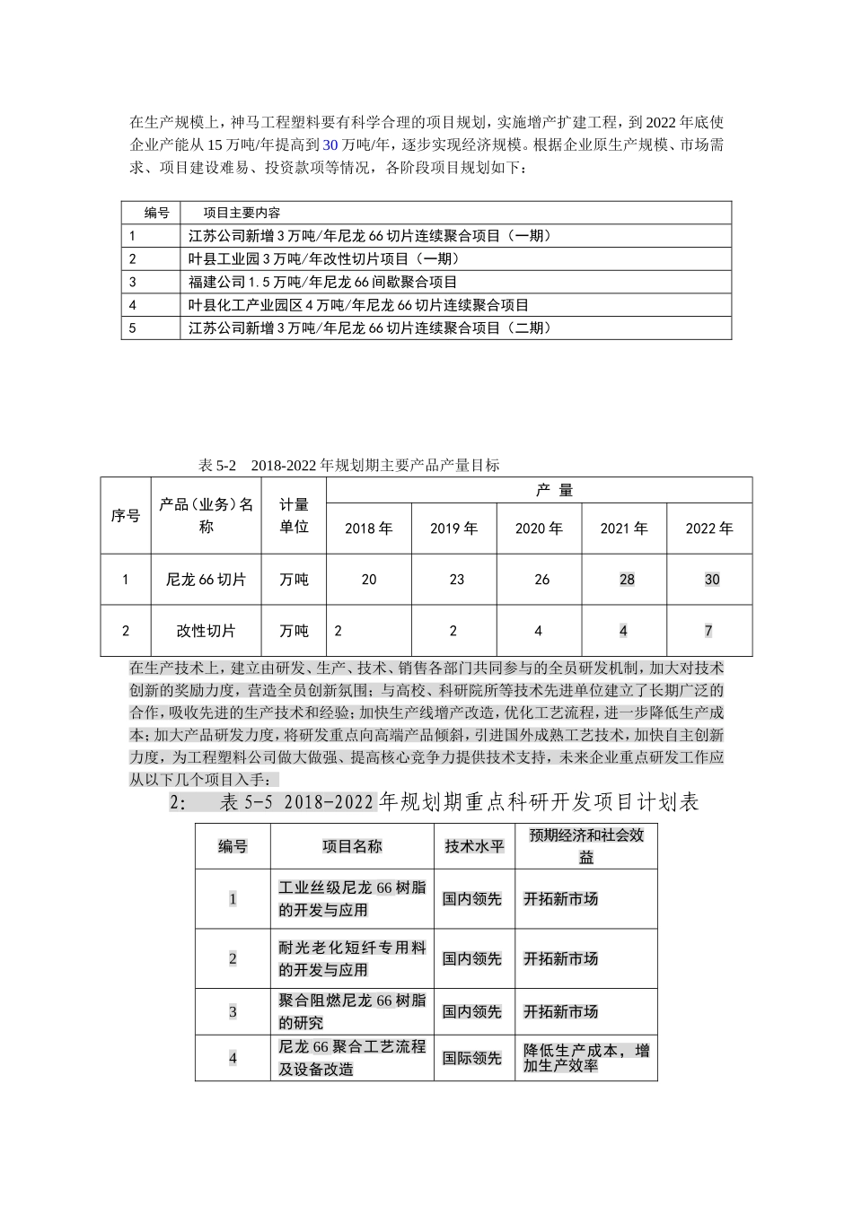
5神马工程塑料公司战略制定5.1总体战略针对前面章节的分析,一方面,由于神马工程塑料公司当前所处的外部环境中机会与威胁并存,应该结合实际情况尽可能地利用机会,同时最大程度地回避威胁,力争做到趋利避害;另一方面,神马工程塑料公司内部环境中优势相对明显,应结合自身实际情况更进一步做到扬长避短,最大化发挥自身优势,同时弥补自身劣势,为企业长期发展打好坚实的基础。具体要做到以下几点:面对来自竞争对手的快速追赶和价格竞争压力,通过产品开发加速研发新产品来提高综合竞争力;通过高效管理提升公司绩效的同时有效控制成本;通过后向一体化加强对专用原材料供应商的控制;通过市场开发更多地关注国内外市场可能出现的扩张机会。5.1.1企业使命企业使命,指出了企业的存在理由,是企业在社会进步和社会经济发展中所应担当的角色和责任,为企业目标的确立与战略的制定提供依据。神马工程塑料公司建立的目的就是改变国内工程塑料产品短缺、生产技术装备落后的局面,满足国内工程塑料行业发展需求。为此公司全面引进了国外先进技术和装备,建立了很好的发展平台。按照股东的期望和应履行的社会责任,企业的使命就是“制造高品质工程塑料产品,引领国内行业发展”。5.1.2战略目标企业战略目标,是企业在一定时期内的发展期望,实际上表现为战略期的总任务,决定着战略重点的选择、战略阶段的划分和战略对策的制定。战略目标的确定是制定发展战略的核心。神马工程塑料公司的战略目标是:在继续保持主要产品领先地位的前提下,提升高端产品市场占有率,巩固企业亚洲第一、中国第一的行业地位,。总体战略思路是:依托自身优势,加大新项目建设及生产线改造力度,不断扩大产能,达到最佳经济规模;延伸产业链条,保障原材料的稳定供应,提升废旧料的利用率,节约成本,提高企业的综合竞争能力:涉足特种工程塑料和高性能工程塑料领域,加快新产品开发和生产,满足市场发展的需要,提高企业可持续发展能力、综合抗风险能力和盈利能力。实现总体战略思路,需按以下步骤实施:到2018年,工程塑料产品产量达到17.5万吨,其中主要产品尼龙66切片达到16万吨,改性切片达到1.5万吨。产品占领国内主要用户市场,国内市场占有率不低于25%,国际市场占有率不低于4%,并拥有一批忠诚客户。到2020年,叶县、福建等二期扩建工程全部完工并达产,公司产品产量达到25万吨/年,其中尼龙66切片产量达到23万吨,改性切片2万吨。产品国内市场占有率达到30%,国际市场占有率稳定增加,年销售总收入达到55亿元以上。到2022年,公司实现工程塑料产品产销量30万吨/年。其中:尼龙66切片产销量26万吨,改性4万吨。国内市场占有率增长到35%,实现销售收入60亿以上。5.2神马工程塑料公司战略实施职能战略5.2.1生产战略企业的高速发展需要生产规模的不断扩大来支撑。规模化经营战略,可以有效的降低生产成本,提高企业的竞争力。在生产规模上,神马工程塑料要有科学合理的项目规划,实施增产扩建工程,到2022年底使企业产能从15万吨/年提高到30万吨/年,逐步实现经济规模。根据企业原生产规模、市场需求、项目建设难易、投资款项等情况,各阶段项目规划如下:编号项目主要内容1江苏公司新增3万吨/年尼龙66切片连续聚合项目(一期)2叶县工业园3万吨/年改性切片项目(一期)3福建公司1.5万吨/年尼龙66间歇聚合项目4叶县化工产业园区4万吨/年尼龙66切片连续聚合项目5江苏公司新增3万吨/年尼龙66切片连续聚合项目(二期)表5-22018-2022年规划期主要产品产量目标序号产品(业务)名称计量单位产量2018年2019年2020年2021年2022年1尼龙66切片万吨20232628302改性切片万吨22447在生产技术上,建立由研发、生产、技术、销售各部门共同参与的全员研发机制,加大对技术创新的奖励力度,营造全员创新氛围;与高校、科研院所等技术先进单位建立了长期广泛的合作,吸收先进的生产技术和经验;加快生产线增产改造,优化工艺流程,进一步降低生产成本;加大产品研发力度,将研发重点向高端产品倾斜,引进国外成熟工艺技术,加快自主创新力度,为工程塑料公司做大做强、提高核心竞争力提供技术支持,未来企业重点研...

1、当您付费下载文档后,您只拥有了使用权限,并不意味着购买了版权,文档只能用于自身使用,不得用于其他商业用途(如 [转卖]进行直接盈利或[编辑后售卖]进行间接盈利)。
2、本站所有内容均由合作方或网友上传,本站不对文档的完整性、权威性及其观点立场正确性做任何保证或承诺!文档内容仅供研究参考,付费前请自行鉴别。
3、如文档内容存在违规,或者侵犯商业秘密、侵犯著作权等,请点击“违规举报”。

碎片内容

工程塑料公司战略规划草稿

确认删除?
VIP
微信客服
  • 扫码咨询
会员Q群
  • 会员专属群点击这里加入QQ群
客服邮箱
回到顶部