电脑桌面
添加小米粒文库到电脑桌面
安装后可以在桌面快捷访问

DJB-ZAF智能保护器说明书VIP免费

DJB-ZAF智能保护器说明书_第1页
1/11
DJB-ZAF智能保护器说明书_第2页
2/11
DJB-ZAF智能保护器说明书_第3页
3/11
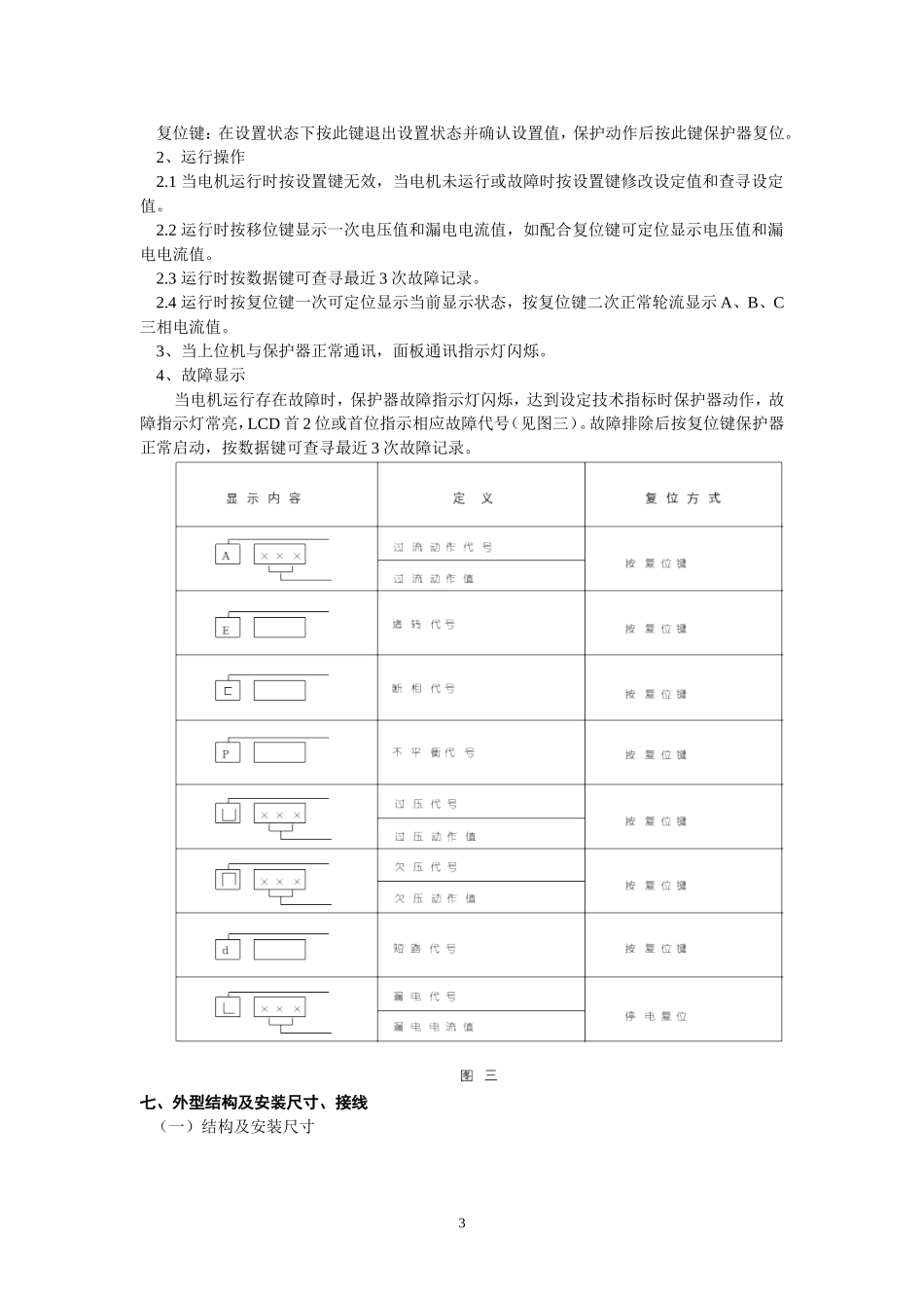
一、概述DJB-ZAF电动机智能型电动机保护器,是一种提高电机运行安全和自动化管理水平的智能化仪器,核心采用美国MICROCHIP公司的微机控制器配低功耗集成电路开发而成的。该保护器具有保护功能齐全,测量参数直观,反应灵敏,动作及时可靠,可以与上位机通讯构成远程监控于一体的高新技术产品。广泛应用于石油、化工、煤炭、冶金、电力、钢铁、水泥、矿山、轻工、纺织等行业低压电动机保护及远程监控理想的产品。二、特点1、采用微机技术和高性能低功耗电路,运算高速,性能稳定。2、整机模块化结构,卡式电流传感器,体积小,安装方便。也可分体安装,主体外形尺寸按照国际仪表装置标准。3、采用数字处理技术,测量精度高,线性度好,对故障判断速度快,精确可靠。4、高清晰宽温带背光LCD显示,设置参数与测量及故障记录直观方便。5、可以与计算机通讯构成远程监控于一体的电机保护网络。6、一机多用,可取代电流表,电流变送器,热继电器,漏电继电器,电压表。三、适用范围及使用条件1、380VAC,660VAC三相异步电动机,馈线电路保护。2、保护器供电电压;220VAC,380VAC、50HZ。3、外型结构:整体与分体两种形式,分体安装距离≤5米。4、环境温度:-30℃~+65℃,相对湿度≤90%。5、使用环境:无足以腐蚀金属和破坏绝缘性能气体的环境。6、安装在无剧烈震动冲击,强磁场干扰场所和雨雪侵袭的地方。四、主要功能1、设定功能:额定电流、保护电流曲线、启动时间、三相不平衡、堵转倍数、漏电电流值、超欠电压值、通讯地址、保护器上电电机自起动时间。2、保护功能:过流、堵转、三相不平衡、短路、漏电、断相、超欠压。3、显示功能:A、B、C三相电流、漏电电流、工作电压、保护动作故障数据及故障记录、设置参数。4、通讯功能:4~20MA标准电流输出信号,RS485串行通讯。5、控制功能:通过RS485串行通讯与计算机可构成256台保护器常规保护控制网络。远程数据设定及显示报警,远程电动机启动,停止控制等。五、主要技术指标1、测试范围1.1A、B、C三相电流:0—999A。1.2漏电流:0—999MA。2、测量精度:1.5级(I≤Ie额定电流)。3、保护触点容量:常开AC250/6A,常闭AC250/6A。4、启动时间整定范围:1~99S,在启动时间内,对断相、漏电、短路、不平衡进行保护(默认值为10S)。5、堵转保护:当三相电流均达到或超过整定值的堵转电流时,动作时间≤0.5S(默认值为4Ie)。6、短路保护:任意一相电流均达到或超过8Ie电流时,动作时间≤0.2S。7、断相保护:任意一相断相时,动作时间≤2S。8、不平衡保护:当三相电流中任意二相电流差比值≥不平衡系数,动作时间≤2S(默认值为60%)。19、漏电保护;当电机漏电电流≥漏电流整定值,动作时间≤0.2S(默认值为50MA)。10、过流保护:当电机的电流≥1.2Ie时,保护器按反时过流保护,动作时间见图一(默认值为1)。11、过压保护:工作电压≥过压电压整定值,动作时间≤5S。12、欠压保护:工作电压≤欠压电压整定值,动作时间≤10S。13、4~20MA电流输出精度:0.3%F.S(20MA对应额定值)。注:表中Iw为工作电流,Ie为额定电流。图一六、操作说明及显示1、按键说明设置键:电机未运行或故障时,按此键进入保护参数设置状态。见图二移位键:设置状态下选择设置的字位(该字位闪烁)。数据键:设置状态下对应闪烁字位数每按一次加1。2复位键:在设置状态下按此键退出设置状态并确认设置值,保护动作后按此键保护器复位。2、运行操作2.1当电机运行时按设置键无效,当电机未运行或故障时按设置键修改设定值和查寻设定值。2.2运行时按移位键显示一次电压值和漏电电流值,如配合复位键可定位显示电压值和漏电电流值。2.3运行时按数据键可查寻最近3次故障记录。2.4运行时按复位键一次可定位显示当前显示状态,按复位键二次正常轮流显示A、B、C三相电流值。3、当上位机与保护器正常通讯,面板通讯指示灯闪烁。4、故障显示当电机运行存在故障时,保护器故障指示灯闪烁,达到设定技术指标时保护器动作,故障指示灯常亮,LCD首2位或首位指示相应故障代号(见图三)。故障排除后按复位键保护器正常启动,按数据键可查寻最近3次故障记录。七、外型结构及安装尺...

1、当您付费下载文档后,您只拥有了使用权限,并不意味着购买了版权,文档只能用于自身使用,不得用于其他商业用途(如 [转卖]进行直接盈利或[编辑后售卖]进行间接盈利)。
2、本站所有内容均由合作方或网友上传,本站不对文档的完整性、权威性及其观点立场正确性做任何保证或承诺!文档内容仅供研究参考,付费前请自行鉴别。
3、如文档内容存在违规,或者侵犯商业秘密、侵犯著作权等,请点击“违规举报”。

碎片内容

DJB-ZAF智能保护器说明书

您可能关注的文档

确认删除?
VIP
微信客服
  • 扫码咨询
会员Q群
  • 会员专属群点击这里加入QQ群
客服邮箱
回到顶部