电脑桌面
添加小米粒文库到电脑桌面
安装后可以在桌面快捷访问

通用机械零部件检验规范VIP免费

通用机械零部件检验规范_第1页
1/7
通用机械零部件检验规范_第2页
2/7
通用机械零部件检验规范_第3页
3/7
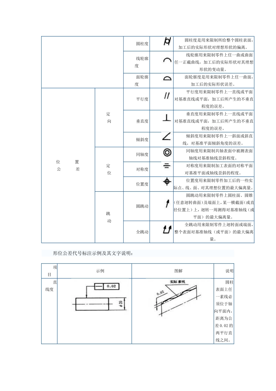
通用机械零部件检验规范www.mapeng.net马棚网p;单位:mmGB1184-96长度≦10﹥10~30﹥30~100﹥100~300﹥300~1000﹥1000~3000公差0.020.050.10.20.30.4垂直度未注公差值单位:mmGB/T1184-96长度≦100﹥100~300﹥300~1000﹥1000~3000公差0.20.20.40.5对称度未注公差值单位:mmGB/T1184-96长度≦100﹥100~300﹥300~1000﹥1000~3000公差0.5铝件、钢件表面处理后的尺寸变化:序号表面处理面单边增厚范围孔单边小范围1铝发白0.002~0.0030.001~0.0022铝发黑0.004~0.0050.004~0.0053镀镍一般要根据客户要求,可以控制0.004~0.006大于φ10的0.004~0.006,小于φ10的忽略不计4镀铬0.003~0.005大于φ10的0.003~0.005,小于φ10的忽略不计5镀锌0.005~0.0070.005~0.0076铝硬白0.008~0.010.008~0.01常用形位公差项目及符号:分类项目符号说明形状公差直线度直线度是用来限制母线、棱线、轴线及平面上某一直线加工后的形状误差。平面度平面度是用来限制零件上一平面,加工后不平程度的形状误差。圆度圆度是用来限制迴转表面上某一垂轴截面的圆形误差。圆柱度圆柱度是用来限制所给整个圆柱表面,加工后的实际形状对理想形状的偏离。线轮廓度线轮廓用来限制零件上任一曲或曲面任一正截曲线,加工后的实际形状对其理想形状的变动量。面轮廓度面轮廓度是用来限制零件上任一曲面,加工后的实际形状误差。位置公差定向平行度平行度用来限制零件上一直线或平面对基准直线或平面,加工后所产生的不垂直程度的误差。垂直度垂直度用来限制零件上一直线或平面对基准直线或平面,加工后所产生的不垂直程度的误差。倾斜度倾斜度用来限制零件上一斜面或斜直线,对基准平面倾斜角度的误差。定位同轴度同轴度用来限制共轴表面中被测表面轴线对基准轴线歪斜程度。对称度对称度用来限制加工表面的对称平面对基准平面或轴线歪斜的程度。位置度位置度用来限制零件加工后的一些实际点、线、面、对其理想位置的最大偏离量。跳动圆跳动圆跳动用来限制零件上圆柱面、圆锥(任意迴转曲面)及端面上,某一横截面(或直径位置上)上,迴转一周测得对基准轴线(或平面)的最大偏离量。全跳动全跳动用来限制零件上迴转面或端面,整个表面对基准轴线(或平面)的最大偏离量。形位公差代号标注示例及其文字说明:项目示例图解说明直线度圆柱表面上任一素线必须位于轴向平面内,距离为公差0.02的两平行直线之间。Φ30圆柱体的轴线必须位于直径为公差值0.05的圆柱面内。整个零件的轴线必须位于直径为公差值0.05的圆柱面内。平面度上表面必须位于距离为公差值0.1的两平行平面内。圆度在垂直于轴线的任一正截面上,该圆必须位于半径差为公差值0.005的两同心之间。圆柱度圆柱面必须位于半径差为公差值0.006的两同轴圆柱面之间。线轮廓度实际曲线必须位于包络以理想曲线为中心的一系列直径为0.1圆的两包络线之间。面轮廓度实际曲面线必须位于包络以理想曲面线为中心的一系列直径为0.2圆的两包络之间。平行度实际平面必须位于距离为公差值0.05,且平行垂直于基准平面的两平行平面之间。垂直度左侧端面必须位于距离为公差值0.05,且垂直于基准轴线的两平行平面之间。Φ30的轴线必须位于直径的公差值0.05,且垂直于基准平面A的圆柱面内。倾斜度实际斜面必须位于距离公差值为0.03㎜,且与基准面A呈45度的两个平行平面之间。同轴度Φ20的轴线必须位于直径为公差值0.02,且与Φ30基准轴线同轴的圆柱面内。对称度键槽的实际中心平面必须位于距离公差为0.05㎜的两个平行平面之间。该两平面对称的位于通过基准轴线A的辅助中心平面两侧。位置度三个Φ10的孔实际轴线必须位于直径0.05㎜且以30理想位置为轴线的诸圆柱面内。圆跳动Φ50圆柱面绕Φ30基准轴线作无轴向移动迴转进,在任一测量平面内的径向跳动量均不得大于公差值0.02当零件绕Φ20基准轴线作无轴向移动迴转时,在左端面上任一测量直径处的轴向跳动量均不得大于公差值0.05圆锥表面绕基准轴线作无轴向移动迴转时,在任一测量圆锥面上的跳动量均不得大于公差值0.05全跳动Φ35表面绕Φ20基准轴线作无轴向移动地连续迴转,同时,指示器作平行于基准轴线的直线移动;在Φ35表面上任一点跳动量不得大于公差值0.05

1、当您付费下载文档后,您只拥有了使用权限,并不意味着购买了版权,文档只能用于自身使用,不得用于其他商业用途(如 [转卖]进行直接盈利或[编辑后售卖]进行间接盈利)。
2、本站所有内容均由合作方或网友上传,本站不对文档的完整性、权威性及其观点立场正确性做任何保证或承诺!文档内容仅供研究参考,付费前请自行鉴别。
3、如文档内容存在违规,或者侵犯商业秘密、侵犯著作权等,请点击“违规举报”。

碎片内容

通用机械零部件检验规范

您可能关注的文档

确认删除?
VIP
微信客服
  • 扫码咨询
会员Q群
  • 会员专属群点击这里加入QQ群
客服邮箱
回到顶部