电脑桌面
添加小米粒文库到电脑桌面
安装后可以在桌面快捷访问

设备招标范围VIP专享VIP免费

设备招标范围_第1页
1/2
设备招标范围_第2页
2/2
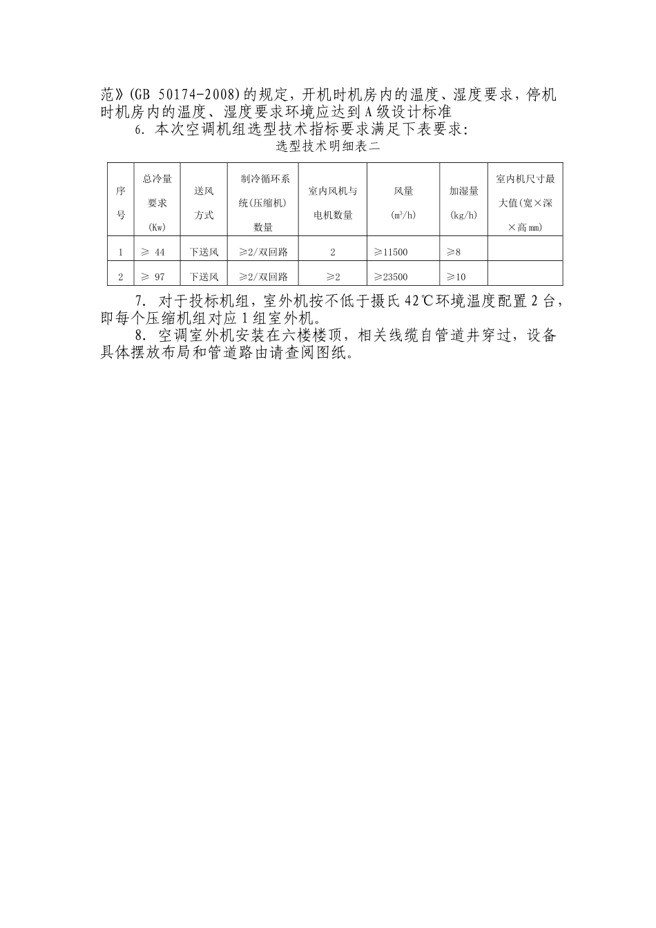
附件:一、设备招标范围1.机房精密空调设备包括2台下送风方式制冷量约为100KW、4台下送风方式制冷量为约50KW的空调,室外机按不低于摄氏42℃环境温度。(具体参数见选型技术明细表一、二)。2.空调室内机、室外机支架,室内机与室外机的线缆及管路连接,上下排水管管线。本次投标应包含数据中心二期工程中所涉及到的冷媒管、进排水管等的敷设安装,即本次采购的6套空调加上二期预留的7套空调的冷媒、进排水等管线,详见选型技术明细表一。(冷媒管、进排水管等耗材用量,投标人现场测量计算)3.空调及其附件的运输、搬移、安装调试、测试验收等。空调的安装位置位于主体大楼四层,具体布局查看鲁商机房平面图。4.投标单位应考虑在项目施工过程中所发生的相关费用(如水电等),中标及签订合同后发现有遗漏,所有遗漏设备及相关费用由中标人自行负责提供,采购人不再追加任何费用。二、工程要求及主要参数1.精密空调设备安装调试必须接受中心机房工程承包方的总体调度。2.精密空调整机系统的3年原厂质保(含易易损件),并出具原厂证明文件。3.注明所投标设备的配电要求,包括用电容量、所需配电断路器及相应线缆等。所有与空调室内机连接的线缆由投标方负责接驳,空调室外机配电用线缆由投标方负责提供及安装。4.鲁商集团有限公司数据中心采用精密空调房间包括:核心机房、网络机房及介质间、配电室一、配电室二,可划分为六个独立的空调分区(本次工程加二期工程),如下表:选型技术明细表一选型技术明细表一序号空调区域功能房间面积单台制冷量数量运行方式工程说明1一区核心机房(一期)215≥97KW2冷量冗余2台设备(本期)+3套路由管线(本期)2二区网络设备、介质间、新风室135≥44KW2双机冗余2台设备(本期)+2套路由管线(本期)3三区配电室一66≥44KW1冷量冗余1台设备(本期)+1套路由管线(本期)4四区配电室二68≥44KW1冷量冗余1台设备(本期)+1套路由管线(本期)5五区扩展机房二200≥97KW3(二期)冷量冗余3台设备(二期)+3套路由管线(本期)6六区扩展机房三200≥97KW3(二期)冷量冗余3台设备(二期)+3套路由管线(本期)5.本数据中心机房温湿度要求应符合《电子信息系统机房设计规范》(GB50174-2008)的规定,开机时机房内的温度、湿度要求,停机时机房内的温度、湿度要求环境应达到A级设计标准6.本次空调机组选型技术指标要求满足下表要求:选型技术明细表二7.对于投标机组,室外机按不低于摄氏42℃环境温度配置2台,即每个压缩机组对应1组室外机。8.空调室外机安装在六楼楼顶,相关线缆自管道井穿过,设备具体摆放布局和管道路由请查阅图纸。序号总冷量要求(Kw)送风方式制冷循环系统(压缩机)数量室内风机与电机数量风量(m3/h)加湿量(kg/h)室内机尺寸最大值(宽×深×高mm)1≥44下送风≥2/双回路2≥11500≥82≥97下送风≥2/双回路≥2≥23500≥10

1、当您付费下载文档后,您只拥有了使用权限,并不意味着购买了版权,文档只能用于自身使用,不得用于其他商业用途(如 [转卖]进行直接盈利或[编辑后售卖]进行间接盈利)。
2、本站所有内容均由合作方或网友上传,本站不对文档的完整性、权威性及其观点立场正确性做任何保证或承诺!文档内容仅供研究参考,付费前请自行鉴别。
3、如文档内容存在违规,或者侵犯商业秘密、侵犯著作权等,请点击“违规举报”。

碎片内容

设备招标范围

您可能关注的文档

确认删除?
VIP
微信客服
  • 扫码咨询
会员Q群
  • 会员专属群点击这里加入QQ群
客服邮箱
回到顶部