电脑桌面
添加小米粒文库到电脑桌面
安装后可以在桌面快捷访问

第三章项目说明VIP专享VIP免费

第三章项目说明_第1页
1/6
第三章项目说明_第2页
2/6
第三章项目说明_第3页
3/6
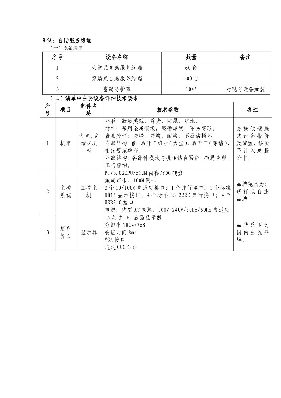
第三章项目说明一、项目说明本项目共分两个包,A包:网银服务终端;B包:自助服务终端。供应商可对其中一包或两包同时响应,但必须对包内设备清单全部响应,不可分解响应。二、技术要求A包:网银服务终端(一)设备清单设备名称数量备注网银服务终端200台(二)清单中主要设备详细技术要求1)机柜:新颖美观,符合人体工学。材质坚硬厚实,不易变形。底部设有防盗固定装置。布线整齐规范。配有机柜锁。预留二次开发接口,具有良好的扩展性。2)主机:CPUP42.0G以上,主频/1GDDR内存/80G硬盘/网卡、声卡、显卡集成。工控主机或高品质商务PC。3)显示器:17〞LCD液晶显示(加防暴屏)、180度偏转角。4)USBKEY接口:主机箱提供2个以上USB2.0接口。各接口均支持USBHUB扩展,外部机架只提供前面板2个USB接口。只允许支持银行发布的USBKEY。5)输入设备:嵌入式一体化键盘、鼠标(触摸板);防水(滴溅)、防潮、防油污。6)电源:分路保护集中电源开关,智能电源管理,支持自动开关机7)多媒体设备:内磁式多媒体音箱,支持多媒体语音播放。8)电气数据:220VAC±10%,50Hz±1Hz。9)数据通信接口:配置10/100M自适应网卡,支持自动IP获取及远程启动功能。10)操作系统:WindowsXP正版软件。11)应用软件:具有自主知识产权的自主开发的农行专业版浏览器软件。(三)软件功能满足采购人现有网上银行业务交易体验要求,符合采购人网络安全要求,具体要求如下。1、支持系统软件自动升级,系统补丁定期更新,具备病毒主动防御措施。2、具备系统免维护功能,安装系统还原工具,支持系统软件一键还原功能,支持一键开关机功能(定时开关机功能)。屏蔽所有系统热键。3、定制专业浏览器软件,禁止安装非法软件或访问系统资源,屏蔽非法网站访问。预装采购人网上银行驱动程序。4、屏蔽其他USB设备,仅识别采购人发行USBKEY。5、具有网上银行演示、体验功能。6、全方位立体广告宣传,提升采购人形象。支持静态图片及动态影片播放。7、后台管理软件要求:免费提供后台管理软件,具有设备状态监控、进程状态监控、报表统计、远程控制、软件升级、黑白名单管理、K宝信息管理等基本功能。(四)说明供应商所提供的设备可适应采购人不断变化的业务和管理需求,具有高品质、高安全性、高可靠性的设备。系统软件提供正版windows系统版权软件,保障设备24小时稳定运营。供应商为保证向采购人提供的设备/方案能正常运行,应建立一套完整的服务体系,该服务体系应为厂商对采购人的统一直接承诺,要求如下:1、设备硬件质量要求。设备必须符合国家规定的行业技术标准,硬、软件配置应符合合同要求。设备开箱合格率100%;保证开机率98%以上,无故障率95%以上,合同款项的5%用于维保期间运行维护考核。2、提供三至五年现场免费包修。保修期内,至少每月一次的电话用户访问,至少半年提供一次免费现场设备巡检和预防性维护,对整个设备各部件进行清洁除尘,对设备各性能进行检查和调整,对隐患部件进行更换等,做好文字记录并提交书面报告。如需现场服务,应及时赶赴现场,省会城市分行在4小时之内到达,其他城市分行24小时到达,并尽快使设备恢复正常运行。3、提供正版windows系统软件,提供具体LICENSE清单,同时版本序列号张贴到设备内部。4、响应时间为8小时工作时上门解决问题。90%一次性解决问题,如果相同部件三次上门无法彻底排除故障,则更换整机。5、提供免费软件升级和改造,免费开发相关的终端软件,包括但不限于设备底端驱动程序、设备运营监控程序、更换平台业务功能软件等。如要收费请提供详细收费清单及服务内容。6、设备供货期为1个月,并完成上线投产。所有设备运到山东省农行指定地点,运费、安装调试费由供方负责。具体位置由各地市行在到货时指定。7、每市地设备总量达80台以上,当地必须设置相应的机构及专人服务队伍B包:自助服务终端(一)设备清单序号设备名称数量备注1大堂式自助服务终端60台2穿墙式自助服务终端100台3密码防护罩1045对现有设备加装(二)清单中主要设备详细技术要求序号项目部件名称技术参数备注1机柜大堂、穿墙式机柜外形:新颖美观、尊贵,防暴、防水。材料:采...

1、当您付费下载文档后,您只拥有了使用权限,并不意味着购买了版权,文档只能用于自身使用,不得用于其他商业用途(如 [转卖]进行直接盈利或[编辑后售卖]进行间接盈利)。
2、本站所有内容均由合作方或网友上传,本站不对文档的完整性、权威性及其观点立场正确性做任何保证或承诺!文档内容仅供研究参考,付费前请自行鉴别。
3、如文档内容存在违规,或者侵犯商业秘密、侵犯著作权等,请点击“违规举报”。

碎片内容

第三章项目说明

您可能关注的文档

确认删除?
VIP
微信客服
  • 扫码咨询
会员Q群
  • 会员专属群点击这里加入QQ群
客服邮箱
回到顶部