电脑桌面
添加小米粒文库到电脑桌面
安装后可以在桌面快捷访问

管道检验规范在用管道系统检验修理改造和再定级VIP免费

管道检验规范在用管道系统检验修理改造和再定级_第1页
1/7
管道检验规范在用管道系统检验修理改造和再定级_第2页
2/7
管道检验规范在用管道系统检验修理改造和再定级_第3页
3/7
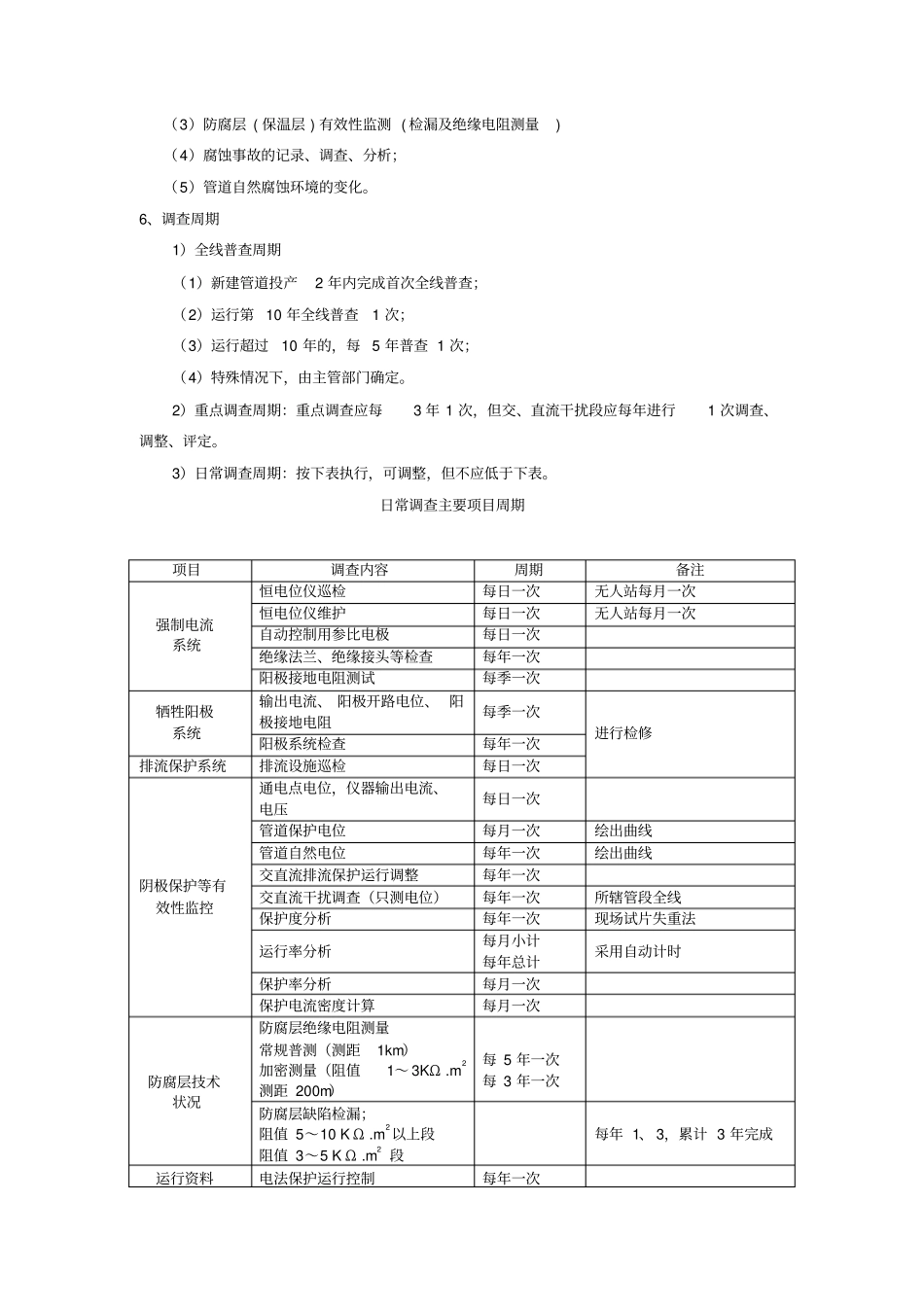
管道检验规范在用管道系统检验、修理、改造和再定级SY/T6553—20031、适用范围:本标准适用于在用金属管道的检验、修理、改造和再定级。是专门为石油天然气生产工业、石油炼制工业、化学工业制定的,也适用于其他领域的管道系统。本标准不能代替管道管理的基本法规,本标准的采用和应用不允许与任何现行法规相抵触。2、测厚方法:当管道公称直径大于等于25mm时,用超声波测厚仪测厚通常是最精确测厚的方法。射线测厚技术更适合于管道公称直径为25mm和更小的管道。3、土壤的电阻率:土壤的腐蚀性可以通过测量土壤的电阻率确定。低电阻率土壤比高电阻率土壤的腐蚀性更大,特别是在土壤电阻率变化较大处的管道区域。4、管道—土壤电位检测:阴极保护管道密集电位检测可以用来检验采用全程阴极保护的埋地管道。对于涂盖层不佳的管道,其阴极保护电位不一致,为确保其连续的防腐能力,应每5年进行一次检测。5、土壤的腐蚀性:对于埋地长度大于30m且无阴极保护的管道,应每5年进行一次土壤的腐蚀性评定。钢质管道及防腐蚀与防护调查方法标准(SY/T0087-95)1、适用范围:埋地钢质管道外壁腐蚀与防护调查;钢质储罐外壁及储存原油、水的罐内内壁腐蚀与防护调查;输送原油、水介质管道内壁腐蚀与防腐调查。2、外壁腐蚀调查分类1)全线普查:对管道全线或油气田某一区块内管道的外壁腐蚀与防护状况进行宏观地系统性评价而进行的调查。其成果可指导重点调查。2)重点调查:依据全线普查的成果筛选或经其他程序确认的重点管段或区域内管道、共性部位、设施(如弯头、管道进出土壤端、套管、墩、架、焊口、防腐层补口等)所进行的更为深入、具体的调查。3)日常调查:对管道外壁腐蚀与防护状况所进行的日常性监测、调整。3、外壁腐蚀调查内容1)全线普查,全线普查必须测定以下几项参数:土壤腐蚀性;管道自然电位;防腐层绝缘电阻或防腐层缺陷检查;管道阴极保护电位。上述四项参数的测定方法应按下表的规定执行。防腐层绝缘电阻值可利用近3年的数据,其余均需在普查时测定。全线普查参数测试方法统计表序号测试项目调查方法备注1自然、保护电位SYJ23,SY/T5919本标准附录D2防腐层绝缘电阻SY/T5919本标准附录B3土壤腐蚀性SY/T5919本标准附录C4交流干扰SYJ23存在干扰时,追加测量5直流干扰SYJ17存在干扰时,追加测量6防腐层缺陷检查防腐层地面检漏仪法对于具有共性的部位或设施,如弯头、进出土壤端管段、套管、管子墩架等,可视情况予以抽查。抽查数宜控制在同类部位或设施总数的5%~10%,但不得少于6处。应对外部环境与管道的相互关系进行考查,主要内容如下:(1)交、直流电气化铁路及其整流站、变电所等与管道的平行、交叉相互位置关系;(2)交、直流电气线路、变电所、整流站的接地体等与管道的平行、交叉相互位置关系;(3)细菌腐蚀状况;(4)土壤地貌(如化工污染区等)及其大致分布;(5)管道腐蚀与防护历史概况。4、有下列情况之一的可确定为重点调查管段:(1)直流杂散电流干扰段;(2)交流杂散电流干扰段;(3)腐蚀事故多发段(区块);(4)出现细菌腐蚀的管段;(5)土壤腐蚀性极强的管段;(6)防护状况恶劣的管段;(7)经全线普查必测的四项指标综合评价确定的管段;(8)在共性的部位、设施抽查中发现损坏或失效较多的部位(9)其他(包括已进行防腐层等大修的管段)。重点调查应在全线普查的基础上加深、细化和扩展,其主要内容如下:(1)管体腐蚀状况及分布,管体腐蚀原因的分析;(2)土壤腐蚀性,包括土样采集及理化性能分析、现场埋片失重试验等,(3)管地电位分布,包括自然电位,保护电位,纵向、横向电位梯度;(4)直(交)流干扰管段的干扰、防护技术状况的详细测试及分析;(5)阴极保护效果分析、评价;(6)防腐层技术状况、防腐层缺陷数量分布等详细调查及评价:(7)管道建设运行历史及外部环境影响相关资料的收集与分析(8)其他。5、日常调查1)日常调查应符合SY/T5919--94的规定,管理部门可按照其原则要求,结合实际情况制定实施细则。日常调查应包括下列内容:(1)电法保护运行参数的监测和调整;(2)电法保护有效性的监测、保护度、保护率、运行率的调查分析:(3)防腐层(保温层)有效性监测(检漏及绝...

1、当您付费下载文档后,您只拥有了使用权限,并不意味着购买了版权,文档只能用于自身使用,不得用于其他商业用途(如 [转卖]进行直接盈利或[编辑后售卖]进行间接盈利)。
2、本站所有内容均由合作方或网友上传,本站不对文档的完整性、权威性及其观点立场正确性做任何保证或承诺!文档内容仅供研究参考,付费前请自行鉴别。
3、如文档内容存在违规,或者侵犯商业秘密、侵犯著作权等,请点击“违规举报”。

碎片内容

管道检验规范在用管道系统检验修理改造和再定级

您可能关注的文档

确认删除?
VIP
微信客服
  • 扫码咨询
会员Q群
  • 会员专属群点击这里加入QQ群
客服邮箱
回到顶部