电脑桌面
添加小米粒文库到电脑桌面
安装后可以在桌面快捷访问

组合楼盖设计VIP免费

组合楼盖设计_第1页
1/22
组合楼盖设计_第2页
2/22
组合楼盖设计_第3页
3/22
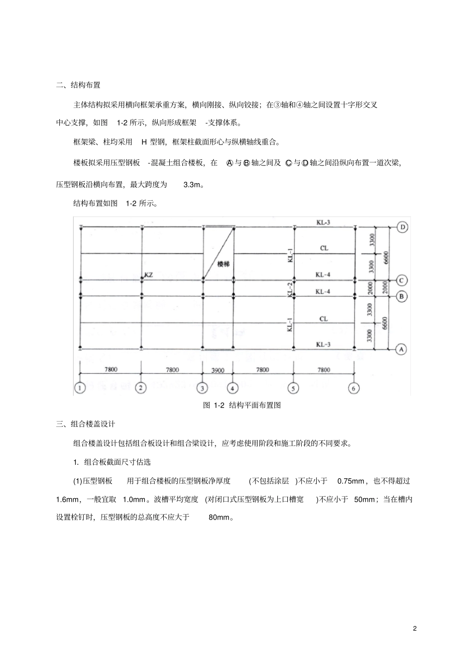
1组合楼盖课程设计一、设计资料1、工程概况某多层办公楼的标准层建筑平面如图1-1所示,房屋总长度36.1m,总宽度16.2m。结构设计使用年限50年,结构安全等级二级,环境类别一类,耐火等级二级,抗震设防烈度六度。图1-1标准层平面图2、建筑做法楼面做法:20mm水泥砂浆找平,5mm厚1:2水泥砂浆加“108”胶水着色粉面层;板底为V形轻钢龙骨吊顶。外墙做法:采用240mm加气混凝土砌块,双面粉刷。外粉刷1:3水泥砂浆底,厚20mm,外墙涂料,内粉刷为混合砂浆粉面,厚20mm,内墙涂料。内墙做法:采用240mm加气混凝土砌块,双面粉刷。内粉刷为混合砂浆粉面,厚20mm,内墙涂料。3、可变荷载办公楼楼面可变荷载标准值2.0kN/m2,组合值系数Ψc=0.7,准永久值系数Ψq=0.4;走廊、楼梯可变荷载标准值2.5kN/m2,组合值系数Ψc=0.7,准永久值系数Ψq=0.5。4、设计内容试对组合楼盖和组合梁进行设计。2二、结构布置主体结构拟采用横向框架承重方案,横向刚接、纵向铰接;在③轴和④轴之间设置十字形交叉中心支撑,如图1-2所示,纵向形成框架-支撑体系。框架梁、柱均采用H型钢,框架柱截面形心与纵横轴线重合。楼板拟采用压型钢板-混凝土组合楼板,在○A与○B轴之间及○C与○D轴之间沿纵向布置一道次梁,压型钢板沿横向布置,最大跨度为3.3m。结构布置如图1-2所示。图1-2结构平面布置图三、组合楼盖设计组合楼盖设计包括组合板设计和组合梁设计,应考虑使用阶段和施工阶段的不同要求。1.组合板截面尺寸估选(1)压型钢板用于组合楼板的压型钢板净厚度(不包括涂层)不应小于0.75mm,也不得超过1.6mm,一般宜取1.0mm。波槽平均宽度(对闭口式压型钢板为上口槽宽)不应小于50mm;当在槽内设置栓钉时,压型钢板的总高度不应大于80mm。3根据上述构造要求,选用型号为YX70-200-600的压型钢板,厚度1.2mm,展开宽度1000mm,截面尺寸如图1-3所示。重量g=16.2kg/m,有效截面惯性矩Ief=1.28×106mm4/m,有效截面抵抗矩Wef=3.596×104mm3/m,压型钢板截面基本尺寸如图1-3所示。压型钢板基材采用Q235级钢,设计强度f=205N/mm2。图1-3压型钢板截面基本尺寸(2)混凝土厚度hc组合板总厚度不应小于90mm,压型钢板顶面以上的混凝土厚度不应小于50mm。当压型钢板用做混凝土板底部受力钢筋时,还需进行防火保护,对于无防火保护层的开口压型钢板,顶面混凝土厚度不应小于80mm。此外,对于简支组合板的跨高比不宜大于25,连续组合板的跨高比不宜大于35。根据以上构造要求,压型钢板上混凝土厚度取hc=80mm(图1-4),此时压型钢板底部不需设置防火保护层。图1-4压型钢板-混凝土组合楼板断面尺寸示意2.压型钢板施工阶段的验算(1)计算简图计算单元取一个波宽,按强边(顺肋)方向的单向板计算正、负弯矩和挠度,对弱边(垂直肋)方向可以不进行计算。4施工阶段压型钢板的计算简图视实际支承跨数及跨度尺寸有关。但考虑到下料的不利情况,对○A~○B轴、○C~○D轴之间的压型钢板按两跨连续板计算,跨度3.3m;对○B~○C轴之间的压型钢板按单跨简支板计算,跨度2.0m。计算简图如图1-5所示。图1-5压型钢板计算简图a)○A~○B轴、○C~○D轴b)○B~○C轴(2)荷载计算施工阶段压型钢板作为浇筑混凝土的底模,一般不设置支撑,由压型钢板承担组合楼板自重和施工荷载。施工阶段验算时应考虑下列荷载:1)永久荷载标准值混凝土自重标准值[2)07.005.0(m×0.07m+0.20m×0.08m]×25kN/m3=0.505kN/m1.0mm压型钢板自重16.2×9.8×6.02.0×10-3kN/m=0.053kN/m小计gk=0.558kN/m2)可变荷载标准值施工荷载qk=1.0kN×0.2m=0.20kN/m3)荷载组合标准组合值Pk=0.558kN/m+0.20kN/m=0.758kN/m基本组合值P=1.2gk+1.4qk=1.2×0.558kN/m+1.4×0.20kN/m=0.95kN/m(3)内力计算○A~○B轴、○C~○D轴间:跨中最大正弯矩Mmax=0.125pl2=0.125×0.95×3.32=1.29KN·m支座最大弯矩Mmax=-0.125pl2=-0.125×0.95×3.32=-1.29KN·m○B~○C轴间:5Mmax=81pl2=81×0.95×2.02=0.46KN·m(3)抗弯强度验算σ=efwMmax=4610596.31029.1=35.87N/mm2

1、当您付费下载文档后,您只拥有了使用权限,并不意味着购买了版权,文档只能用于自身使用,不得用于其他商业用途(如 [转卖]进行直接盈利或[编辑后售卖]进行间接盈利)。
2、本站所有内容均由合作方或网友上传,本站不对文档的完整性、权威性及其观点立场正确性做任何保证或承诺!文档内容仅供研究参考,付费前请自行鉴别。
3、如文档内容存在违规,或者侵犯商业秘密、侵犯著作权等,请点击“违规举报”。

碎片内容

组合楼盖设计

您可能关注的文档

确认删除?
微信客服
  • 扫码咨询
会员Q群
  • 会员专属群点击这里加入QQ群