电脑桌面
添加小米粒文库到电脑桌面
安装后可以在桌面快捷访问

综合布线系统检验批质量验收记录VIP免费

综合布线系统检验批质量验收记录_第1页
1/9
综合布线系统检验批质量验收记录_第2页
2/9
综合布线系统检验批质量验收记录_第3页
3/9
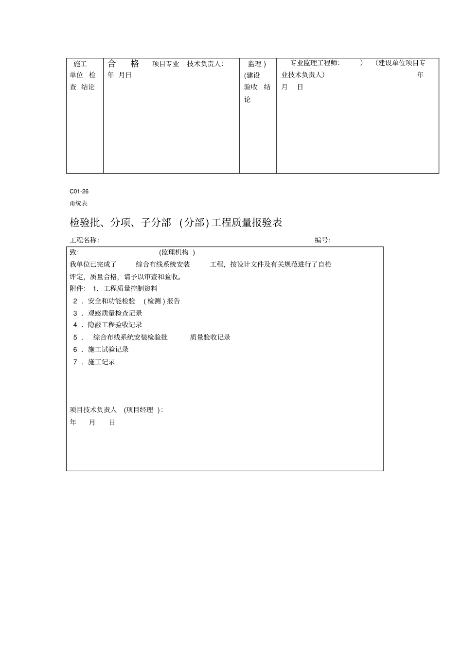
综合布线系统分项工程质量验收记录07-06-01编号:(GB50339-2003)表E.0.1工程名称框架/钢结构类型结构检验批数5施工单位项目经理项目技术负责人分包单位//分包单位负责人分包项目经理/序号检验批部位、区段施工单位检查评定结果监理(建设)单位验收结论1室外格合2弱电机房、监控机房合格3辅房一层合格4辅房二层格合5辅房三层格合检验批质量检查记录完整施工单位检查结论合格项目专业技术负责人:年月日监理)(建设验收结论专业监理工程师:)(建设单位项目专业技术负责人)年月日C01-26甬统表.检验批、分项、子分部(分部)工程质量报验表工程名称:编号:致:(监理机构)我单位已完成了综合布线系统安装工程,按设计文件及有关规范进行了自检评定,质量合格,请予以审查和验收。附件:1.工程质量控制资料2.安全和功能检验(检测)报告3.观感质量检查记录4.隐蔽工程验收记录5.综合布线系统安装检验批质量验收记录6.施工试验记录7.施工记录项目技术负责人(项目经理):年月日项目监理机构意见:专业(总)监理工程师:年月日本表由施工单位填报,经项目监理机构审查签认后,建设单位、监理单位、施工单位各存一份。综合布线系统检验批质量验收记录070601001编号:)GB50339-2003(.工程名称分项工程名称综合布线系统项目经理施工单位验收部位外室施工执行标准及编号GB50339-2003专业工长(施工员)分包单位/分包项目经理//施工班组长定范的规量验收规质施工单位自检记录监理(建设)单位验收记录主控项目1缆线敷设和终接的检测应符合规定条9.2.1符合要求2光缆的检测应符合建筑群子系统电、要求条9.2.2符合要求3机柜、机架、配线架安装检测应符合要求条9.2.3符合要求4信息插座安装在活动地板或地面上时,接线盒应严密防水、防尘9.2.4条符合要求一般项目1缆线终接应符合规定9.2.5条符合要求2各类跳线的终接应符合规定9.2.6条符合要求3机柜、机架、配线架安装检测应符合要求条9.2.7符合要求4信息插座安装接应符合规定9.2.8条符合要求5光缆芯线终端的连接盒面板应有标志9.2.9条符合要求据操作依施工收记录质量验施工单位检查结果评定合格项目专业项目专业质量检查员(签名):技术负责人(签名):年月日监理(建设)单位验收结论专业监理工程师(签名):(建设单位项目专业技术负责人(签名):年月日注:本表由施工项目专业质量检查员填写;专业监理工程师(建设单位项目专业技术负责人)组织项目专业质量(技术)负责人等进行验收;综合布线系统检验批质量验收记录070601002编号:)GB50339-2003(.工程名称分项工程名称项目经理施工单位验收部位弱电机房、监控机房施工执行标准及编号GB50339-2003专业工长(施工员)分包单位/分包项目经理//施工班组长的规定验收规范量质施工单位自检记录监理(建设)单位验收记录主控项目1缆线敷设和终接的检测应符合规定条9.2.1符合要求2光缆的检测应符合建筑群子系统电、要求条9.2.2符合要求3机柜、机架、配线架安装检测应符合要求条9.2.3符合要求4信息插座安装在活动地板或地面上时,接线盒应严密防水、防尘条9.2.4符合要求一般项目1缆线终接应符合规定9.2.5条符合要求2各类跳线的终接应符合规定9.2.6条符合要求3机柜、机架、配线架安装检测应符合要求9.2.7条符合要求4信息插座安装接应符合规定9.2.8条符合要求5光缆芯线终端的连接盒面板应有标志9.2.9条符合要求据操作依施工收记录质量验施工单位检查结果评定合格项目专业项目专业质量检查员(签名):技术负责人(签名):年月日监理(建设)单位验收结论专业监理工程师(签名):(建设单位项目专业技术负责人(签名):年月日注:本表由施工项目专业质量检查员填写;专业监理工程师(建设单位项目专业技术负责人)组织项目专业质量(技术)负责人等进行验收;综合布线系统检验批质量验收记录070601003编号:)GB50339-2003(.工程名称分项工程名称综合布线系统项目经理施工单位验收部位辅房一层施工执行标准及编号GB50339-2003专业工长(施工员)分包单位/分包项目经理//施工班组长定范的规量验收规质施工单位自检记录监理(建设)单位验收记录主控项目1缆线敷设和终接的检测应符合规...

1、当您付费下载文档后,您只拥有了使用权限,并不意味着购买了版权,文档只能用于自身使用,不得用于其他商业用途(如 [转卖]进行直接盈利或[编辑后售卖]进行间接盈利)。
2、本站所有内容均由合作方或网友上传,本站不对文档的完整性、权威性及其观点立场正确性做任何保证或承诺!文档内容仅供研究参考,付费前请自行鉴别。
3、如文档内容存在违规,或者侵犯商业秘密、侵犯著作权等,请点击“违规举报”。

碎片内容

综合布线系统检验批质量验收记录

您可能关注的文档

确认删除?
VIP
微信客服
  • 扫码咨询
会员Q群
  • 会员专属群点击这里加入QQ群
客服邮箱
回到顶部