电脑桌面
添加小米粒文库到电脑桌面
安装后可以在桌面快捷访问

联系测量误差预计VIP免费

联系测量误差预计_第1页
1/39
联系测量误差预计_第2页
2/39
联系测量误差预计_第3页
3/39
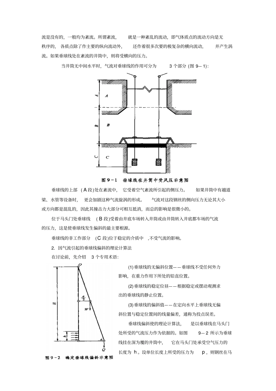
第九章联系测量的精度分析在前面讨论一井和两井定向时.对投点和连接都提出了一些要求.这里将对这些要求的制定依据进行讨论,并对陀螺经纬仪定向的精度进行分析。根据《煤矿测量规程》要求,一井两次独立定向所算得的井下定向边的方位角之差,不应超过2,则一次定向的允许误差是22。若采用两倍中误差作为允许误差,则一次定向的中误差为242220M此误差由井上的连接误差上m、投向误差和井下的连接误差下m共3部分组成。故2220下上mmM(9—1)一般情况下,一井定向的投向误差和连接误差大致相等,即222下上mm。则投向误差不应大于下列数值0322420M(9—2)若井上与井下的连接误差相等时,则12203下上mm(9—3)下面根据上述精度要求,对用垂球线投点的投点误差、投向误差、一井定向和两井定向的误差加以分析。第一节投点和投向误差分析一、用垂球线投点的误差来源及估算方法在井筒中用垂球线投点的误差的主要来源:①气流对垂球线和垂球的作用;②滴水对垂球线的影响;②钢丝的弹性作用;④垂球线的摆动面和标尺面不平行;⑤垂球线的附生摆动。(一)气流对垂球线和垂球的作用1.井筒中气流的动态井筒中的空气都是处于运动状态中,而其运动的速度取决于矿内风量的大小。经研究证明,井筒中的气流是引起垂球线偏斜的主要根源。井筒越深,这个影响就越突出。由气体运动学知道,井筒内气流的运动存在着层流和紊流两种极不相同助状态。当气体是处于层流时,各质点的运动方向平行于管道中线,彼此各不相扰地同方向前进。所以若垂球线是处在层流气流的井筒中,这种气流对其不产生偏斜影响。但实验研究表明,当井筒直径为2~5m时,只有风速小于0.016m/s才能出现层流。因此,在实际的矿井通风的条件下层流是没有的,一般均为紊流。所谓紊流,就是一种紊乱的流动,即气体质点的流动方向是无秩序的,各质点除了作主要的纵向流动外,还作着很多次要的极复杂的横向流动,并产生涡流。如果垂球线处在紊流的井筒中,则将受横向的压力。当井筒无中间水平时,气流对垂球线的作用可分为3个部分(图9—1):垂球线的上部(A段)处在紊流中,它受着空气紊流所引起的侧压力。如果井筒中有越道梁、水管等设备时,更会加剧这种气流旋涡的形成。气流对这段钢丝的侧向压力无论其大小或方向都是混乱的,因此其撞击力大部分可相互抵消,而总的影响是很微小的。位于马头门处垂球线(B段)受着由井底车场转入井筒或由井筒转入井底都车场的气流的压力,这是使垂球线发生偏斜的最主要根源。垂球线的非工作部分(C段)位于稳定的介质中,不受气流的影响。2.因气流引起的垂球线偏斜的理论计算法在讨论前,先介绍3个专用术语:(1)垂球线的无偏斜位置——垂球线不受任何外力影响,在重力作用下所处的铅直位置。(2)垂球线的稳定位昼——根据稳定或摆动观测求出的垂球线的静止位置。(3)垂球线的偏斜值——在定向水平上垂球线无偏斜位置与稳定位置间的线量偏差,通称为投点误差。垂球线偏斜使的理论计算法,是以垂球线在马头门处所受的气流压力作为依据的。如图9—2所示为垂球线挂在深为覆的井筒中,它在马头门处承受空气压力的长度为h。设单位长度上所受的压力为p,则钢丝在马头门处所受的空气压力为ph,并设集中作用在h的中点(即2/h)处,则可求得气流压力对O点的力矩为21hHphM略去2/h后,得phHM1(9—4)设Q为垂球的重量,e为垂球线的偏斜值。则垂球对O点的重力力矩为eQM2(9—5)设钢丝的全重为W,并把钢丝看作绝对刚体,其重力力矩为WeM23(9—6)上述3个力矩应平衡,即321MMM亦即2WQephH由于钢丝重量W较之垂重Q小得多,可赂去不计,得QphHe(9—7)如果垂球也放置于气流中,设其所受的侧压力为P,则钢丝的偏斜值为210QPphHc(9—8)当矿井中有几个中间水平且这些中间水平的气流都对垂球线有影咱时,则在每个水平上都成立这样的公式。故垂球线总的偏斜公式为QphHc(9—9)由公式(9—7)可知,垂球线因受气流的影响产生的偏斜值与吹求重量成反比,而与井深成正比。必须指出,公式(9—7)中钢丝受风压的长度值h,会因钢丝在井筒中的实际位置不同而不同。例如图9—3中,钢丝的悬挂位置离平巷与井筒交接处越远(图中Ⅲ位置),则钢丝所受气流压力的长度就越...

1、当您付费下载文档后,您只拥有了使用权限,并不意味着购买了版权,文档只能用于自身使用,不得用于其他商业用途(如 [转卖]进行直接盈利或[编辑后售卖]进行间接盈利)。
2、本站所有内容均由合作方或网友上传,本站不对文档的完整性、权威性及其观点立场正确性做任何保证或承诺!文档内容仅供研究参考,付费前请自行鉴别。
3、如文档内容存在违规,或者侵犯商业秘密、侵犯著作权等,请点击“违规举报”。

碎片内容

联系测量误差预计

您可能关注的文档

爱的疯狂+ 关注
实名认证
内容提供者

该用户很懒,什么也没介绍

确认删除?
VIP
微信客服
  • 扫码咨询
会员Q群
  • 会员专属群点击这里加入QQ群
客服邮箱
回到顶部