电脑桌面
添加小米粒文库到电脑桌面
安装后可以在桌面快捷访问

设计十七摇臂钻床控制器VIP免费

设计十七摇臂钻床控制器_第1页
1/3
设计十七摇臂钻床控制器_第2页
2/3
设计十七摇臂钻床控制器_第3页
3/3
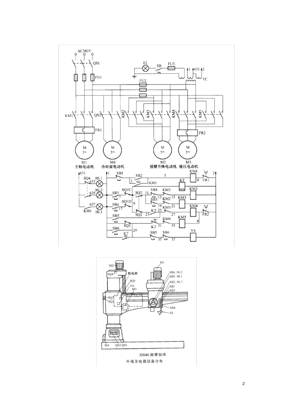
1设计7基于PLC的摇臂钻床控制设计一、控制要求Z3040摇臂钻床继电器原理图中380V交流电源经手动转换开关QSl,进入电动机主电路和控制电路的电源变压器TC。主轴电动机M1由接触器KMl控制,摇臂升降电动机M2由接触器KM2和KM3控制,液压电动机M3由接触器KM4和KM5控制,冷却泵电动机M4功率较小,由组合开关QS2手动控制。机床操动情况如下:(1)按下主轴起动按钮SB2,接触器KMl得电吸合且自保持,主轴电动机M1运转。按下停止按钮SBl,主轴电动机停止。(2)需要摇臂上升时,按下摇臂上升按钮SB3,时间继电器KT得电,其瞬动触头和瞬时闭合延时打开的动合触头使接触器KM4和电磁阀YA动作,液压电动机M3起动,液压油进入摇臂装置的油缸,使摇臂松开。待完全松开后,行程开关sQ2动作,其动断触头断开使接触器KM4断电释放,液压电动机M3停止运转,其动合触头接通使接触器KM2得电吸合,摇臂升降电动机M2正向起动,带动摇臂上升。上升到所需的位置后,松开上升按钮SB3,时间继电器KT、接触器KM2断电释放,摇臂升降电动M2停止运转,摇臂停止上升。延时l~3s后,时间继电器KT的动断触头闭合,动合触头断开,但由于夹紧到位行程开关SQ3动断触头处于导通状态,故YA继续处于吸合状态,接触器KM5吸合,液压电动机M3反向起动,向夹紧装置油缸中反向注油,使夹紧装置动作。夹紧完毕后,行程开关SQ3动作,接触器KM5断电释放,液压电动机M3停止运转,电磁阀YA断电。时问继电器KT的作用是适应SB3松开到摇臂停止上升之间的惯性时间,避免摇臂惯性上升中突然夹紧。(3)需要摇臂下降时,按下摇臂下降按钮SB4,动作过程与摇臂上升时相似。(4)立柱和主轴箱同时夹紧和同时松开。按下立柱和主轴箱松开按钮SB5,接触器KM4得电吸合,液压电动机:M3正向起动。由于电磁阀YA没有得电,处于释放状态,所以液压油经2位6通阀分配至立柱和主轴箱松开油缸,立柱和主轴箱夹紧装置松开。按下立柱和主轴箱夹紧按钮SB6,接触器KM5得电吸合,M3反向起动,液压油分配至立柱和主轴箱夹紧油缸,立柱和主轴箱夹紧装置夹紧。(5)摇臂升降限位保护是靠上下限位开关SQ1U和SQ1D实现的。上升到极限位置后,SQ1U动断触头断开,摇臂自动夹紧,同松开上升按钮SB3动作相同;下降到极限位置后,SQlD动断触头断开,摇臂自动夹紧,同松开下降按钮SB4动作相同。23二、设计任务学生根据控制要求,明确设计任务,拟定设计方案与进度计划,运用所学的理论知识,进行摇臂钻床控制器运行原理设计、硬件系统设计、软件系统设计、创新设计,提高理论知识工程应用能力、系统调试能力、分析问题与解决问题的能力。主要内容包括:1.设计出硬件系统的结构图、接线图、时序图等;2.系统有启动、停止功能;3.运用功能指令进行PLC控制程序设计,并有主程序、子程序和中断程序;4.程序结构与控制功能自行创新设计;5.进行系统调试,实现摇臂钻床控制器的控制要求。三、设计报告课程设计报告要做到层次清晰,论述清楚,图表正确,书写工整;详见“课程设计报告写作要求”。

1、当您付费下载文档后,您只拥有了使用权限,并不意味着购买了版权,文档只能用于自身使用,不得用于其他商业用途(如 [转卖]进行直接盈利或[编辑后售卖]进行间接盈利)。
2、本站所有内容均由合作方或网友上传,本站不对文档的完整性、权威性及其观点立场正确性做任何保证或承诺!文档内容仅供研究参考,付费前请自行鉴别。
3、如文档内容存在违规,或者侵犯商业秘密、侵犯著作权等,请点击“违规举报”。

碎片内容

设计十七摇臂钻床控制器

您可能关注的文档

文库当当响+ 关注
实名认证
内容提供者

该用户很懒,什么也没介绍

确认删除?
VIP
微信客服
  • 扫码咨询
会员Q群
  • 会员专属群点击这里加入QQ群
客服邮箱
回到顶部