电脑桌面
添加小米粒文库到电脑桌面
安装后可以在桌面快捷访问

实验仪器及用法VIP免费

实验仪器及用法_第1页
1/9
实验仪器及用法_第2页
2/9
实验仪器及用法_第3页
3/9
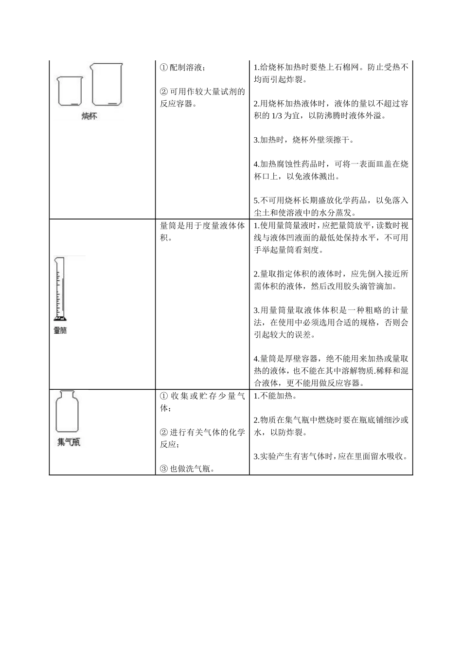
初中化学实验常用仪器的主要用途及注意事项仪器主要用途使用方法及注意事项①盛放少量固体或液体;②用作少量物质的反应容器。1.试管可以直接加热,加热时外壁不能有水。2.装液体时不超过试管容量的1/2,加热时不超过试管容量的1/3。3.加热时先使试管均匀受热,然后在试管有药品的部位集中加热。4.加热液体时试管应与水平面成45°,管口不要对着人。5.加热固体时,管口应向下倾斜。6.加热后的试管不能骤冷,防止炸裂。用来夹持试管。1.试管夹从试管底部向上套,取的时候也从试管下部取出,夹在试管口中上部。2.不应同时持握试管夹的长.短柄,以防无意间用力捏夹时使试管脱落。3.要防止烧损和腐蚀。①用于搅拌;②过滤时引流;③蘸取少量固体或液体。1.实验中使用的玻璃棒必须洁净,用过的玻璃棒必须用水洗涤后才能与另一种物质接触,以免污染试剂。2.使用玻璃棒搅拌液体时,应右手持棒,转动手腕,使玻璃棒在容器内绕圈转动,速度不可太快,且不要使玻璃棒和容器撞击,以防将容器打破或损坏玻璃棒。3.若用玻璃棒帮助转移液体时,应将盛放液体的容器口贴紧玻璃棒,棒的下端靠在接收容器的内壁上,使液体沿玻璃棒缓缓流下。酒精灯是化学实验加热时常用的热源。1.使用前应检查灯芯,灯芯顶端要平齐,其下端一定要浸润在酒精中。2.检查灯壶中酒精的量是否合适,酒精量应在灯壶容积的1/4到2/3之间。3.向灯壶内添加酒精时要使用漏斗,绝不能向燃着的灯内添加酒精。4.点燃酒精灯要用火柴或木条点燃,不准用燃着的另一个酒精灯去点火,以防使酒精洒出而失火。5.加热时应用酒精灯的外焰。6.熄灭酒精灯时应用灯帽盖灭,决不能用嘴吹灭酒精灯。7.实验时酒精灯应放稳,不要碰翻。万一洒出的酒精在桌上燃烧起来,应立即用湿抹布盖住或撒砂土扑灭。8.酒精灯不用时应及时熄灭,盖好灯帽,以免酒精挥发。胶头滴管用于吸取或滴加少量液体,滴瓶用于盛放液体药品。1.胶头滴管握持方法是用中指和无名指夹住玻璃管部分以保持稳定,用拇指和食指挤压胶头以控制试剂的吸入或滴加量。2.胶头滴管加液时,不能伸入容器,更不能接触容器。3.不能倒置,也不能平放于桌面上。应插入干净的瓶中或试管内。4.用完之后,立即用水洗净。严禁未清洗就吸取另一试剂。5.胶帽与玻璃滴管要结合紧密不漏气,若胶帽老化,要及时更换。①固定和支持各种仪器;②铁架台上铁圈放置漏斗进行过滤。1.旋动螺丝时不可用力过猛,以防夹破仪器。2.铁夹固定外径较小的容器时,可在铁夹两边套上胶管或缠上布条,以缩小铁夹的口径。3.在铁架台上固定仪器时,必须使零件跟铁架台的底座在同一侧,以免整个装置的重心超出底座而使铁架台翻倒。①配制溶液;②可用作较大量试剂的反应容器。1.给烧杯加热时要垫上石棉网。防止受热不均而引起炸裂。2.用烧杯加热液体时,液体的量以不超过容积的1/3为宜,以防沸腾时液体外溢。3.加热时,烧杯外壁须擦干。4.加热腐蚀性药品时,可将一表面皿盖在烧杯口上,以免液体溅出。5.不可用烧杯长期盛放化学药品,以免落入尘土和使溶液中的水分蒸发。量筒是用于度量液体体积。1.使用量筒量液时,应把量筒放平,读数时视线与液体凹液面的最低处保持水平,不可用手举起量筒看刻度。2.量取指定体积的液体时,应先倒入接近所需体积的液体,然后改用胶头滴管滴加。3.用量筒量取液体体积是一种粗略的计量法,在使用中必须选用合适的规格,否则会引起较大的误差。4.量筒是厚壁容器,绝不能用来加热或量取热的液体,也不能在其中溶解物质.稀释和混合液体,更不能用做反应容器。①收集或贮存少量气体;②进行有关气体的化学反应;③也做洗气瓶。1.不能加热。2.物质在集气瓶中燃烧时要在瓶底铺细沙或水,以防炸裂。3.实验产生有害气体时,应在里面留水吸收。托盘天平是用来粗略称量物质的质量。1.称量前应将天平放置平稳,并将游码左移至刻度尺的零处,检查天平是否平衡。2.称量物不能直接放在托盘上,应在2个托盘上分别放一张大小相同的同种纸,然后把要称量的试剂放在纸上称量。潮湿的或具有腐蚀性的物品必须放在玻璃容器(如表面皿.烧杯或称量瓶)里称量。3.把称量物放在左盘,砝码放在右盘,法码要用镊于夹取。先加...

1、当您付费下载文档后,您只拥有了使用权限,并不意味着购买了版权,文档只能用于自身使用,不得用于其他商业用途(如 [转卖]进行直接盈利或[编辑后售卖]进行间接盈利)。
2、本站所有内容均由合作方或网友上传,本站不对文档的完整性、权威性及其观点立场正确性做任何保证或承诺!文档内容仅供研究参考,付费前请自行鉴别。
3、如文档内容存在违规,或者侵犯商业秘密、侵犯著作权等,请点击“违规举报”。

碎片内容

实验仪器及用法

您可能关注的文档

确认删除?
VIP
微信客服
  • 扫码咨询
会员Q群
  • 会员专属群点击这里加入QQ群
客服邮箱
回到顶部