电脑桌面
添加小米粒文库到电脑桌面
安装后可以在桌面快捷访问

实验十三测定金属的电阻率VIP免费

实验十三测定金属的电阻率_第1页
1/3
实验十三测定金属的电阻率_第2页
2/3
实验十三测定金属的电阻率_第3页
3/3
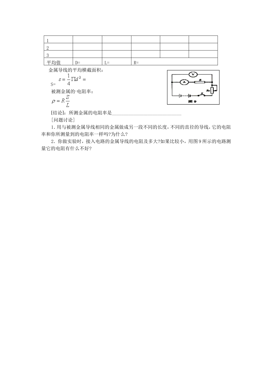
实验十三测定金属的电阻率[预习思考题]1电阻定律的内容是_________________________________________________2.如果用R表示导体的电阻,用l表示它的长度,S表示它的横截面积,用表示这种导体材料的电阻率,则电阻定律的表达式可以写成____________;由于R、s、L的单位分别是、M、m,所以电阻率的单位应该是____________________.3.是跟导体____________有关,它直接反映了材料________________性能的物理量.金属的电阻率都随它的温度升高而_______________4、通过阅读课文,弄清螺旋测微器的结构,理解它在测量长度时能准确到0.01mm,估计到0.001咖的原理.5.用螺旋测微器测量长度时,整的毫米数由_______读出,小数部分由_______读出,最后还应________读数.6.本实验根据什么原理?需要怎样的实验装置?要测定哪些量?这些量各用什么规格的仪器测量?实验得到的数据如何处理?[实验目的11.掌握根据电阻定律来测定金属电阻率的原理和方法;2.弄懂螺旋测微器的原理和使用方法.[实验器材]被测金属导线,螺旋测微器,米尺(带毫米刻度).电流表,电压表,电池,开关,导线,[实验步骤]1.通过观察及练习操作,弄清螺旋测微器的结构、原理及其使用方法.(1)结构:如图5所示.测砧A和固定刻度G固定在框架F上,旋钮K、微调旋钮K和可动刻度H、测微螺杆P连在一起,通过精密螺旋套在G上.(2)原理:螺旋测微器又叫千分尺,“测微”和“千分”意即用它测量长度可以准确到0.Olmm,再加上估计的一位数字,又可得到千分之一毫米(微米)位上的读数.它之所以有如此高的准确度,是因为利用了螺旋把微小的直线位移转化为角位移,并在较大的圆周上显示角位移量,精密螺杆P螺纹上的螺距虽然只是0.5mm,但与之相应的可动刻度所在圆周却很长,把圆周分为50等份,每一等份即为可动刻度相邻两刻度线间的距离,仍有可读的长度.例如,可动刻度的圆周长为。(3)使用方法:①检查零点,旋动K,让P靠近A,当P快要接触A时,旋动K,让A和P并拢,这时可动刻度的零点应恰好跟固定刻度C的零点重合,如果不重合,可以请老师帮助调整好,或者是在读数时,加上或减去相应的数值.②测量长度.例如量度金属丝直径时,先旋动旋钮K,将测微螺杆旋出,把被测金属丝放人A、P之间的夹缝中,再使A、P正好接触待测直径的两端(见图6),这时要注意当P快要接近被测物体时,要停止使用旋钮K,改用微调旋钮K,以保证户对被测物体有适当的压力,而不至于过大或过小,既保护了仪器又能保证测量结果的准确.③读数方法.整的毫米数由固定刻度G读出,小数部分则由可动刻度H上读出,要注意固定刻度尺上表示半毫米的刻度线是否已经露出,如果已经露出则需要加上0.5mm,最后还需要估计出最末一位数字.例如图7所示的读数是6.727mm(注意,图中表示半毫米的刻度线已露出,因此读数不是6.227mm!),并写上合适的单位.2.用螺旋测微器测量被测金属导线的直径.在导线的三个不同位置上各测量一次,并填人记录表格中,求出它们的平均值,就是金属丝的直径d.3.测量接人电路的导线长度L(注意,L是接人电路的长度,而不是整条导线的长度).用米尺测量三次,求出平均值.4.用伏安法测出金属导线的电阻.(1).按图8接好电路.图中R是步骤3中所量度的“接人电路”的导线.(2)检查电路是否接对,主要检查电压表是否和被测导体并联,电流表是否与被测导线串联;在电源正、负极接法确定后,检查电表的“+”、“—”接线柱与电路的连接是否接得正确.(3)接通开关,尽可能做到同时读出电压表和电流表的读数(可以两人合作),记在记录表格中.(4)改变变阻器滑片位置,以改变加到被测金属的导线两端的电压,重做步骤4(3).并记下三组电流强度和电压值.(5)根据欧姆定律,分别算出各次所测得的电阻值,并求出三次电阻的平均值,作为被测金属导线的电阻.5.把上述测得的金属导线的直径、接人电路的长度、电阻等代入电阻定律表达式中,计算出被测金属的电阻率.[注意事项]在给金属导体通电时,电流不宜太大,即在整个实验过程中,金属导线的温度不应有明显变化.(想想看,这是为什么?)[记录和计算]项目次序直径(mm)长度(m)电阻123平均值D=L=R=金属...

1、当您付费下载文档后,您只拥有了使用权限,并不意味着购买了版权,文档只能用于自身使用,不得用于其他商业用途(如 [转卖]进行直接盈利或[编辑后售卖]进行间接盈利)。
2、本站所有内容均由合作方或网友上传,本站不对文档的完整性、权威性及其观点立场正确性做任何保证或承诺!文档内容仅供研究参考,付费前请自行鉴别。
3、如文档内容存在违规,或者侵犯商业秘密、侵犯著作权等,请点击“违规举报”。

碎片内容

实验十三测定金属的电阻率

您可能关注的文档

精品文库+ 关注
实名认证
内容提供者

中小学课件教案小学资料大全

相关文档

确认删除?
VIP
微信客服
  • 扫码咨询
会员Q群
  • 会员专属群点击这里加入QQ群
客服邮箱
回到顶部