电脑桌面
添加小米粒文库到电脑桌面
安装后可以在桌面快捷访问

隧道打眼灌注作业施工方案VIP免费

隧道打眼灌注作业施工方案_第1页
1/5
隧道打眼灌注作业施工方案_第2页
2/5
隧道打眼灌注作业施工方案_第3页
3/5
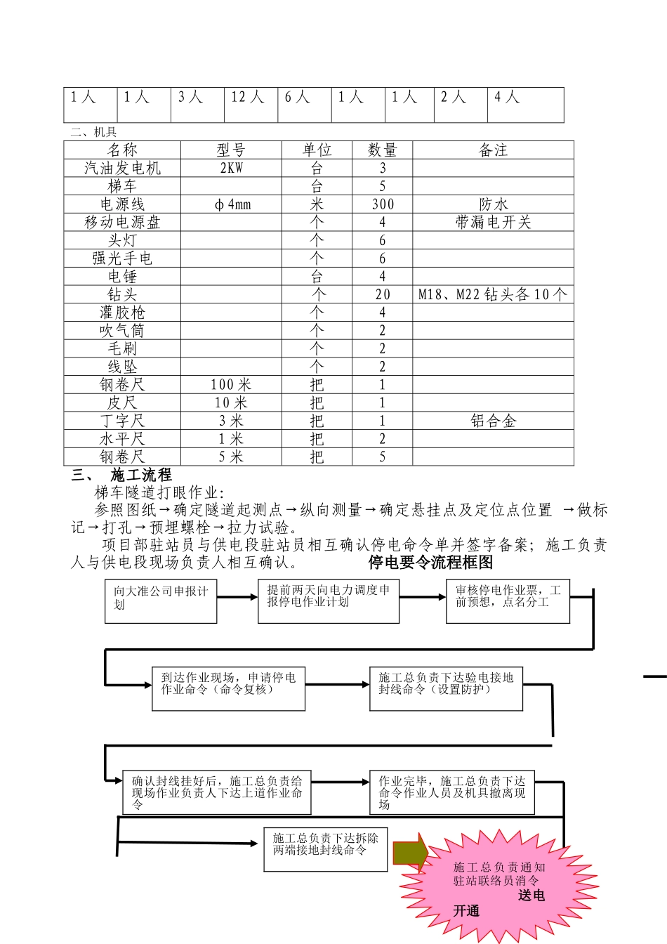
隧道打眼灌注作业施工方案作业地点:西哈拉1#隧道作业时间:2010.09.20(9:40—13:40)作业内容:西哈拉1#隧道打眼【窑沟站(含)-龙王渠区间K240+100-K243+313】作业数量:6处悬挂位置打眼,共计48个眼。地线位置:27.5KV挂地线位置:既有13#(窑沟方向),20#(龙王渠方向)一、人员安排及责任分工1、项目部人员分工(共计9人):(1)现场总负责:陈爽(2)现场负责:张志义(3)现场安全员:康路军(4)驻站联络员:张生文(5)现场技术员:苏亮(6)防护员:张晓强、秦信军、高升张晓强负责在山顶防护,高升负责在隧道口防护,秦信军负责在作业处防护。(7)提报计划及大准公司开协调会:宋雷18日申报计划,19日上午大准公司开施工协调会,项目部调度。负责每日申请上报封锁计划。2、作业队人员分工(共计16人)作业队总负责:陈宏第一作业组(计4人)组长:秦信军任务:负责测量工作,测量悬挂定位,定位点定位和回流线肩架定位使用工具:梯车,线坠,水平尺,皮尺,丁字尺,100m钢卷尺,5m钢卷尺,道尺,头灯,强光手电。第二作业组(计6人)组长:吴德保任务:负责400#、402#、404#三处位置的悬挂点、定位点和回流线肩架位置的打眼工作,共计24个眼使用工具:梯车,5m钢卷尺,电源线,移动电源盘,电锤,钻头,灌胶枪,吹气筒,毛刷,头灯,强光手电。使用材料:化学锚栓24套,锚固胶3管第三作业组(计6人)组长:秦信元任务:负责406#、408#和410#三处位置的悬挂点、定位点和回流线肩架位置的打眼工作,共计24个眼使用工具:梯车,5m钢卷尺,电源线,移动电源盘,电锤,钻头,灌胶枪,吹气筒,毛刷,头灯,强光手电。使用材料:化学锚栓24套,锚固胶3管点内施工人员:按两组打孔作业,一组测量布置现场负责驻站现场防护下部辅助上部作业现场安质现场技术现场带工挂接地线1人1人3人12人6人1人1人2人4人二、机具名称型号单位数量备注汽油发电机2KW台3梯车台5电源线φ4mm米300防水移动电源盘个4带漏电开关头灯个6强光手电个6电锤台4钻头个20M18、M22钻头各10个灌胶枪个4吹气筒个2毛刷个2线坠个2钢卷尺100米把1皮尺10米把1丁字尺3米把1铝合金水平尺1米把2钢卷尺5米把5三、施工流程梯车隧道打眼作业:参照图纸→确定隧道起测点→纵向测量→确定悬挂点及定位点位置→做标记→打孔→预埋螺栓→拉力试验。项目部驻站员与供电段驻站员相互确认停电命令单并签字备案;施工负责人与供电段现场负责人相互确认。停电要令流程框图向大准公司申报计划提前两天向电力调度申报停电作业计划审核停电作业票,工前预想,点名分工施工总负责下达验电接地封线命令(设置防护)确认封线挂好后,施工总负责给现场作业负责人下达上道作业命令到达作业现场,申请停电作业命令(命令复核)作业完毕,施工总负责下达命令作业人员及机具撤离现场施工总负责下达拆除两端接地封线命令施工总负责通知驻站联络员消令送电开通四、施工方法及质量要求1、参照图纸并与现场核对a、测出每个隧道的总长、按跨距平分后核对与图纸上给出的悬挂点数量是否相符。b、复查现场既有锚段关节及中锚位置是否与图纸相符,如不符可在±2米范围内调整、差距过大时须向设计反映,但必须保证原位置不变。2、测量定位纵向测量a、起测点位于隧道口顶部水平线与线路中心线的交点,按照图纸所给跨距依次纵向测量。b、悬挂定位点、定位点定位时,应避开隧道伸缩缝、不同断面裁缝、石缝或明显渗水、漏水的地方。c、在悬挂点及定位点处的隧道壁上用红油漆标记,因是既有隧道要把标记处清扫干净再做标记。横向测量a、悬挂定位:将丁字尺卡在定位标记处的轨面上,用水平尺调平丁字尺,从隧道顶悬挂线坠,线坠对准线路中心线,找出隧道中心线,用皮尺测量出隧道顶距轨道高度H,将线坠向一侧移动,找出隧道壁到轨面高度为H-270的位置,该位置即为悬挂点的锚栓埋入位置,用同样的方法测出另一侧埋入杆的位置,遇有外轨超高、断面加宽处,应调整悬挂点高度以满足下面技术要求条款中所给出的相关数据,保证绝缘距离。b、定位点定位:定位点距悬挂点水平距离为2米,将丁字尺卡在该处并调平,根据定位埋入杆的设计高度6010mm,利用顶部绑有线坠和...

1、当您付费下载文档后,您只拥有了使用权限,并不意味着购买了版权,文档只能用于自身使用,不得用于其他商业用途(如 [转卖]进行直接盈利或[编辑后售卖]进行间接盈利)。
2、本站所有内容均由合作方或网友上传,本站不对文档的完整性、权威性及其观点立场正确性做任何保证或承诺!文档内容仅供研究参考,付费前请自行鉴别。
3、如文档内容存在违规,或者侵犯商业秘密、侵犯著作权等,请点击“违规举报”。

碎片内容

隧道打眼灌注作业施工方案

您可能关注的文档

精品文库+ 关注
实名认证
内容提供者

超级好的教育资料

确认删除?
VIP
微信客服
  • 扫码咨询
会员Q群
  • 会员专属群点击这里加入QQ群
客服邮箱
回到顶部