电脑桌面
添加小米粒文库到电脑桌面
安装后可以在桌面快捷访问

2学期孔、内螺纹、端面槽VIP免费

2学期孔、内螺纹、端面槽_第1页
1/14
2学期孔、内螺纹、端面槽_第2页
2/14
2学期孔、内螺纹、端面槽_第3页
3/14
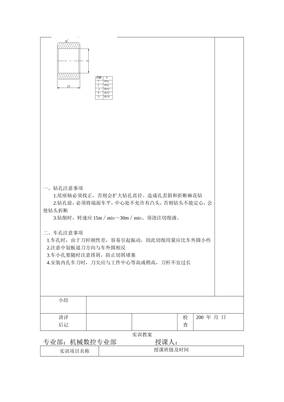
专业部:机械数控专业部授课人:实训项目名称授课班级及时间班级日期星期节次应到实到迟到缺席套类零件实训子项目名称轴套项目训练目标加强安全意识掌握钻孔、镗孔的加工方法及注意事项项目训练场地设备普车实训室;普通车床实训项目材料45钢准备的理论知识(或实训指导书)《车工技能实训》《车工工艺与技能实训项目教程》实训工艺规范要求要求学生明确实作室的规章制度;统一图纸、图样分析、尺寸分析、制定合理的车削加工方法,严格按图纸工艺要求车削加工零件。实训安全教育为保证实训过程中的人身安全和设备安全学生进入实作室着装要整齐,要服从老师安排,严格遵守机床操作规程。操作时戴好防护眼镜。实训内容与时间安排1、整队集合,清点人数2、安全教育,强调纪律和安全3、教师讲解轴套的车削要领和注意事项4、教师示范操作5、学生分组进行操作练习6、教师巡回指导,个别和集中辅导,发现错误立即纠正巡回指导与信息反馈实训教案专业部:机械数控专业部授课人:讲稿备注一、钻孔注意事项1.尾座轴必须找正,否则会扩大钻孔直径、造成孔歪斜和折断麻花钻2.钻孔前,必须将端面车平,中心处不允许有凸头,否则钻头不能定心,会使钻头折断3.钻削时,转速应15m∕min~30m∕min、须浇注切削液。二、车孔注意事项1.车孔时,由于刀杆刚性差,容易引起振动,因此切削用量应比车外圆小些2.注意中划板退刀方向与车外圆相反3.车小孔要随时注意排屑,防止切屑堵塞4.安装内孔车刀时,刀尖应与工件中心等高或稍高,刀杆不宜过长小结讲评后记检查200年月日实训教案专业部:机械数控专业部授课人:实训项目名称授课班级及时间班级日期星期节次应到实到迟到缺席实训子项目名称镗台阶孔项目训练目标加强安全意识掌握台阶孔的加工方法及尺寸控制。项目训练场地设备普车实训室;普通车床实训项目材料45钢准备的理论知识(或实训指导书)《车工技能实训》《车工工艺与技能实训项目教程》实训工艺规范要求要求学生明确实作室的规章制度;统一图纸、图样分析、尺寸分析、制定合理的车削加工方法,严格按图纸工艺要求车削加工零件。实训安全教育为保证实训过程中的人身安全和设备安全学生进入实作室着装要整齐,要服从老师安排,严格遵守机床操作规程。操作时戴好防护眼镜。实训内容与时间安排1、整队集合,清点人数2、安全教育,强调纪律和安全3、教师讲解台阶孔的车削要领和注意事项4、教师示范操作5、学生分组进行操作练习6、教师巡回指导,个别和集中辅导,发现错误立即纠正巡回指导与信息反馈实训教案专业部:机械数控专业部授课人:讲稿备注零件图量具准备:游标卡尺钢板尺刀具准备:90度外圆车刀切断刀镗孔刀等加工步骤:A件:1.装夹工件,伸出长为40mm左右。2.粗精车外圆Φ28±0.05,并倒角。3.用Φ12~16麻花钻钻孔4.粗精镗Φ18孔至尺寸要求。5.粗精镗Φ22孔至尺寸要求6.倒角,切断7.调头装夹,平断面保证总长30mm,倒角B件:1.装夹工件,伸出长为35mm左右。2.平断面。3.粗精车外圆Φ22至尺寸要求4.粗精车外圆Φ18孔至尺寸要求5.倒角,切断。6.调头装夹,平断面保证总长30mm,倒角小结讲评后记检查200年月日实训教案专业部:机械数控专业部授课人:实训项目名称授课班级及时间班级日期星期节次应到实到迟到缺席套类零件实训子项目名称内三角螺纹车削项目训练目标加强安全意识;掌握内三角螺纹的相关计算、加工工艺、注意事项,控制各部分尺寸。项目训练场地设备普车实训室;普通车床实训项目材料45钢准备的理论知识(或实训指导书)《车工技能实训》《车工工艺与技能实训项目教程》实训工艺规范要求要求学生明确实作室的规章制度;统一图纸、图样分析、尺寸分析、制定合理的车削加工方法,严格按图纸工艺要求车削加工零件。实训安全教育为保证实训过程中的人身安全和设备安全学生进入实作室着装要整齐,要服从老师安排,严格遵守机床操作规程。操作时戴好防护眼镜。实训内容与时间安排1整队集合,清点人数2安全教育,强调纪律和安全3教师讲解内三角螺纹的车削要领和注意事项4教师示范操作5学生分组进行操作练习6教师巡回指导,个别和集中辅导,发现错误立即纠正巡回指导与信息反馈实训教案专...

1、当您付费下载文档后,您只拥有了使用权限,并不意味着购买了版权,文档只能用于自身使用,不得用于其他商业用途(如 [转卖]进行直接盈利或[编辑后售卖]进行间接盈利)。
2、本站所有内容均由合作方或网友上传,本站不对文档的完整性、权威性及其观点立场正确性做任何保证或承诺!文档内容仅供研究参考,付费前请自行鉴别。
3、如文档内容存在违规,或者侵犯商业秘密、侵犯著作权等,请点击“违规举报”。

碎片内容

2学期孔、内螺纹、端面槽

您可能关注的文档

确认删除?
VIP
微信客服
  • 扫码咨询
会员Q群
  • 会员专属群点击这里加入QQ群
客服邮箱
回到顶部