电脑桌面
添加小米粒文库到电脑桌面
安装后可以在桌面快捷访问

设备清单(1)VIP免费

设备清单(1)_第1页
1/8
设备清单(1)_第2页
2/8
设备清单(1)_第3页
3/8
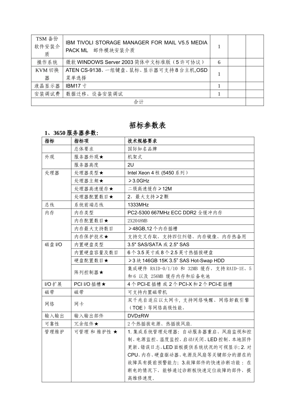
设备清单品牌型号配置数量单价合计IBMSystemxx3650机架服务器标配2个四核IntelXeonX5450处理器(3.0GHz,120W,1333MHz前端总线),集成12MB(2X6MB)二级缓存,Intel5000p芯片组;标配4GPC2-5300全缓冲DIMMs(DDR2-667)内存,最高支持32GB,共8个内存插槽,支持4:1和2:1交错、内存镜像和在线备用,256MB电池保护高速缓存,支持RAID0/1/5/6,集成双千兆网卡,带TCP/IPOffload引擎,通过可选的许可证可实现加速Iscsi,五个PCI-Express扩展槽:3个x4pciExpress,2个x8PCIExpress,8个小尺寸热插拔SAS/SATA硬盘槽位,2个835W热插拔冗余电源,6个热插拔冗余风扇,超薄DVD+RW,2U机架式/3年保修。23个146GB15KSAS3.5”热插拔硬盘1块ServeRAID-8kSAScontroiier(256MB)阵列控制器IBMSystemxx3650机架服务器标配1个四核IntelXeonX5420处理器(2.5GHz,120W,1333MHz前端总线),集成12MB(2X6MB)二级缓存,Intel5000p芯片组;标配4GPC2-5300全缓冲DIMMs(DDR2-667)内存,最高支持32GB,共8个内存插槽,支持4:1和2:1交错、内存镜像和在线备用,256MB电池保护高速缓存,支持RAID0/1/5/6,集成双千兆网卡,带TCP/IPOffload引擎,通过可选的许可证可实现加速Iscsi,五个PCI-Express扩展槽:3个x4pciExpress,2个x8PCIExpress8个小尺寸热插拔SAS/SATA硬盘槽位,2个835W热插拔冗余电源,6个热插拔冗余风扇,超薄DVD+RW,2U机架式/3年保修。33个146GB15KSAS3.5”热插拔硬盘1块ServeRAID-8kSAScontroiier(256MB)阵列控制器IBMSystemxx3250机架服务器英特尔XEONE3120(3.16GHz/6MB/1333MHz)配置2GPC2-5300CL5ECCDDR2SDRAM内存、2*146GB15KRPM3.5”Simple-SwapSASHDD、支持RAID0/1、DVD+RW、标配双千兆网卡、标准电源配置350W、1U机架式1IBMDS3200磁盘阵列每个控制器1GB缓存;最大支持64个主机;带12颗硬盘插槽;2*3MSASCABLE;2*PCI-ESASHBA冗余电源/IBMMSA25*300GB3G15Krpm3.5英寸双端口SAS硬盘1TSM备份软件(备份主模块)IBMTIVOLISTORAGEREXTENDEDEDITION10PROCESSORVALUEUNITS(PVUS)LICENSE+SWSUBSCRIPTION&SUPPORT12MONTHS8TSM备份软件安装介质)IBMTIVOLISTORAGEMANAGEREXTENDEDEDITIONV5.5MEDIAPACKML基本模块安装介质1TSM备份软件(邮件备份模块)IBMTIVOLISTORAGEMANAGERFORMAIL10PROCESSORVALUEUNITS(PVUS)LICENSE+SWSUBSCRIPTION&SUPPORT12MONTHS(1CPU邮件模块)5TSM备份软件安装介质IBMTIVOLISTORAGEMANAGERFORMAILV5.5MEDIAPACKML邮件模块安装介质1操作系统微软WINDOWSServer2003简体中文标准版(5许可协议)6KVM切换器ATENCS-9138、一组键盘、鼠标、显示器可支持8台主机,OSD菜单选择1液晶显示器IBM17寸1安装调试费数据迁移、设备安装调试1合计招标参数表1、3650服务器参数:指标指标项技术规格要求总体要求国际知名品牌外观服务器外观★机架式服务器高度2U处理器处理器类型★IntelXeon4核(5450系列)处理器主频★≥3.0GHz处理器高速缓存★二级高速缓存≥12M处理器配置数目★2,最大支持≥2颗总线系统前端总线1333MHz内存内存类型PC2-5300667MHzECCDDR2全缓冲内存内存配置数目★2X2048MB内存最大支持数目≥48GB,12个内存插槽内存保护技术★支持交叉存取,支持四位纠错、内存镜像、内存热备用磁盘I/O内置硬盘类型3.5"SAS/SATA或2.5"SAS内置硬盘容量及数目6个3.5英寸或8个2.5英寸热插拔硬盘硬盘配置数目★≥3块146GB15K3.5”SASHot-SwapHDD阵列控制器★集成硬件RAID-0/1/10和32MB缓存,支持RAID-1E、5和6以及256MB缓存内存和后备电池I/O扩展PCII/O插槽★4个PCI-E插槽或2个PCI-X和2个PCI-E插槽磁带磁带可支持内置磁带机网络网卡双千兆自适应以太网卡,支持网络唤醒、网络卸载引擎(TOE)等网络高级性能,输入输出输入输出部件DVD±RW可靠性冗余组件★2个热插拔电源、热插拔风扇.管理维护可管理和维护性★1.集成系统管理处理器:自动服务器重启、风扇监视和控制、电源监控、温度监控、启动/关闭、LED控制、本地固件更新、错误日志,LED面板提供系统状况的可视显示;2.对CPU、内存、硬盘驱动器、电源及风扇等关键部分的潜在的故障具有提前预警能力;3.故障部件的快速诊断功能:在断电的情况下,能够通...

1、当您付费下载文档后,您只拥有了使用权限,并不意味着购买了版权,文档只能用于自身使用,不得用于其他商业用途(如 [转卖]进行直接盈利或[编辑后售卖]进行间接盈利)。
2、本站所有内容均由合作方或网友上传,本站不对文档的完整性、权威性及其观点立场正确性做任何保证或承诺!文档内容仅供研究参考,付费前请自行鉴别。
3、如文档内容存在违规,或者侵犯商业秘密、侵犯著作权等,请点击“违规举报”。

碎片内容

您可能关注的文档

确认删除?
VIP
微信客服
  • 扫码咨询
会员Q群
  • 会员专属群点击这里加入QQ群
客服邮箱
回到顶部