电脑桌面
添加小米粒文库到电脑桌面
安装后可以在桌面快捷访问

高考数学二轮专题复习 大题规范练(五)文-人教版高三全册数学试题VIP免费

高考数学二轮专题复习 大题规范练(五)文-人教版高三全册数学试题_第1页
1/4
高考数学二轮专题复习 大题规范练(五)文-人教版高三全册数学试题_第2页
2/4
高考数学二轮专题复习 大题规范练(五)文-人教版高三全册数学试题_第3页
3/4
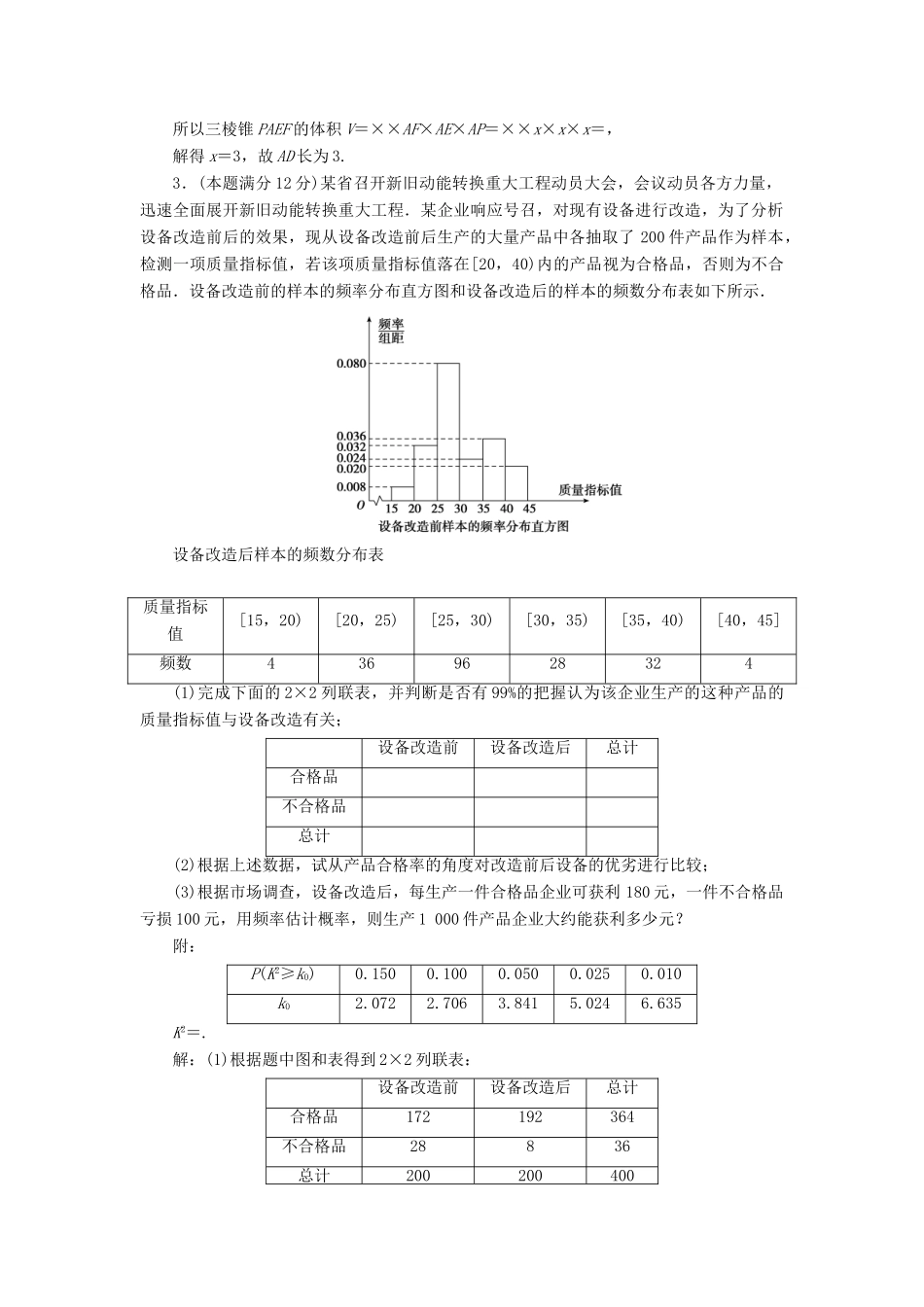
大题规范练(五)解答题:解答应写出文字说明、证明过程或演算步骤.1.(本题满分12分)已知△ABC的内角A,B,C的对边分别为a,b,c,asincos=bsincosA.(1)求角A;(2)若a=2,求△ABC的周长的取值范围.解:(1)在△ABC中,因为asincos=bsincosA,所以asinB=bcosA,根据正弦定理,得sinAsinB=sinBcosA,因为sinB≠0,所以tanA=,因为0<A<π,所以A=.(2)由(1)知,A=,根据正弦定理==,得===,所以b+c=(sinB+sinC)====4sin.因为0<B<,<B+<,所以<sin≤1,所以2<b+c≤4,所以4<a+b+c≤6,所以△ABC的周长的取值范围为(4,6].2.(本题满分12分)在四棱锥PABCD中,底面ABCD是矩形,PA⊥平面ABCD,△PAD是等腰三角形,AB=2AD,E是AB上一点,且三棱锥PBCE与四棱锥PADCE的体积之比为1∶2,CE与DA的延长线交于点F,连接PF.(1)求证:平面PCD⊥平面PAD;(2)若三棱锥PAEF的体积为,求线段AD的长.解:(1)因为PA⊥平面ABCD,CD⊂平面ABCD,所以PA⊥CD.又底面ABCD是矩形,所以AD⊥CD.因为PA∩AD=A,所以CD⊥平面PAD.因为CD⊂平面PCD,所以平面PCD⊥平面PAD.(2)不妨设AP=AD=x,则AB=2AD=2x,BC=x.因为三棱锥PBCE与四棱锥PADCE的体积之比为1∶2,所以=,得=,得=,得BE=2AE.则BE=,AE=.易知△AEF∽△BEC,则==.则AF=x.所以三棱锥PAEF的体积V=××AF×AE×AP=××x×x×x=,解得x=3,故AD长为3.3.(本题满分12分)某省召开新旧动能转换重大工程动员大会,会议动员各方力量,迅速全面展开新旧动能转换重大工程.某企业响应号召,对现有设备进行改造,为了分析设备改造前后的效果,现从设备改造前后生产的大量产品中各抽取了200件产品作为样本,检测一项质量指标值,若该项质量指标值落在[20,40)内的产品视为合格品,否则为不合格品.设备改造前的样本的频率分布直方图和设备改造后的样本的频数分布表如下所示.设备改造后样本的频数分布表质量指标值[15,20)[20,25)[25,30)[30,35)[35,40)[40,45]频数4369628324(1)完成下面的2×2列联表,并判断是否有99%的把握认为该企业生产的这种产品的质量指标值与设备改造有关;设备改造前设备改造后总计合格品不合格品总计(2)根据上述数据,试从产品合格率的角度对改造前后设备的优劣进行比较;(3)根据市场调查,设备改造后,每生产一件合格品企业可获利180元,一件不合格品亏损100元,用频率估计概率,则生产1000件产品企业大约能获利多少元?附:P(K2≥k0)0.1500.1000.0500.0250.010k02.0722.7063.8415.0246.635K2=.解:(1)根据题中图和表得到2×2列联表:设备改造前设备改造后总计合格品172192364不合格品28836总计200200400将2×2列联表中的数据代入公式计算得K2=≈12.210, 12.210>6.635,∴有99%的把握认为该企业生产的这种产品的质量指标值与设备改造有关.(2)根据题中图和表可知,设备改造后产品的合格率约为=,设备改造前产品的合格率约为=,即设备改造后产品的合格率更高,因此,设备改造后性能更好.(3)用频率估计概率,1000件产品中大约有960件合格品,40件不合格品,则180×960-100×40=168800,∴该企业大约获利168800元.选考题:共10分.请考生在第4、5题中任选一题作答.如果多做,则按所做的第一题计分.4.(本题满分10分)[选修4-4:坐标系与参数方程]已知曲线C1的极坐标方程为ρ=2cos,曲线C2的极坐标方程为ρcos=2.(1)把曲线C1,C2的极坐标方程化为直角坐标方程,并判断C1,C2的位置关系;(2)斜率为-的直线l交曲线C1于A,B两点,求△AOB(O为坐标原点)的面积的最大值.解:(1)C1:ρ2=2ρ⇒x2+y2=x+y,即+=1.C2:ρ=2⇒x+y-4=0.圆C1的圆心到直线C2的距离为=1,等于圆C1的半径,故C1,C2相切.(2)设直线l:x+y+c=0,则圆心C1到直线l的距离d=<1⇒-4<c<0,则|AB|=2=,原点O到直线l的距离d1=,所以S△AOB=|AB|·d1=·=·.令f(c)=-4c3-c4,则f′(c)=-12c2-4c3=-4c2(3+c),在(-4,-3)上,f′(c)>0,在(-3,0)上,f′(c)<0,故当c=-3时,S△AOB取得最大值,且最大值为.5.(本题满分10分)[选修4-5:不等式选讲]已知函数f(x)=|2x-1|+|...

1、当您付费下载文档后,您只拥有了使用权限,并不意味着购买了版权,文档只能用于自身使用,不得用于其他商业用途(如 [转卖]进行直接盈利或[编辑后售卖]进行间接盈利)。
2、本站所有内容均由合作方或网友上传,本站不对文档的完整性、权威性及其观点立场正确性做任何保证或承诺!文档内容仅供研究参考,付费前请自行鉴别。
3、如文档内容存在违规,或者侵犯商业秘密、侵犯著作权等,请点击“违规举报”。

碎片内容

高考数学二轮专题复习 大题规范练(五)文-人教版高三全册数学试题

确认删除?
VIP
微信客服
  • 扫码咨询
会员Q群
  • 会员专属群点击这里加入QQ群
客服邮箱
回到顶部