电脑桌面
添加小米粒文库到电脑桌面
安装后可以在桌面快捷访问

金属工艺学试题及答案VIP免费

金属工艺学试题及答案_第1页
1/8
金属工艺学试题及答案_第2页
2/8
金属工艺学试题及答案_第3页
3/8
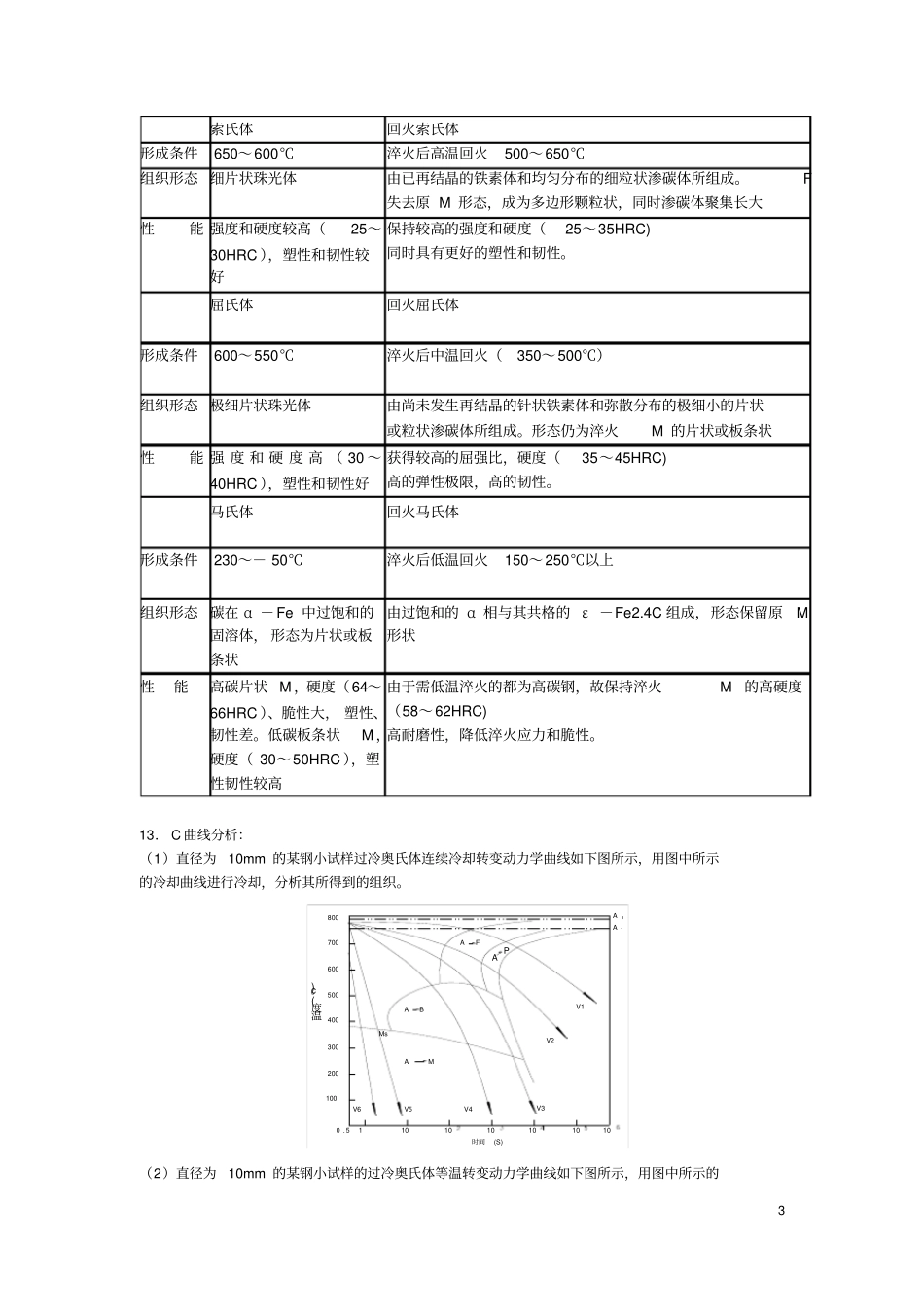
1一、简答题1.将钟表发条拉直是弹性变形还是塑性变形?怎样判别它的变形性质?2.下列符号表示的力学性能指标的名称和含义是什么?σb、σs、σ0.2、σ-1、δ、αk、HRC、HBS、HBW3.什么是同素异构转变?试画出纯铁的冷却曲线,分析曲线中出现“平台”的原因。室温和1100℃时的纯铁晶格有什么不同?4.金属结晶的基本规律是什么?晶核的形成率和成长速度受到哪些因素的影响?5.常用的金属晶体结构有哪几种?它们的原子排列和晶格常数各有什么特点?α-Fe、γ-Fe、Al、Cu、Ni、Pb、Cr、V、Mg、Zn各属何种晶体结构?6.什么是固溶强化?造成固溶强化的原因是什么?7.将20kg纯铜与30kg纯镍熔化后缓慢冷却到如图所示温度T1,求此时:(1)两相的成分;(2)两相的重量比;(3)各相的相对重量(4)各相的重量。8.某合金如下图所示:标出(1)-(3)区域中存在的相;(2)标出(4)、(5)区域中的组织;2(3)相图中包括哪几种转变?写出它们的反应式。9.今有两个形状相同的铜镍合金铸件,一个含Ni90%,一个含Ni50%,铸后自然冷却,问凝固后哪个铸件的偏析较为严重?如何消除偏析?10.按下面所设条件,示意地绘出合金的相图,并填出各区域的相组分和组织组分,以及画出合金的力学性能与该相图的关系曲线。设C、D两组元在液态时能互相溶解,D组元熔点是C组元的4/5,在固态时能形成共晶,共晶温度是C组元熔点的2/5,共晶成分为ωD=30%;C组元在D组元中有限固溶,形成α固溶体。溶解度在共晶温度时为ωC=25%,室温时ωC=10%,D组元在C组元中不能溶解;C组元的硬度比D组元高。计算ωD=40%合金刚完成共晶转变时,组织组成物及其百分含量。11.分析在缓慢冷却条件下,45钢和T10钢的结晶过程和室温的相组成和组织组成。并计算室温下组织的相对量。12.试比较索氏体和回火索氏体,托氏体和回火托氏体,马氏体和回火马氏体之间在形成条件、组织形态、性能上的主要区别。3索氏体回火索氏体形成条件650~600℃淬火后高温回火500~650℃组织形态细片状珠光体由已再结晶的铁素体和均匀分布的细粒状渗碳体所组成。F失去原M形态,成为多边形颗粒状,同时渗碳体聚集长大性能强度和硬度较高(25~30HRC),塑性和韧性较好保持较高的强度和硬度(25~35HRC)同时具有更好的塑性和韧性。屈氏体回火屈氏体形成条件600~550℃淬火后中温回火(350~500℃)组织形态极细片状珠光体由尚未发生再结晶的针状铁素体和弥散分布的极细小的片状或粒状渗碳体所组成。形态仍为淬火M的片状或板条状性能强度和硬度高(30~40HRC),塑性和韧性好获得较高的屈强比,硬度(35~45HRC)高的弹性极限,高的韧性。马氏体回火马氏体形成条件230~-50℃淬火后低温回火150~250℃以上组织形态碳在α-Fe中过饱和的固溶体,形态为片状或板条状由过饱和的α相与其共格的ε-Fe2.4C组成,形态保留原M形状性能高碳片状M,硬度(64~66HRC)、脆性大,塑性、韧性差。低碳板条状M,硬度(30~50HRC),塑性韧性较高由于需低温淬火的都为高碳钢,故保持淬火M的高硬度(58~62HRC)高耐磨性,降低淬火应力和脆性。13.C曲线分析:(1)直径为10mm的某钢小试样过冷奥氏体连续冷却转变动力学曲线如下图所示,用图中所示的冷却曲线进行冷却,分析其所得到的组织。(2)直径为10mm的某钢小试样的过冷奥氏体等温转变动力学曲线如下图所示,用图中所示的AFV4时间(S)3000.51001V6200AM10V510温度(°c)500400600800700ABMs101010V310V1APV2A1A34冷却曲线进行冷却,分析其所得到的组织。14.现有45号钢材料,(1)请根据铁碳合金相图,画出合金从液态冷却到室温的温度-时间曲线,并写出各个阶段的组织转变过程;(2)请分别选择大批或小批生产小轴零件两种合适的热处理方案;(3)在TTT曲线上画出这两种热处理方案的工艺曲线,并分别标出其室温时的组织状态;(2)力学性能要求一般的小轴零件,采用正火热处理方案;力学性能要求较高的小轴零件采用调质热处理方案。因为正火索氏体呈片状,高温回火得到的回火索氏体呈颗粒状,力学性能比正火索氏体好。(3)V1为正火热处理方案,其室温组织为F+SV2为调质热处理中的淬火,然后高温回火;其...

1、当您付费下载文档后,您只拥有了使用权限,并不意味着购买了版权,文档只能用于自身使用,不得用于其他商业用途(如 [转卖]进行直接盈利或[编辑后售卖]进行间接盈利)。
2、本站所有内容均由合作方或网友上传,本站不对文档的完整性、权威性及其观点立场正确性做任何保证或承诺!文档内容仅供研究参考,付费前请自行鉴别。
3、如文档内容存在违规,或者侵犯商业秘密、侵犯著作权等,请点击“违规举报”。

碎片内容

金属工艺学试题及答案

文库当当响+ 关注
实名认证
内容提供者

该用户很懒,什么也没介绍

确认删除?
VIP
微信客服
  • 扫码咨询
会员Q群
  • 会员专属群点击这里加入QQ群
客服邮箱
回到顶部