电脑桌面
添加小米粒文库到电脑桌面
安装后可以在桌面快捷访问

雨污水管道报验资料全套VIP免费

雨污水管道报验资料全套_第1页
1/27
雨污水管道报验资料全套_第2页
2/27
雨污水管道报验资料全套_第3页
3/27
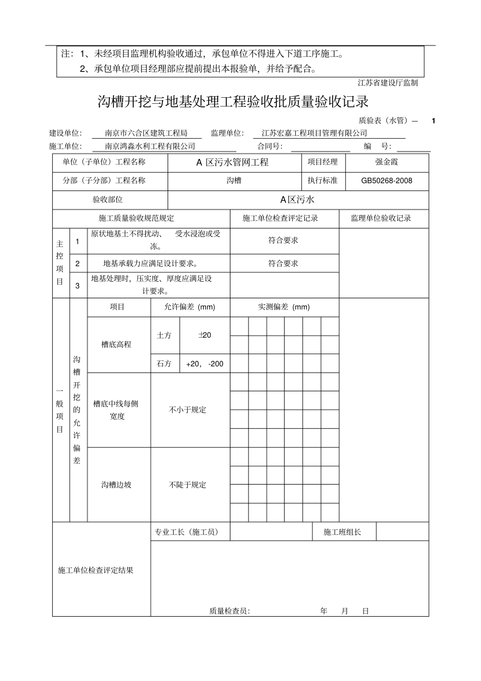
A3.5工序质量报验单工程名称:六合区社会福编号:A3.5—致:江苏宏嘉工程项目管理有限公司(监理单位)兹报验:□1道路单位工程■2排水管道单位工程□11路基□21井点□22沟槽□12基层□23平基□24安管□13面层□25检查井□26闭水□14附属构筑物□27回填□□3桥梁单位工程□31土石方□子分部/分项/检验批名称:沟槽开挖部位:A区验收时间:本次申报内容系第1次申报,本项目部经理部已完成自检工作且资料完整,并呈报相应资料。承包单位项目经理部(章):项目经理:日期:项目监理机构签收人姓名及时间承包单位签收人姓名及时间监理抽查数据及情况记录:1、收到施工相应自评/检查资料和验收记录表共页,收到时间:2、检查人:日期:监理审查意见:□可进行后续施工。□检核未通过,不得进入下道工序施工,整改后再报。项目监理机构(章):专业监理工程师:日期:注:1、未经项目监理机构验收通过,承包单位不得进入下道工序施工。2、承包单位项目经理部应提前提出本报验单,并给予配合。江苏省建设厅监制沟槽开挖与地基处理工程验收批质量验收记录质验表(水管)—1建设单位:南京市六合区建筑工程局监理单位:江苏宏嘉工程项目管理有限公司施工单位:南京鸿淼水利工程有限公司合同号:编号:单位(子单位)工程名称A区污水管网工程项目经理强金霞分部(子分部)工程名称沟槽执行标准GB50268-2008验收部位A区污水施工质量验收规范规定施工单位检查评定记录监理单位验收记录主控项目1原状地基土不得扰动、受水浸泡或受冻。符合要求2地基承载力应满足设计要求。符合要求3地基处理时,压实度、厚度应满足设计要求。一般项目沟槽开挖的允许偏差项目允许偏差(mm)实测偏差(mm)槽底高程土方±20石方+20,-200槽底中线每侧宽度不小于规定沟槽边坡不陡于规定施工单位检查评定结果专业工长(施工员)施工班组长质量检查员:年月日监理单位验收结论专业监理工程师:年月日南京市市政公用工程质量安全监督站监制预检工程检查记录质检表(水管)—2建设单位:南京市六合区建筑工程局监理单位:江苏宏嘉工程项目管理有限公司施工单位:南京鸿淼水利工程有限公司合同号:编号:单位(子单位)工程名称A区污水管网工程预检日期年月日检查项目沟槽预检部位A区污水预检内容1、原状地基土是否扰动、受水浸泡或受冻2、地基承载力3、槽底高程4、槽底中线每侧宽度5、沟槽边坡检查情况1、原状地基土未扰动、未受水浸泡或受冻2、地基承载力符合要求3、槽底高程符合要求4、槽底中线每侧宽度符合要求5、沟槽边坡符合要求处理意见参加检查人员签字施工项目技术负责人测量员质量检查员施工员班组长填表人南京市市政公用工程质量安全监督站监制隐蔽工程检查验收记录质检表(水管)—3建设单位:南京市六合区建筑工程局监理单位:江苏宏嘉工程项目管理有限公司施工单位:南京鸿淼水利工程有限公司合同号:编号:单位(子单位)工程名称A区污水管网工程预检日期年月日隐检项目沟槽隐检范围A区污水检查内容1、原状地基土是否扰动、受水浸泡或受冻2、地基承载力3、槽底高程4、槽底中线每侧宽度5、沟槽边坡检查情况符合设计规范要求。验收意见处理情况及结论复查人:年月日监理单位施工项目技术负责人质量检查员南京市市政公用工程质量安全监督站监制A3.5工序质量报验单工程名称:六合区社会福利院一期工程、六合区残疾人托养中心和残疾人康复中心建设项目室外道路及管网工程编号:A3.5—致:江苏宏嘉工程项目管理有限公司(监理单位)兹报验:□1道路单位工程■2排水管道单位工程□11路基□21井点□22沟槽□12基层□23平基□24安管□13面层□25检查井□26闭水□14附属构筑物□27回填□□3桥梁单位工程□31土石方□子分部/分项/检验批名称:垫层部位:A区验收时间:本次申报内容系第1次申报,本项目部经理部已完成自检工作且资料完整,并呈报相应资料。承包单位项目经理部(章):项目经理:日期:项目监理机构签收人姓名及时间承包单位签收人姓名及时间监理抽查数据及情况记录:1、收到施工相应自评/检查资料和验收记录表共页,收到时间:2、检查人:日期:监理审查意见:□可进行后续施工。□检核未通过,不得进入...

1、当您付费下载文档后,您只拥有了使用权限,并不意味着购买了版权,文档只能用于自身使用,不得用于其他商业用途(如 [转卖]进行直接盈利或[编辑后售卖]进行间接盈利)。
2、本站所有内容均由合作方或网友上传,本站不对文档的完整性、权威性及其观点立场正确性做任何保证或承诺!文档内容仅供研究参考,付费前请自行鉴别。
3、如文档内容存在违规,或者侵犯商业秘密、侵犯著作权等,请点击“违规举报”。

碎片内容

雨污水管道报验资料全套

您可能关注的文档

确认删除?
VIP
微信客服
  • 扫码咨询
会员Q群
  • 会员专属群点击这里加入QQ群
客服邮箱
回到顶部