电脑桌面
添加小米粒文库到电脑桌面
安装后可以在桌面快捷访问

风管安装方案VIP免费

风管安装方案_第1页
1/25
风管安装方案_第2页
2/25
风管安装方案_第3页
3/25
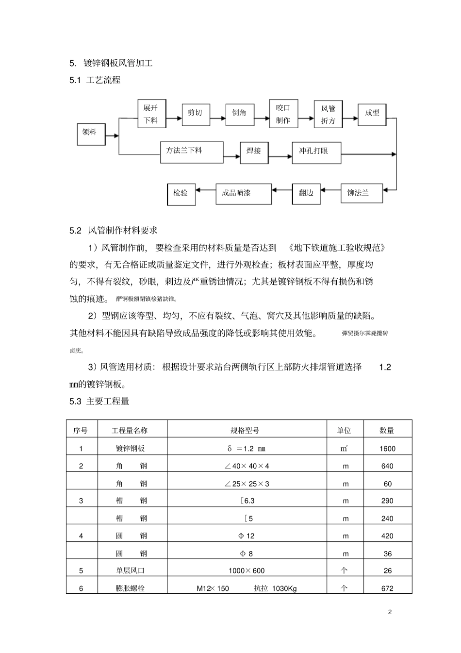
1站台公共区走行轨上部排烟风管安装方案1.编制依据1.1《北京地铁1、2号线车辆、设备消隐改造改造图纸》(阜成站的暖通图)1.2《地下铁道工程施工及验收规范》(GB50299—1999)1.3《通风与空调工程施工质量及验收规范》(GB50243—2002)1.4《建筑设备施工安装图集》91SB6-12、施工概述本方案所述内容为北京地铁2号线消隐改造工程18个车站站台两侧轨行区上部防火排烟管道的安装施工方案。轨行区上部防火排烟矩形风管其尺寸为1000×1500,从15轴到26轴为两排风管道平行安装,靠墙管道在19、20、21、22、25、26纵轴均布6个1000×600的单层排风口,在16~17轴处安装2800×2350×1850静压箱,在18轴处内侧风管上安装1台电动调节阀。26轴之后为单风管乙字弯变位后靠墙向南延伸直至南端站厅,在27、28、29、32、33、34、35纵轴均布7个1000×600的单层排风口。排烟风管安装位置顶距300㎜,墙距450㎜,两管边距200㎜。内环两风管站台侧边距200㎜处平行安装一根500×300排风管。矚慫润厲钐瘗睞枥庑赖。3.施工特点该处由于列车的高速穿行,在地铁站区内形成强劲的活塞式气流,这对于悬吊在站台两侧轨行区上部的大口径防火排烟管道来说就像不停的经受着来自各个方向的外力推动,摇晃、颠簸、震动,所以安装在该处的防火排烟风道及其部件必须坚固、防震。聞創沟燴鐺險爱氇谴净。4.施工程序残骛楼諍锩瀨濟溆塹籟。测量放线风管排列制作吊架设置吊点法兰连接(垫料、穿螺丝)吊架安装风管加工风管运输搭设安全平台风管安装就位25.镀锌钢板风管加工5.1工艺流程5.2风管制作材料要求1)风管制作前,要检查采用的材料质量是否达到《地下铁道施工验收规范》的要求,有无合格证或质量鉴定文件,进行外观检查;板材表面应平整,厚度均匀,不得有裂纹,砂眼,刺边及严重锈蚀情况;尤其是镀锌钢板不得有损伤和锈蚀的痕迹。酽锕极額閉镇桧猪訣锥。2)型钢应该等型、均匀,不应有裂纹、气泡、窝穴及其他影响质量的缺陷。其他材料不能因具有缺陷导致成品强度的降低或影响其使用效能。彈贸摄尔霁毙攬砖卤庑。3)风管选用材质:根据设计要求站台两侧轨行区上部防火排烟管道选择1.2㎜的镀锌钢板。5.3主要工程量序号工程量名称规格型号单位数量1镀锌钢板δ=1.2㎜㎡16002角钢∠40×40×4m640角钢∠25×25×3m603槽钢[6.3m290槽钢[5m2404圆钢Φ12m420圆钢Φ8m365单层风口1000×600个266膨胀螺栓M12×150抗拉1030Kg个672领料展开下料剪切倒角咬口制作风管折方成型方法兰下料焊接冲孔打眼铆法兰翻边成品喷漆检验35.4公共区风管制作工艺本工程站台走行轨风管制作工艺为镀锌钢板咬口制作,风管间连接采用角钢法兰连接。5.5风管加工安装要求1)站台走行轨上部排烟风管每个管段加工长度为1200㎜,排烟风管的两端采用∠40×40×4的角钢做连接法兰。加工时考虑到双排风管之间的间距较小,不能拧紧法兰螺栓,所以将第六节的风管的其中一端采用内置法兰,为确保排烟风管的流通面积,将风管沿高度方向加宽100㎜,即该处排烟风管最终定型尺寸为1000×1600×1200㎜,但26轴以后还恢复原设计尺寸。謀荞抟箧飆鐸怼类蒋薔。2)站台走行轨上部排烟风管大边长度为1600,所以必须采取加固措施。方法是在大边半腰上水平用角钢做加固。加固角钢规格略小于角钢法兰规格,参考下表,角钢框、角钢与风管采用镀锌铆钉铆接。厦礴恳蹒骈時盡继價骚。风管角钢法兰规格加固角钢框规格25×425×430×425×440×430×43)制作金属风管时,矩形风管的四角组合采用联合角咬口,金属板材的拼接。风管拼接处,咬口处及法兰翻边处的缝隙均应用密封胶封严。茕桢广鳓鯡选块网羈泪。4)加工、运输过程中要注意保护钢板的镀锌层。5)金属风管的制作,其外径或外边长的允许偏差:当小于或等于300mm时为-1~0mm;当大于300mm时-2~0mm。其法兰内径或内边长尺寸的允许偏差为+1~+3mm,平面度的允许偏差为2mm。矩形法兰两对角线之差不应大于3mm。鹅娅尽損鹌惨歷茏鴛賴。6)风管的密封,以板材连接的密封为主,以密封胶嵌缝方法密封为辅。密封胶性能应符合具体使用环境要求,密封面设在风管的正压侧。籟丛妈羥为贍偾蛏练淨。7)风管法兰螺栓及铆钉的间距,中...

1、当您付费下载文档后,您只拥有了使用权限,并不意味着购买了版权,文档只能用于自身使用,不得用于其他商业用途(如 [转卖]进行直接盈利或[编辑后售卖]进行间接盈利)。
2、本站所有内容均由合作方或网友上传,本站不对文档的完整性、权威性及其观点立场正确性做任何保证或承诺!文档内容仅供研究参考,付费前请自行鉴别。
3、如文档内容存在违规,或者侵犯商业秘密、侵犯著作权等,请点击“违规举报”。

碎片内容

风管安装方案

确认删除?
VIP
微信客服
  • 扫码咨询
会员Q群
  • 会员专属群点击这里加入QQ群
客服邮箱
回到顶部