电脑桌面
添加小米粒文库到电脑桌面
安装后可以在桌面快捷访问

高三高考物理练习使用多用电表专题复习VIP免费

高三高考物理练习使用多用电表专题复习_第1页
1/15
高三高考物理练习使用多用电表专题复习_第2页
2/15
高三高考物理练习使用多用电表专题复习_第3页
3/15
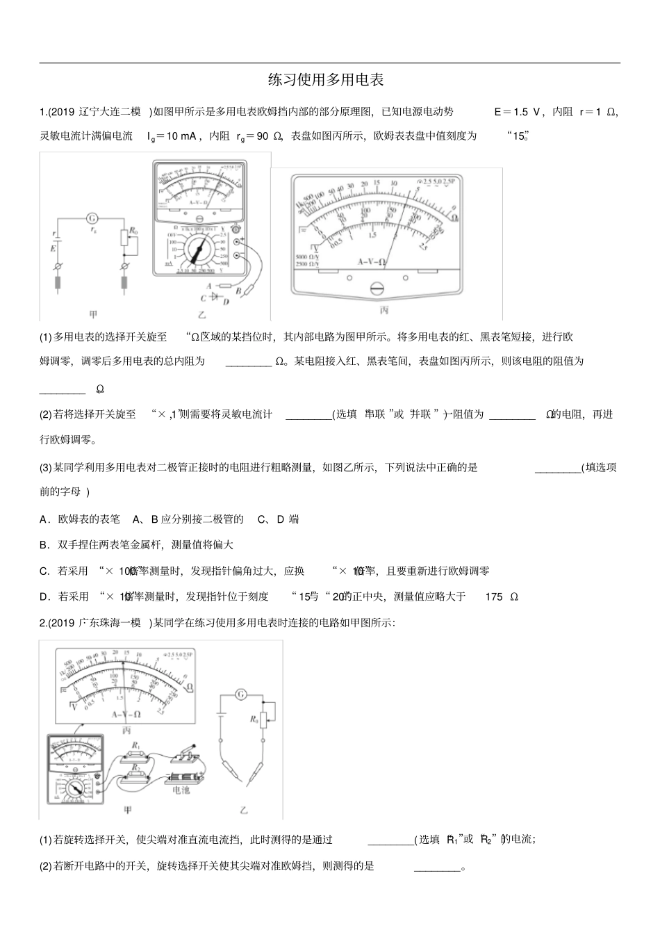
练习使用多用电表1.(2019·辽宁大连二模)如图甲所示是多用电表欧姆挡内部的部分原理图,已知电源电动势E=1.5V,内阻r=1Ω,灵敏电流计满偏电流Ig=10mA,内阻rg=90Ω,表盘如图丙所示,欧姆表表盘中值刻度为“15”。(1)多用电表的选择开关旋至“Ω”区域的某挡位时,其内部电路为图甲所示。将多用电表的红、黑表笔短接,进行欧姆调零,调零后多用电表的总内阻为________Ω。某电阻接入红、黑表笔间,表盘如图丙所示,则该电阻的阻值为________Ω。(2)若将选择开关旋至“×1”,则需要将灵敏电流计________(选填“串联”或“并联”)一阻值为________Ω的电阻,再进行欧姆调零。(3)某同学利用多用电表对二极管正接时的电阻进行粗略测量,如图乙所示,下列说法中正确的是________(填选项前的字母)A.欧姆表的表笔A、B应分别接二极管的C、D端B.双手捏住两表笔金属杆,测量值将偏大C.若采用“×100”倍率测量时,发现指针偏角过大,应换“×10”倍率,且要重新进行欧姆调零D.若采用“×10”倍率测量时,发现指针位于刻度“15”与“20”的正中央,测量值应略大于175Ω2.(2019·广东珠海一模)某同学在练习使用多用电表时连接的电路如甲图所示:(1)若旋转选择开关,使尖端对准直流电流挡,此时测得的是通过________(选填“R1”或“R2”)的电流;(2)若断开电路中的开关,旋转选择开关使其尖端对准欧姆挡,则测得的是________。A.R1的电阻B.R2的电阻C.R1和R2的串联电阻D.R1和R2的并联电阻(3)将选择倍率的旋钮拨至“×10”的挡时,测量时指针偏转角很大,为了提高测量的精确度,应将选择开关拨至________挡(选填“×100”或“×1”),将两根表笔短接调节调零旋钮,使指针停在0Ω刻度线上,然后将两根表笔分别接触待测电阻的两端,若此时指针偏转情况如图丙所示,则所测电阻大小为________Ω。(4)乙图是该多用表欧姆挡“×100”内部电路示意图,电流表满偏电流为1.0mA、内阻为10Ω,则该欧姆挡选用的电池电动势应该为________V。3.(2019·福建高中毕业班3月质检)某同学用内阻Rg=20Ω、满偏电流Ig=5mA的毫安表制作了一个简易欧姆表,电路如图甲,电阻刻度值尚未标注。(1)该同学先测量图甲中电源的电动势E,实验步骤如下:①将两表笔短接,调节R0使毫安表指针满偏;②将阻值为200Ω的电阻接在两表笔之间,此时毫安表指针位置如图乙所示,该示数为________mA;③计算得电源的电动势E=________V。(2)接着,他在电流刻度为5.00mA的位置标上0Ω,在电流刻度为2.00mA的位置标上________Ω,并在其他位置标上相应的电阻值。(3)该欧姆表用久后,电池老化造成电动势减小、内阻增大,但仍能进行欧姆调零,则用其测得的电阻值________真实值(填“大于”“等于”或“小于”)。(4)为了减小电池老化造成的误差,该同学用一电压表对原电阻刻度值进行修正。将欧姆表的两表笔短接,调节R0使指针满偏;再将电压表接在两表笔之间,此时电压表示数为1.16V,欧姆表示数为1200Ω,则电压表的内阻为________Ω,原电阻刻度值300Ω应修改为________Ω。4.(2019·山东泰安一模)如图为某同学组装完成的简易多用电表的电路图。图中E是电池;R1、R2、R3、R4和R5是固定电阻,R6是最大阻值为20kΩ的可变电阻;表头G的满偏电流为250μA,内阻为600Ω。虚线方框内为换挡开关。A端和B端分别与两表笔相连。该多用电表有5个挡位。5个挡位为:直流电压1V挡和5V挡,直流电流1mA挡和2.5mA挡,欧姆×1kΩ挡。(1)图中的A端与________(填“红”或“黑”)色表笔相连接。(2)关于R6的使用,下列说法正确的是________(填正确答案标号)。A.在使用多用电表之前,调整R6使电表指针指在表盘左端电流“0”位置B.使用欧姆挡时,先将两表笔短接,调整R6使电表指针指在表盘右端电阻“0”位置C.使用电流挡时,调整R6使电表指针尽可能指在表盘右端电流最大位置(3)要想使用直流电压1V挡,选择开关B应与________相连(填选择开关对应的数字)。(4)根据题给条件可得R1+R2=________Ω。(5)将选择开关与“3”相连,把表笔插入A、B并短接,滑动R6的滑片到最上端a处,表头G的指针指在表盘电流125μA处;滑动R6的滑片到最下端b处,表头G的指针指...

1、当您付费下载文档后,您只拥有了使用权限,并不意味着购买了版权,文档只能用于自身使用,不得用于其他商业用途(如 [转卖]进行直接盈利或[编辑后售卖]进行间接盈利)。
2、本站所有内容均由合作方或网友上传,本站不对文档的完整性、权威性及其观点立场正确性做任何保证或承诺!文档内容仅供研究参考,付费前请自行鉴别。
3、如文档内容存在违规,或者侵犯商业秘密、侵犯著作权等,请点击“违规举报”。

碎片内容

高三高考物理练习使用多用电表专题复习

爱的疯狂+ 关注
实名认证
内容提供者

该用户很懒,什么也没介绍

确认删除?
VIP
微信客服
  • 扫码咨询
会员Q群
  • 会员专属群点击这里加入QQ群
客服邮箱
回到顶部