电脑桌面
添加小米粒文库到电脑桌面
安装后可以在桌面快捷访问

高考化学考点复习:钠及其化合物的性质VIP免费

高考化学考点复习:钠及其化合物的性质_第1页
1/11
高考化学考点复习:钠及其化合物的性质_第2页
2/11
高考化学考点复习:钠及其化合物的性质_第3页
3/11
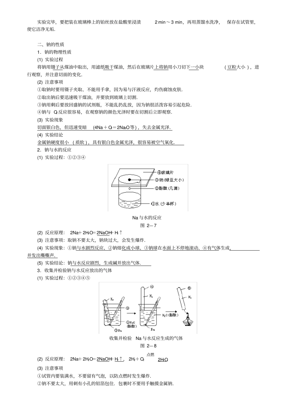
钠及其化合物的性质1.复习重点1.从钠原子结构特征认识钠的化学性质;2NaO和22NaO的对比,23NaCO与3NaHCO比较;碱金属元素的原子结构及物理性质比较2.对实验现象的分析及钠的化学性质;23NaCO与3NaHCO的鉴别,23NaCO和3NaHCO之间的除杂问题2.难点聚焦一.钠的性质(1)钠的物理性质及钠跟水的反应新切开的钠的断面是光亮的银白色,易跟氧起反应,但产物较复杂,如氧化钠(Na2O)、过氧化钠(Na2O2)等.金属钠跟水反应生成氢气的实验,用拇指堵住试管口倒放入烧杯中,这样的操作对学生来讲,不熟练可能会使一部分空气进入试管.所以在正式做收集气体的实验之前,教师可安排学生练习几次放入试管的操作.如果操作还是有困难,可用一个与试管口大小合适的橡皮塞堵住试管口,放入水中后再拔去橡皮塞.本实验也可以用水槽代替烧杯,这样口径比较大,操作方便.注意在实验时不能取用较大的钠块.这是因为钠的性质很活泼,它跟水反应时放出大量的热,甚至能使周围的水沸腾,因此钠同时也跟水蒸气反应.如果在水面上游动的钠被容器壁上的油污粘住,不能游动,放出的热不易扩散,会使氢气着火燃烧,甚至还会发生小爆炸,使生成的氢氧化钠飞溅出来.(2)钠与氧气的反应在做钠与氧气反应的实验时,为了保证倾斜的空气能够流通,玻璃管不能太细,而且装入玻璃管中的钠粒不能太大.待玻璃管中的钠受热溶化并开始燃烧时,稍稍倾斜玻璃管即可看到燃烧后由白色变为黄色的过程.实验时如果没有太粗的玻璃管,也可用去底的试管代替.注意本实验中所用的钠块,应去掉其表面的氧化物,否则燃烧时会使试管壁显黑色,影响对实验现象的观察.2.碳酸氢钠受热分解碳酸氢钠粉末在试管中应铺平些,这样受热比较均匀,分解也比较完全,澄清的石灰水变浑浊后,应将盛石灰水的试管移去,因为若通入过多的二氧化碳,会使生成的碳酸钙变成碳酸氢钙而溶解于水中,使浑浊现象消失.当实验结束时,一定要先移去装有石灰水的烧杯,再熄灭酒精灯,以防止水倒流,使试管炸裂.3.碳酸钠和碳酸氢钠与酸的反应本实验也可采用下述方法进行:取相同式样的100mL细口瓶两只,各注入25mL1.0moL·L-1HCl溶液.再取两只气球,一只装入1.0g无水碳酸钠,另一只装入1.0g碳酸氢钠,分别套在两只细口瓶的口上.实验时,掀起两只气球,使里面的固体全部落到细口瓶里的盐酸中,比较反应的剧烈程度,碳酸氢钠的反应剧烈得多,碳酸氢钠放出的气体也比碳酸钠多.4.焰色反应这个实验是以不同的碱金属盐类呈现各自的特征焰色为基础的,为了能够便于观察,最好用无色火焰,所以用煤气灯较好,因煤气灯的火焰本身颜色较微弱,干扰较小.一般酒精灯火焰呈杂色,可向学生作适当说明,每做一次实验,都要把铂丝重新用稀盐酸和蒸馏水反复洗净,再在火焰上灼烧至无色,才可继续做实验.做焰色反应实验时,要把蘸有金属化合物溶液的铂丝放在灯焰外焰上灼烧,使形成的火焰较长,焰色反应现象比较明显.焰色反应实验也可采用下述方法进行:在铁丝(或玻璃棒)一端捆少量棉花,蘸些酒精,在酒精灯火焰上点燃,向燃着的棉花上滴钠盐或钾盐的溶液.如无铂丝,可用无锈洁净的铁丝代替,也能得到较好的效果.做焰色反应实验时,溶液的浓度大一些为好,浓度太小呈现的焰色很快消去,不易观察,做实验时,可以用铂丝蘸一些蒸馏水后再蘸一些盐的粉末,然后进行灼烧,这样效果更明显.实验完毕,要把装在玻璃棒上的铂丝放在盐酸里浸渍2min~3min,再用蒸馏水洗净,保存在试管里,使它洁净无垢.二、钠的性质1.钠的物理性质(1)实验过程将钠用镊子从煤油中取出,用滤纸吸干煤油,然后在玻璃片上将钠用小刀切下一小块(豆粒大小),进行观察,并注意切面的变化.(2)注意事项①取钠时要用镊子夹取、不能用手拿,因为易与汗液反应,灼伤腐蚀皮肤.②取出钠后要迅速吸干煤油,并要放到玻璃上切割.③钠用剩后要放回盛钠的试剂瓶,不能乱扔乱放,因为钠很活泼容易引起危险.④钠与O2反应很容易,在观察钠的颜色光泽时要在切割后立即观察.(3)实验现象切面银白色,但迅速变暗(4Na+O2=2Na2O等),失去金属光泽.(4)实验结论金属钠硬度很小(质软),具有银白色金属光泽,很容易...

1、当您付费下载文档后,您只拥有了使用权限,并不意味着购买了版权,文档只能用于自身使用,不得用于其他商业用途(如 [转卖]进行直接盈利或[编辑后售卖]进行间接盈利)。
2、本站所有内容均由合作方或网友上传,本站不对文档的完整性、权威性及其观点立场正确性做任何保证或承诺!文档内容仅供研究参考,付费前请自行鉴别。
3、如文档内容存在违规,或者侵犯商业秘密、侵犯著作权等,请点击“违规举报”。

碎片内容

高考化学考点复习:钠及其化合物的性质

您可能关注的文档

确认删除?
VIP
微信客服
  • 扫码咨询
会员Q群
  • 会员专属群点击这里加入QQ群
客服邮箱
回到顶部