电脑桌面
添加小米粒文库到电脑桌面
安装后可以在桌面快捷访问

高速公路冲击碾压资料VIP免费

高速公路冲击碾压资料_第1页
1/6
高速公路冲击碾压资料_第2页
2/6
高速公路冲击碾压资料_第3页
3/6
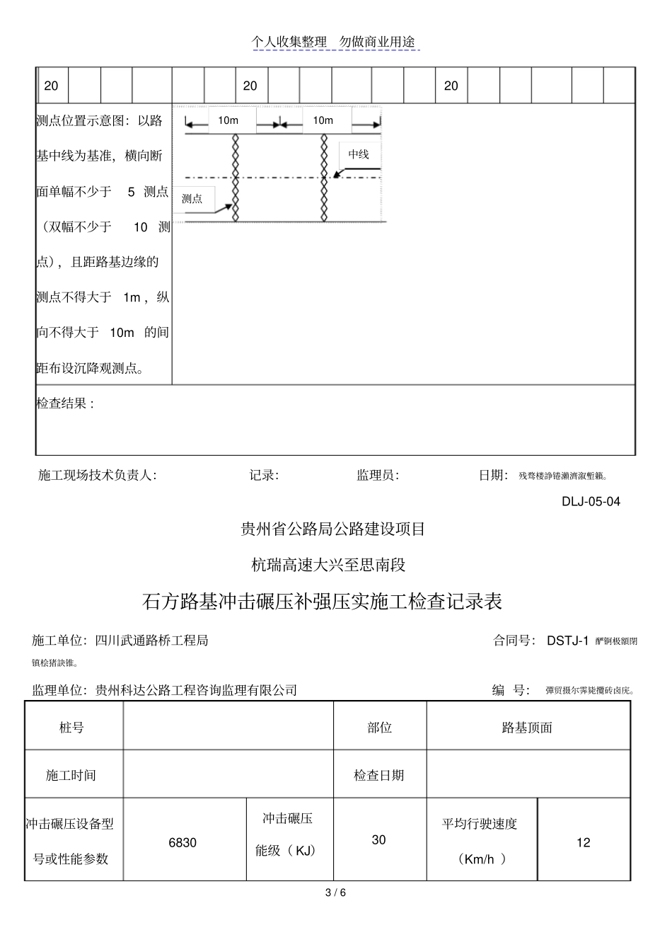
个人收集整理勿做商业用途1/6DLJ-05-01贵州省公路局公路建设项目杭瑞高速大兴至思南段高填路基冲击碾压补强压实验收表施工单位:四川武通路桥工程局合同号:DSTJ-1矚慫润厲钐瘗睞枥庑赖。监理单位:贵州科达公路工程咨询监理有限公司编号:工程名称路基工程桩号及部位路基顶面施工起止时间冲击碾压设备型号或性能参数6830冲击碾压能级(KJ)30平均行驶速度(Km/h)12碾压遍数20平均沉降量(mm)20冲击碾压路线及测点位置示意图施工合同段自检意见现场旁站监理人员意见驻地办意见参加验收人员10m10m测点中线个人收集整理勿做商业用途2/6结论质量合格,同意计量。质量不合格,经处理达到设计要求及路基施工技术规范后重新报验。DLJ-05-02贵州省公路局公路建设项目杭瑞高速大兴至思南段路基填筑冲击碾压试验段施工原始记录表施工单位:四川武通路桥工程局合同号:DSTJ-1监理单位:贵州科达公路工程咨询监理有限公司编号:聞創沟燴鐺險爱氇谴净。工程名称路基工程桩号及部位路基顶面施工开始日期完成日期冲击碾压设备型号或性能参数6830冲击碾压能级(KJ)30平均行驶速度(Km/h)12碾压遍数桩号位置高程高程差沉降量(m碾压遍数桩号位置高程高程差沉降量(m碾压遍数桩号位置高程高程差沉降量(m000555101010151515202020000555101010151515个人收集整理勿做商业用途3/6施工现场技术负责人:记录:监理员:日期:残骛楼諍锩瀨濟溆塹籟。DLJ-05-04贵州省公路局公路建设项目杭瑞高速大兴至思南段石方路基冲击碾压补强压实施工检查记录表施工单位:四川武通路桥工程局合同号:DSTJ-1酽锕极額閉镇桧猪訣锥。监理单位:贵州科达公路工程咨询监理有限公司编号:彈贸摄尔霁毙攬砖卤庑。桩号部位路基顶面施工时间检查日期冲击碾压设备型号或性能参数6830冲击碾压能级(KJ)30平均行驶速度(Km/h)12202020测点位置示意图:以路基中线为基准,横向断面单幅不少于5测点(双幅不少于10测点),且距路基边缘的测点不得大于1m,纵向不得大于10m的间距布设沉降观测点。检查结果:10m10m测点中线个人收集整理勿做商业用途4/6冲击碾压遍数20试验段要求沉降量(mm)20试验段要求孔隙率(%)≦20沉降量(mm)桩号位置碾压前高程碾压后高程沉降量桩号位置碾压前高程碾压后高程沉降量孔隙率(%)桩号水平位置取样深度(CM)孔隙率桩号水平位置取样深度(CM)孔隙率冲击碾压路线及测点位置示意图检查结果:施工现场技术负责人:记录:监理员:日期:10m10m测点中线个人收集整理勿做商业用途5/6版权申明本文部分内容,包括文字、图片、以及设计等在网上搜集整理。版权为潘宏亮个人所有Thisarticleincludessomeparts,includingtext,pictures,anddesign.CopyrightisPanHongliang'spersonalownership.謀荞抟箧飆鐸怼类蒋薔。用户可将本文的内容或服务用于个人学习、研究或欣赏,以及其他非商业性或非盈利性用途,但同时应遵守著作权法及其他相关法律的规定,不得侵犯本网站及相关权利人的合法权利。除此以外,将本文任何内容或服务用于其他用途时,须征得本人及相关权利人的书面许可,并支付报酬。厦礴恳蹒骈時盡继價骚。Usersmayusethecontentsorservicesofthisarticleforpersonalstudy,researchorappreciation,andothernon-commercialornon-profitpurposes,butatthesametime,theyshallabidebytheprovisionsofcopyrightlawandotherrelevantlaws,andshallnotinfringeuponthelegitimaterightsofthiswebsiteanditsrelevantobligees.Inaddition,whenanycontentorserviceofthisarticleisusedforotherpurposes,writtenpermissionandremunerationshallbeobtainedfromthepersonconcernedandtherelevantobligee.茕桢广鳓鯡选块网羈泪。个人收集整理勿做商业用途6/6转载或引用本文内容必须是以新闻性或资料性公共免费信息为使用目的的合理、善意引用,不得对本文内容原意进行曲解、修改,并自负版权等法律责任。鹅娅尽損鹌惨歷茏鴛賴。Reproductionorquotationofthecontentofthisarticlemustbereasonableandgood-faithcitationfortheuseofnewsorinformativepublicfreeinformation.Itshallnotmisinterpretormodifytheoriginalintentionofthecontentofthisarticle,andshallbearlegalliabilitysuchascopyright.籟丛妈羥为贍偾蛏练淨。

1、当您付费下载文档后,您只拥有了使用权限,并不意味着购买了版权,文档只能用于自身使用,不得用于其他商业用途(如 [转卖]进行直接盈利或[编辑后售卖]进行间接盈利)。
2、本站所有内容均由合作方或网友上传,本站不对文档的完整性、权威性及其观点立场正确性做任何保证或承诺!文档内容仅供研究参考,付费前请自行鉴别。
3、如文档内容存在违规,或者侵犯商业秘密、侵犯著作权等,请点击“违规举报”。

碎片内容

高速公路冲击碾压资料

您可能关注的文档

确认删除?
VIP
微信客服
  • 扫码咨询
会员Q群
  • 会员专属群点击这里加入QQ群
客服邮箱
回到顶部