电脑桌面
添加小米粒文库到电脑桌面
安装后可以在桌面快捷访问

麦克风基本知识资料VIP免费

麦克风基本知识资料_第1页
1/13
麦克风基本知识资料_第2页
2/13
麦克风基本知识资料_第3页
3/13
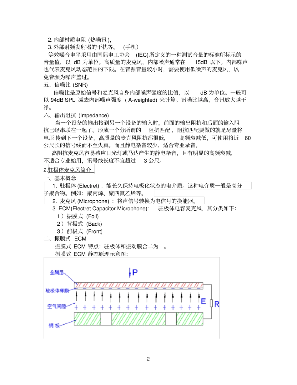
11.麦克风基本知识一、人声频率范围实际人声频率男:低音82~392Hz,基准音区64~523Hz男中音123~493Hz,男高音164~698Hz女:低音82~392Hz,基准音区160~1200Hz女低音123~493Hz,女高音220~1.1KHz录音时各频率效果:男歌声150Hz~600Hz影响歌声力度,提升此频段可以使歌声共鸣感强,增强力度。女歌声1.6~3.6KHz影响音色的明亮度,提升此段频率可以使音色鲜明通透。语音800Hz是“危险”频率,过于提升会使音色发“硬”、发“楞”沙哑声提升64Hz~261Hz会使音色得到改善。喉音重衰减600Hz~800Hz会使音色得到改善鼻音重衰减60Hz~260Hz,提升1~2.4KHz可以改善音色。齿音重6KHz过高会产生严重齿音。咳音重4KHz过高会产生咳音严重现象(电台频率偏离时的音色)二、频率响应frequencyresponse频率响应又称带宽(frequencyrange),是指麦克风感应声波频率的范围,并将声波能量忠实的转换为电子讯号的能力。麦克风接受到不同频率声音时,输出信号会随着频率的变化而发生放大或衰减。一般以频率响应曲线图标之。三、灵敏度(Sensitivity)灵敏度代表麦克风将声音能量转换成电压后所产生的输出讯号强度,是在麦克风单位声压激励下输出电压与输入声压的比值。当输入信号固定时(1kHz),输出讯号越强,代表麦克风灵敏度越高。测试麦克风的灵敏度是将1kHz的讯号在94dB的音压电平位准(SPL)下量测开路的麦克风,取得的毫伏特(millivolt)值,单位为mV/Pa。四、等效噪音电平(Equivalentnoiselevel)等效噪音电平又称内部噪声(selfnoise)。麦克风的内部噪声在无声音讯号输入状态时可来自若干个方面:1.供给麦克风电源的电压波动(偏置电压)引起的电子噪音22.内部材质电阻(热噪讯),3.外部射频发射器的干扰等。(手机)等效噪音电平采用由国际电工协会(IEC)所定义的一种测试音量的标准所标示的音量值,以dB为单位。高质量的麦克风,内部噪声通常在15dB以下。内部噪声也代表麦克风动态范围的下限。在音源音量较小时,需要使用低噪声的麦克风,以免音频为噪声盖过。五、信噪比(SNR)信噪比是原始信号和麦克风自身内部噪声强度的比值,以dB为单位。一般可以94dBSPL减去内部噪声强度(A-weighted)来计算。讯噪比越高,音讯放大越干净。六、输出阻抗(Impedance)当一个设备的输出接到另一个设备的输入时,前面的输出阻抗和后面的输入阻抗已经串联在一起了。形成一个分所谓的阻抗匹配,阻抗匹配要做的就是尽量将电压传到下一个设备,高质量的麦克风阻抗都很低,高频衰减低,可使用将近60公尺长的信号线而不至失真。而且静电杂音较少、适合专业录音。高阻抗麦克风容易感应日光灯或马达产生的静电杂音,且有明显的高频衰减,不适合专业始用,讯号线长度不宜超过3公尺。2.驻极体麦克风简介一、基本概念1.驻极体(Electret):能长久保持电极化状态的电介质。这种电介质一般是高分子聚合物。例如:聚丙烯、聚四氟乙烯等。2.麦克风(Microphone):将声信号转换为电信号的换能器。3.ECM(ElectretCapacitorMicrophone):驻极体电容麦克风,其分类如下:1)振膜式(Foil)2)背极式(Back)3)前极式(Front)二、振膜式ECM振膜式ECM特点:驻极体和振动膜合二为一。振膜式ECM静态原理示意图:3镀金属层薄膜与背极板形成空气介质电容。对驻极体充电形成电场,E=Q/C。声波使薄膜振动,改变电容量和电场,产生电信号,△E=Q/△C。振膜式工作动态原理图:三、背极式ECM背极式ECM特点:驻极体与极板合二为一。背极式ECM静态原理示意图:背极式工作动态原理图:四、全指向产品结构示意图4五、灵敏度(Sensitivity)1.基本概念灵敏度表示麦克风的声—电转换效率。在自由声场中,当向麦克风施加一个声压为1帕(Pa)或1微巴(unbar)的声信号时麦克风的开路输出(以毫伏为单位),即为该麦克风的灵敏度。1微巴(ubar)约相当于人们正常音量讲话,并在离嘴1米远的地方测量所得到的声压。灵敏度的单位为:毫伏/帕(mv/Pa)——国际标准毫伏/微巴(mv/ubar)——日本标准。1帕(Pa)是指1牛顿(N)的力作用在1平方米面积上的压强.1Pa=20log(1/0.000020)=94dBSPLPa与ubar的换算关系为:1Pa=10ubar所以:1mv/ubar=10mv/pa2.计算方法ECM灵敏度参数一般用灵敏度级...

1、当您付费下载文档后,您只拥有了使用权限,并不意味着购买了版权,文档只能用于自身使用,不得用于其他商业用途(如 [转卖]进行直接盈利或[编辑后售卖]进行间接盈利)。
2、本站所有内容均由合作方或网友上传,本站不对文档的完整性、权威性及其观点立场正确性做任何保证或承诺!文档内容仅供研究参考,付费前请自行鉴别。
3、如文档内容存在违规,或者侵犯商业秘密、侵犯著作权等,请点击“违规举报”。

碎片内容

麦克风基本知识资料

您可能关注的文档

确认删除?
VIP
微信客服
  • 扫码咨询
会员Q群
  • 会员专属群点击这里加入QQ群
客服邮箱
回到顶部