电脑桌面
添加小米粒文库到电脑桌面
安装后可以在桌面快捷访问

电功和电热一VIP免费

电功和电热一_第1页
1/4
电功和电热一_第2页
2/4
电功和电热一_第3页
3/4
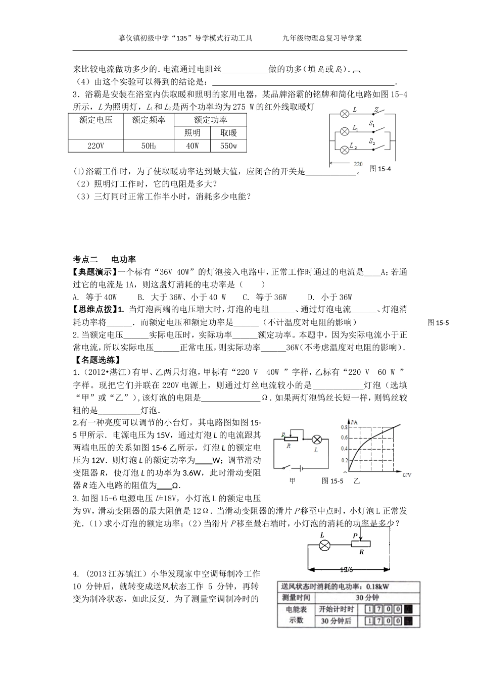
图15-2慕仪镇初级中学“135”导学模式行动工具九年级物理总复习导学案第16讲电功和电热一班级:姓名:第1课时电功、电功率一、中考要求1.知道电能表作用,了解技术参数并会正确读数和计算电费;2.理解电流做功;3.理解电功率的物理意义;4.会计算电功和电功率;5.正确认识和区分额定功率和实际功率.二、知识要点梳理电功的意义:电流做功的过程就是电能转化为能的过程,做了多少功就消耗了多少电能.1kW·h=J.电功的公式,其它公式、、.电能表是测量的仪器.电功率的意义:表示电流做功的物理量.定义式.电功率的计算公式,其它公式、.额定电压;额定功率.三、直击考点考点一电能表、电功【典题演示】小明4月底看到家中电能表如图(甲)所示,220V表示,10A表示,4A表示;当他5月底再去观察时,发现电能表如图(乙)所示,则他家5月份消耗的电能为____kW.h.【思维点拨】1.“电能表常数”3200imp/(kW·h)表示每消耗1kW·h电能,电能表闪烁次,闪烁n次表示消耗的电能为kW·h.2.如何根据用电能表测用电器的电功率:只让待测的用电器单独工作,,测出闪烁n次所用的时间为t秒,则该用电器的功率为kW.【名题选练】1.如图15-2是一台电冰箱的铭牌.其中,“耗电量0.50(kW·h)/24h”这个参数的含义是:该冰箱正常使用24h消耗的电能为________,如果按照额定功率70W和工作24h计算,则消耗的电能是_____kW·h,这个计算结果与冰箱铭牌上提供的相关参数差异较大,是由于冰箱具有________工作的特点而造成的.2.电流做的功跟电压、电流和通电时间三个因素都有关.李明同学要通过实验探究电功跟电压的关系,他选用的器材如图15-3所示.其中甲、乙两容器完全相同,电阻丝R1的阻值大于电阻丝R2的阻值.(1)请你用笔画线代替导线,帮他把实验电路连接完整.(2)他在该实验中选用两根阻值不同的电阻丝,其目的是.(3)在这个实验中,李明是通过观察比较电功率电功图15-1BG-65B电冰箱额定电压220V工作频率50Hz额定功率70W耗电量0.50(kW•h)/24h图15-315-6慕仪镇初级中学“135”导学模式行动工具九年级物理总复习导学案来比较电流做功多少的.电流通过电阻丝做的功多(填R1或R2).(4)由这个实验可以得到的结论是:.3.浴霸是安装在浴室内供取暖和照明的家用电器,某品牌浴霸的铭牌和简化电路如图15-4所示,L为照明灯,L1和L2是两个功率均为275W的红外线取暖灯额定电压额定频率额定功率照明取暖220V50HZ40W550w(1)浴霸工作时,为了使取暖功率达到最大值,应闭合的开关是______。(2)照明灯工作时,它的电阻是多大?(3)三灯同时正常工作半小时,消耗多少电能?考点二电功率【典题演示】一个标有“36V40W”的灯泡接入电路中,正常工作时通过的电流是____A;若通过它的电流是1A,则这盏灯消耗的电功率是()A.等于40WB.大于36W、小于40WC.等于36WD.小于36W【思维点拨】1.当灯泡两端的电压增大时,灯泡的电阻___、通过灯泡电流___、灯泡消耗功率将___.而额定电压和额定功率是___(不计温度对电阻的影响)2.当额定电压___实际电压时,实际功率___额定功率。本题中,因为实际电流小于正常电流,所以实际电压___正常电压,则实际功率___36W(不考虑温度对电阻的影响).【名题选练】1.(2012•湛江)有甲、乙两只灯泡,甲标有“220V40W”字样,乙标有“220V60W”字样。现把它们并联在220V电源上,则通过灯丝电流较小的是____________灯泡(选填“甲”或“乙”),该灯泡的电阻是Ω.如果两灯泡钨丝长短一样,则钨丝较粗的是__________灯泡.2.有一种亮度可以调节的小台灯,其电路图如图15-5甲所示.电源电压为15V,通过灯泡L的电流跟其两端电压的关系如图15-6乙所示,灯泡L的额定电压为12V.则灯泡L的额定功率为W;调节滑动变阻器R,使灯泡L的功率为3.6W,此时滑动变阻器R连入电路的阻值为Ω.3.如图15-6电源电压U=18V,小灯泡L的额定电压为9V,滑动变阻器的最大阻值是12Ω.当滑动变阻器的滑片P移至中点时,小灯泡L正常发光.(1)求小灯泡的额定功率;(2)当滑片P移至最右端时,小灯泡的消耗的功率是多少?4.(2013江苏镇江)小华发现家中空调...

1、当您付费下载文档后,您只拥有了使用权限,并不意味着购买了版权,文档只能用于自身使用,不得用于其他商业用途(如 [转卖]进行直接盈利或[编辑后售卖]进行间接盈利)。
2、本站所有内容均由合作方或网友上传,本站不对文档的完整性、权威性及其观点立场正确性做任何保证或承诺!文档内容仅供研究参考,付费前请自行鉴别。
3、如文档内容存在违规,或者侵犯商业秘密、侵犯著作权等,请点击“违规举报”。

碎片内容

电功和电热一

您可能关注的文档

确认删除?
VIP
微信客服
  • 扫码咨询
会员Q群
  • 会员专属群点击这里加入QQ群
客服邮箱
回到顶部