电脑桌面
添加小米粒文库到电脑桌面
安装后可以在桌面快捷访问

6.模块设计报告VIP免费

6.模块设计报告_第1页
1/20
6.模块设计报告_第2页
2/20
6.模块设计报告_第3页
3/20
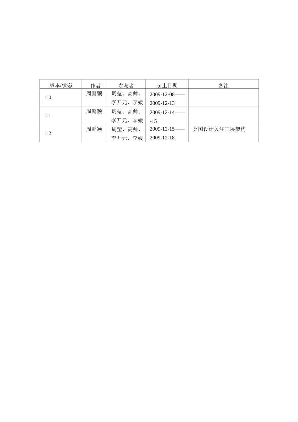
{WMS}模块设计报告文件状态:[]草稿[V]正式发布[]正在修改文件标识BJTU-第四小组-ModuleDesignSpecification当前版本1.2作者周莹、高帅、李开元、李媛、周鹏颖完成日期2009-12-18软件学院-系统分析与设计课程-第四小组版本/状态作者参与者起止日期备注1.0周鹏颖周莹、高帅、李开元、李媛2009-12-08——2009-12-131.1周鹏颖周莹、高帅、李开元、李媛2009-12-14——-151.2周鹏颖周莹、高帅、李开元、李媛2009-12-15——2009-12-18类图设计关注三层架构WMS仓库管理系统,《模块设计报告》©第四小组,周莹、高帅、李开元、李媛、周鹏颖WMS仓库管理系统,《模块设计报告》©第四小组,周莹、高帅、李开元、李媛、周鹏颖MSD模块结构设计,ModuleStructureDesignSRS需求规格说明书,SoftwareRequirementsSpecificationSDP软件开发计划,SoftwareDevelopmentPlanSCMP软件配置管理计划,SoftwareConfigurationManagementPlanSQAP软件质量保证计划,SoftwareQualityAssurancePlanWMS仓库管理系统1.模块命名规则(1)每一个模块采用:名词+管理模块的命名方式,其中名词是这个模块的主要对象的名字;(2)功能命名:模块中每一个功能的命名采用名词+动词结构,前面的名词与模块中的名词相同,后面的动词表示对这个对象施加的动作;(3)页面命名规则:页面命名主要根据页面主要功能命名,名字尽量不超过15个字母长,当命名过长时,考虑采用简写;(4)页面中action的命名参考java规范(5)配置信息命名:如页面错误提示信息提示等命名,不同单词间用”.”隔开,要做到见名思义。2.模块汇总2.1模块汇总表模块名称功能简述货物管理模块A.货物信息查询B.货物信息添加C.货物信息修改D.货物信息删除仓库管理模块A.仓库信息查询B.仓库信息添加C.仓库信息修改D.仓库信息删除需求表管理模块A.需求表查询B.需求表添加C.需求表修改D.需求表删除E.需求表审批采购表管理模块A.采购表查询B.米购表添加C.采购表修改D.米购表删除仓储管理A.入库B.出库C.调库WMS仓库管理系统,《模块设计报告》©第四小组,周莹、高帅、李开元、李媛、周鹏颖D.退库配送管理A.销售总汇查询B.货物发送人员管理A.人员信息查询B.人员信息添加C.人员信息修改D.人员信息删除E.日志查看安全管理A.数据备份B.数据还原2.2模块关系图仓库管岬.系统「女全倉科人员管理配送管理仓储笛理需求农行理货物管理数据还压IU忐含看人员佶息厠端人问佶息修改人地信禹添IJJnlAlsInBl3需-求衣市批需¥1^需求龙修改需求农潇加需求表杳询货物倍息删除货物怙息修改货物佶IUI添则货物佶息*|计赞物发送销售汇总Irr询采购哀删除采购表修改采购表恋加采购表弯询仓昨猪息朋除仓-IT'Q息修-??<仓库信息添加仓I1■■仁n查询3・各子模块的详细设计模块名类名说明货物管理Goods实体类一货物信息表3・1货物管理模块WMS仓库管理系统,《模块设计报告》©第四小组,周莹、高帅、李开元、李媛、周鹏颖Querylnter接口一货物信息查询ExactQuery实现类一实现QueryInter接口FuzzyQuery实现类一实现QueryInter接口SortQuery实现类一实现QueryInter接口PriceQuery实现类一实现QueryInter接口Changelnter接口一货物信息更改接口ModifyGoods实现类一实现ChangeInter接口,依赖QueryInter接口InsertGoods实现类一实现ChangeInter接口,依赖QueryInter接口DeleteInter接口一货物删除接口DeleteGoods实现类一实现DeleteInter接口,依赖QueryInter接口类图3.2仓库管理模块类图WMS仓库管理系统,《模块设计报告》©第四小组,周莹、高帅、李开元、李媛、周鹏颖3.3需求表管理模块模块名类名说明需求表管理Request实体类需求表Querylnter接口需求表查询PrecisionQuery实现类一实现Querylnter接口FuzzyQuery实现类一实现Querylnter接口TimeQuery实现类一实现QueryInter接口DemandQuery实现类一实现QueryInter接口OperationInter接口需求表的增删改PromptInter接口一关于需求表审批和采购表的提示RequestAction实现类一实现OperationInter和PromptInter接口Approvallnter接口需求表的审批RequestApproval实现类一实现ApprovalInter接口People父类一人User子类一用户,继承PeopleInterGene...

1、当您付费下载文档后,您只拥有了使用权限,并不意味着购买了版权,文档只能用于自身使用,不得用于其他商业用途(如 [转卖]进行直接盈利或[编辑后售卖]进行间接盈利)。
2、本站所有内容均由合作方或网友上传,本站不对文档的完整性、权威性及其观点立场正确性做任何保证或承诺!文档内容仅供研究参考,付费前请自行鉴别。
3、如文档内容存在违规,或者侵犯商业秘密、侵犯著作权等,请点击“违规举报”。

碎片内容

6.模块设计报告

您可能关注的文档

确认删除?
VIP
微信客服
  • 扫码咨询
会员Q群
  • 会员专属群点击这里加入QQ群
客服邮箱
回到顶部