电脑桌面
添加小米粒文库到电脑桌面
安装后可以在桌面快捷访问

水泥稳定碎石配合比设计VIP免费

水泥稳定碎石配合比设计_第1页
1/9
水泥稳定碎石配合比设计_第2页
2/9
水泥稳定碎石配合比设计_第3页
3/9
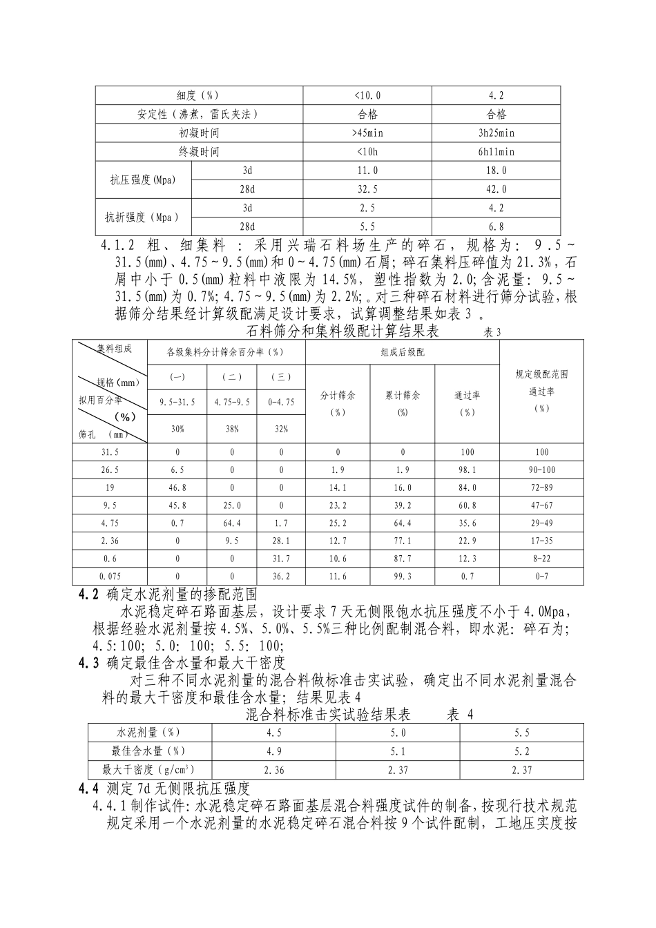
水泥稳定碎石配合比设计1.概述四川毛滩电站位于四川夹江县顺河乡境内的青衣江干流上,是千佛岩电站至青衣江汇口河段推荐的两级规划方案中的第一级。采用河床式长尾水渠开发方式,工程开发任务为发电,兼顾灌溉、防洪、城镇工业、生活及景观用水。左岸防洪堤道路沥青路面工程施工桩号为左防K2+101.7~K6+574.76,全长4473米,路面宽度为5~9.3米。道路设计采用水泥稳定碎石基层厚20cm、面层采用沥青混凝土路面,厚度为10cm,分两层施工,用摊铺机摊铺,压路机碾压、成型。2.配合比设计依据:2.1《公路路面基层施工技术规范》JTJ034-2000;2.2《公路工程无机结合料稳定材料试验规程》JTJ057-94;2.3《水泥胶砂强度检验方法》GB/T17671-19992.4《水泥标准稠度用水量、凝结时间、安定性检验方法》GB/T1346-20012.5《公路工程集料试验规程》JTJ058-20002.6《公路土工试验规程》JTJ051-93;2.7《高速公路路面工程施工设计图》要求;3.设计资料:3.1左岸防洪堤顶道路是该电站物质运输通道和库区景观道路。基层水泥稳定碎石厚为20cm,7天无侧限(浸水)抗压强度要求值为3.0Mpa(A级交通道)。3.2水泥要求强度等级为32.5Mpa(初凝时间要求3h以上,终凝时间要求6h以上)普通硅酸盐水泥为宜;碎石集料压碎值小于30%;碎石集料中小于0.5mm颗粒材料的液限小于28%,塑性指数小于9;碎石集料级配应符合《公路路面基层施工技术规范》JTJ034-2000要求;如表1适宜用水泥稳定颗粒组成范围表1结构层通过下列方孔筛(mm)的质量百分率液限塑性指数31.526.5199.54.752.360.60.075(%)基层10090-10072-8947-6729-4917-358-220-7<28<9注:集料中0.5mm以下细粒土有塑性指数时,小于0.075mm颗粒含量不应超过5%;细粒土无塑性指数时,小于0.075mm的颗粒含量不应超过7%。3.3施工时混合料采用厂拌,铺筑现场采用摊铺机摊铺,一层碾压成型,基层压实度指标按98%控制。4.设计步骤4.1原材料选定及检验4.1.1水泥:采用铜陵水泥厂生产的陵沪牌普通硅酸盐水泥,强度等级为32.5Mpa,经检验各项技术指标均满足有关规范和图纸设计的要求,可以采用。其主要技术指标试验结果列入表2中。水泥材料试验结果汇总表表2检验项目规定值检验结果细度(%)<10.04.2安定性(沸煮,雷氏夹法)合格合格初凝时间>45min3h25min终凝时间<10h6h11min抗压强度(Mpa)3d11.018.028d32.542.0抗折强度(Mpa)3d2.54.228d5.56.84.1.2粗、细集料:采用兴瑞石料场生产的碎石,规格为:9.5~31.5(mm)、4.75~9.5(mm)和0~4.75(mm)石屑;碎石集料压碎值为21.3%,石屑中小于0.5(mm)粒料中液限为14.5%,塑性指数为2.0;含泥量:9.5~31.5(mm)为0.7%;4.75~9.5(mm)为2.2%;。对三种碎石材料进行筛分试验,根据筛分结果经计算级配满足设计要求,试算调整结果如表3。石料筛分和集料级配计算结果表表3集料组成规格(mm)拟用百分率(%)筛孔(mm)各级集料分计筛余百分率(%)组成后级配规定级配范围通过率(%)(一)(二)(三)分计筛余(%)累计筛余(%)通过率(%)9.5-31.54.75-9.50-4.7530%38%32%31.50000010010026.56.5001.91.998.190-1001946.80014.116.084.072-899.545.825.0023.239.260.847-674.750.764.41.725.264.435.629-492.3609.528.112.777.122.917-350.60031.710.687.712.38-220.0750036.211.699.30.70-74.2确定水泥剂量的掺配范围水泥稳定碎石路面基层,设计要求7天无侧限饱水抗压强度不小于4.0Mpa,根据经验水泥剂量按4.5%、5.0%、5.5%三种比例配制混合料,即水泥:碎石为;4.5:100;5.0:100;5.5:100;4.3确定最佳含水量和最大干密度对三种不同水泥剂量的混合料做标准击实试验,确定出不同水泥剂量混合料的最大干密度和最佳含水量;结果见表4混合料标准击实试验结果表表4水泥剂量(%)4.55.05.5最佳含水量(%)4.95.15.2最大干密度(g/cm3)2.362.372.374.4测定7d无侧限抗压强度4.4.1制作试件:水泥稳定碎石路面基层混合料强度试件的制备,按现行技术规范规定采用一个水泥剂量的水泥稳定碎石混合料按9个试件配制,工地压实度按98%控制,现将制备试件所需的基本参数叙述如下:配制一种水泥剂量一个试件所需要各种原材料数量成型一个试件按...

1、当您付费下载文档后,您只拥有了使用权限,并不意味着购买了版权,文档只能用于自身使用,不得用于其他商业用途(如 [转卖]进行直接盈利或[编辑后售卖]进行间接盈利)。
2、本站所有内容均由合作方或网友上传,本站不对文档的完整性、权威性及其观点立场正确性做任何保证或承诺!文档内容仅供研究参考,付费前请自行鉴别。
3、如文档内容存在违规,或者侵犯商业秘密、侵犯著作权等,请点击“违规举报”。

碎片内容

水泥稳定碎石配合比设计

您可能关注的文档

确认删除?
VIP
微信客服
  • 扫码咨询
会员Q群
  • 会员专属群点击这里加入QQ群
客服邮箱
回到顶部