电脑桌面
添加小米粒文库到电脑桌面
安装后可以在桌面快捷访问

高考化学-实验题-最全面-题型分类VIP免费

高考化学-实验题-最全面-题型分类_第1页
1/28
高考化学-实验题-最全面-题型分类_第2页
2/28
高考化学-实验题-最全面-题型分类_第3页
3/28
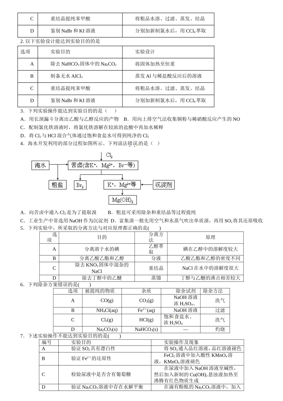
综合实验题一、仪器的使用1.下列实验操作或装置(略去部分夹持仪器)正确的是()2.下列实验中,所使用的装置(夹持装置略)、试剂和操作方法都正确的是()3.下列有关实验的选项正确的是()A.配制0.10mol/LNaOH溶液B.除去CO中的CO2C.苯萃取碘水中的I2分出水层后的操作D.记录滴定终点读数为12.20mL4.下列实验操作正确的是()A.用玻璃棒蘸取CH3COOH溶液点在水湿润的pH试纸上,测定该溶液的pHB.中和滴定时,滴定管用所盛装的反应液润洗2~3次C.用装置甲分液,放出水相后再从分液漏斗下口放出有机相D.用装置乙加热分解NaHCO3固体5.下列有关实验操作的叙述错误的是()A.过滤操作中,漏斗的尖端应接触烧杯内壁B.从滴瓶中取用试剂时,滴管的尖嘴可以接触试管内壁C.滴定接近终点时,滴定管的尖嘴可以接触锥形瓶内壁D.向容量瓶转移液体时,导流用玻璃棒可以接触容量瓶内壁6.下列叙述不正确的是()A.钾、钠、镁等活泼金属着火时,不能用泡沫灭火器灭火B.探究温度对硫代硫酸钠与硫酸反应速率的影响时,若先将两种溶液混合并计时,再用水浴加热至设定温度,则测得的反应速率偏高C.蒸馏完毕后,应先停止加热,待装置冷却后,停止通水,再拆卸蒸馏装置D.为准确配制一定物质的量浓度的溶液,定容过程中向容量瓶内加蒸馏水至接近刻度线时,改用滴管滴加蒸馏水至刻度线7.进行化学实验时应强化安全意识。下列做法正确的是()A.金属钠着火时使用泡沫灭火器灭火B.用试管加热碳酸氢钠固体时使试管口竖直向上C.浓硫酸溅到皮肤上时立即用稀氢氧化钠溶液冲洗D.制备乙烯时向乙醇和浓硫酸的混合液中加入碎瓷片8.下列实验操作正确且能达到相应实验目的的是()实验目的实验操作A称取2.0gNaOH固体先在托盘上各放一张滤纸,然后在右盘上添加2g砝码,左盘上添加NaOH固体B配制FeCl3溶液将FeCl3固体溶解于适量蒸馏水C检验溶液中是否含有NH4+取少量试液于试管中,加入NaOH溶液并加热,用湿润的红色石蕊试纸检验产生的气体D验证铁的吸氧腐蚀将铁钉放入试管中,用盐酸浸没9.下列有关仪器的使用方法或实验操作正确的是()A.洗净的锥形瓶和容量瓶可以放进烘箱中烘干B.酸式滴定管装标准溶液前,必须先用该溶液润洗C.酸碱滴定实验中,用待滴定溶液润洗锥形瓶以减小实验误差D.用容量瓶配溶液时,若加水超过刻度线,立即用滴管吸出多余液体二、物质的检验、分离和提纯1.以下实验设计能达到实验目的的是选项实验目的实验设计A除去NaHCO3固体中的Na2CO3将固体加热至恒重B制备无水AlCl3蒸发Al与稀盐酸反应后的溶液C重结晶提纯苯甲酸将粗品水溶、过滤、蒸发、结晶D鉴别NaBr和KI溶液分别加新制氯水后,用CCl4萃取2.以下实验设计能达到实验目的的是选项实验目的实验设计A除去NaHCO3固体中的Na2CO3将固体加热至恒重B制备无水AlCl3蒸发Al与稀盐酸反应后的溶液C重结晶提纯苯甲酸将粗品水溶、过滤、蒸发、结晶D鉴别NaBr和KI溶液分别加新制氯水后,用CCl4萃取3.下列实验操作能达到实验目的的是()A.用长颈漏斗分离出乙酸与乙醇反应的产物B.用向上排空气法收集铜粉与稀硝酸反应产生的NOC.配制氯化铁溶液时,将氯化铁溶解在较浓的盐酸中再加水稀释D.将Cl2与HCl混合气体通过饱和食盐水可得到纯净的Cl24.海水开发利用的部分过程如图所示。下列说法错误的是()A.向苦卤中通入Cl2是为了提取溴B.粗盐可采用除杂和重结晶等过程提纯C.工业生产中常选用NaOH作为沉淀剂D.富集溴一般先用空气和水蒸气吹出单质溴,再用SO2将其还原吸收5.下列实验中,所采取的分离方法与对应原理都正确的是()选项目的分离方法原理A分离溶于水的碘乙醇萃取碘在乙醇中的溶解度较大B分离乙酸乙酯和乙醇分液乙酸乙酯和乙醇的密度不同C除去KNO3固体中混杂的NaCl重结晶NaCl在水中的溶解度很大D除去丁醇中的乙醚蒸馏丁醇与乙醚的沸点相差较大6.下列除杂方案错误的是()选项被提纯的物质杂质除杂试剂除杂方法ACO(g)CO2(g)NaOH溶液浓H2SO4、洗气BNH4Cl(aq)Fe3+(aq)NaOH溶液过滤CCl2(g)HCl(g)饱和食盐水、浓H2SO4洗气DNa2CO3(s)NaHCO3(s)—灼烧7.下述实验操作不能达到实验目的的是()编号实验目的实验操作及现象A验证SO2具有漂白性将...

1、当您付费下载文档后,您只拥有了使用权限,并不意味着购买了版权,文档只能用于自身使用,不得用于其他商业用途(如 [转卖]进行直接盈利或[编辑后售卖]进行间接盈利)。
2、本站所有内容均由合作方或网友上传,本站不对文档的完整性、权威性及其观点立场正确性做任何保证或承诺!文档内容仅供研究参考,付费前请自行鉴别。
3、如文档内容存在违规,或者侵犯商业秘密、侵犯著作权等,请点击“违规举报”。

碎片内容

高考化学-实验题-最全面-题型分类

一米阳光+ 关注
实名认证
内容提供者

爱好英语教学和互联网行业,热爱教育事业,兢兢业业

确认删除?
VIP
微信客服
  • 扫码咨询
会员Q群
  • 会员专属群点击这里加入QQ群
客服邮箱
回到顶部