电脑桌面
添加小米粒文库到电脑桌面
安装后可以在桌面快捷访问

建筑结构加固工程检验批改编范本VIP免费

建筑结构加固工程检验批改编范本_第1页
1/9
建筑结构加固工程检验批改编范本_第2页
2/9
建筑结构加固工程检验批改编范本_第3页
3/9
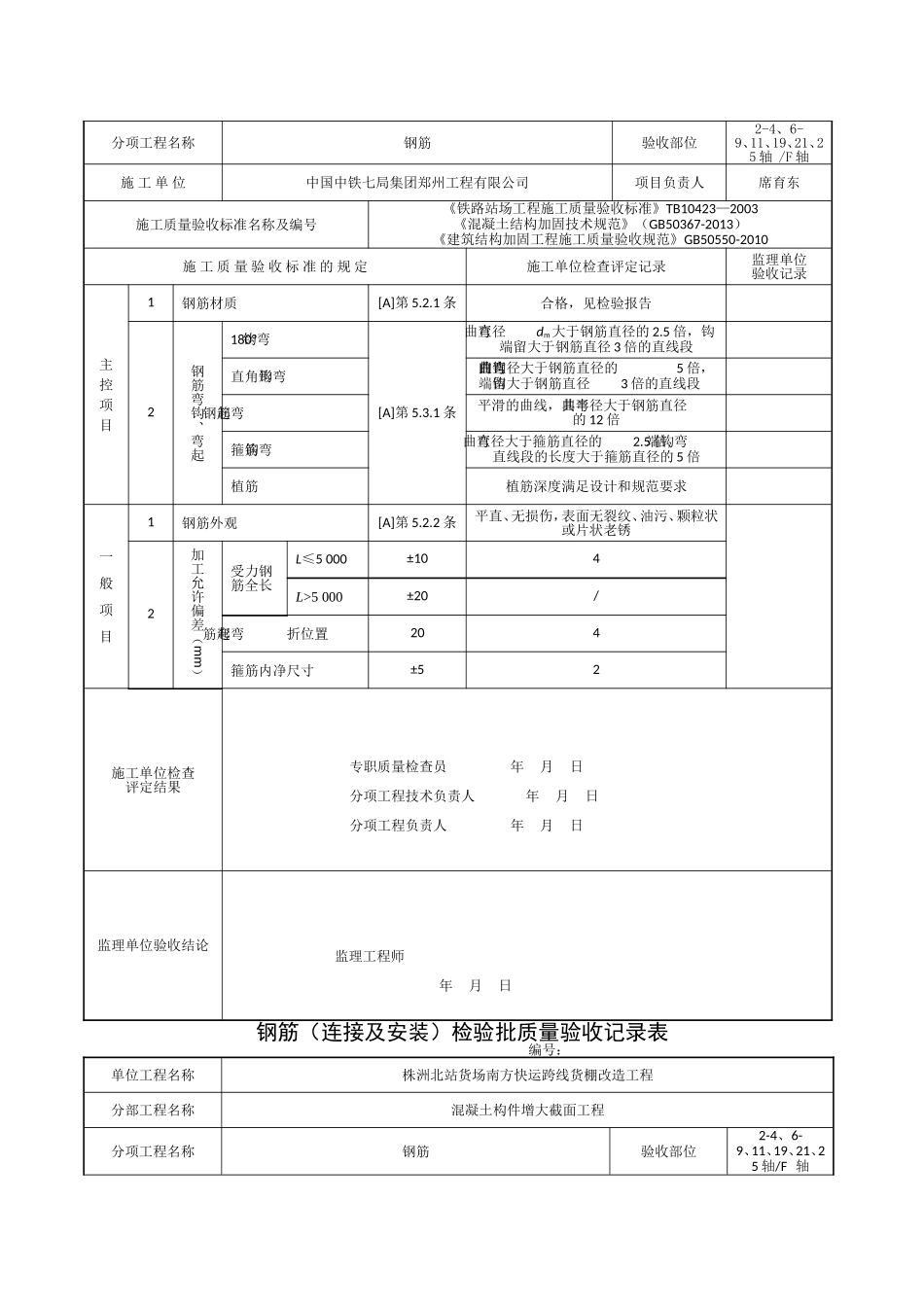
原构件修整及界面处理检验批质量验收记录表编号:单位工程名称株洲北站货场南方快运跨线货棚改造工程分部工程名称混凝土构件增大截面工程分项工程名称原构件修整及界面处理验收部位施工单位中国中铁七局集团郑州工程有限公司项目负责人席育东施工质量验收标准名称及编号建筑结构加固工程施工质量验收规范GB50550-2010《混凝土结构加固技术规范》(GB50367-2013)施工质量验收标准的规定施工单位检查评定记录监理单位验收记录主控项目1原构件混凝土界面经修整露出骨料新面后,尚应采用花锤、砂轮机或高压水射流进行打毛;必要时也可凿成沟槽。第5.2.1条2原构件的截面应按设计文件的要求清洗混凝土表面,涂刷一层改性混凝土素浆,涂刷方法及施工工艺质量应符合设计规范要求。设计要求3原构件钢筋的外露部分在除锈时,若发现锈蚀已导致其界面削弱严重,尚应通知设计单位,并按设计补充图纸进行补筋。第5..2.3条一般项目1涂刷改性混凝土素浆前,应对原构件表面界面处理进行复查,不得有漏剔除的松动石子、浮砂以及漏补的裂缝和漏清楚的其他污垢等。第5.2.4条施工单位检查评定结果专职质量检查员年月日分项工程技术负责人年月日分项工程负责人年月日监理单位验收结论监理工程师年月日钢筋(原材料及加工)工程检验批质量验收记录表编号:单位工程名称株洲北站货场南方快运跨线货棚改造工程分部工程名称混凝土构件增大截面工程分项工程名称钢筋验收部位2-4、6-9、11、19、21、25轴/F轴施工单位中国中铁七局集团郑州工程有限公司项目负责人席育东施工质量验收标准名称及编号《铁路站场工程施工质量验收标准》TB10423—2003《混凝土结构加固技术规范》(GB50367-2013)《建筑结构加固工程施工质量验收规范》GB50550-2010施工质量验收标准的规定施工单位检查评定记录监理单位验收记录主控项目1钢筋材质[A]第5.2.1条合格,见检验报告2钢筋弯钩、弯起180°弯钩[A]第5.3.1条弯曲直径dm大于钢筋直径的2.5倍,钩端留大于钢筋直径3倍的直线段直角形弯钩直钩的弯曲直径大于钢筋直径的5倍,钩端留大于钢筋直径3倍的直线段弯起钢筋平滑的曲线,其弯曲半径大于钢筋直径的12倍箍筋弯钩弯曲直径大于箍筋直径的2.5倍,弯钩端直线段的长度大于箍筋直径的5倍植筋植筋深度满足设计和规范要求一般项目1钢筋外观[A]第5.2.2条平直、无损伤,表面无裂纹、油污、颗粒状或片状老锈2加工允许偏差(mm)受力钢筋全长L≤5000±104L>5000±20/弯起筋弯折位置204箍筋内净尺寸±52施工单位检查评定结果专职质量检查员年月日分项工程技术负责人年月日分项工程负责人年月日监理单位验收结论监理工程师年月日钢筋(连接及安装)检验批质量验收记录表编号:单位工程名称株洲北站货场南方快运跨线货棚改造工程分部工程名称混凝土构件增大截面工程分项工程名称钢筋验收部位2-4、6-9、11、19、21、25轴/F轴施工单位中铁七局集团郑州工程有限公司项目负责人席育东施工质量验收标准名称及编号《铁路站场工程施工质量验收标准》TB10423—2003《混凝土结构加固技术规范》(GB50367-2013)《建筑结构加固工程施工质量验收规范》GB50550-2010施工质量验收标准的规定施工单位检查评定记录监理单位验收记录主控项目1纵向受力筋连接方式设计要求符合规范和设计要求2钢筋植筋质量[A]第5.4.2条符合规范和设计要求3钢筋品种、规格、数量设计要求Φ18和Φ10钢筋符合设计要求一般项目1钢筋接头位置、数量[A]第5.4.3条/2钢筋安装及保护层厚度允许偏差(mm)受力钢筋排距±512-333同一排中受力钢筋间距±2042322分布钢筋间距±2053423箍筋间距绑扎骨架±20102854焊接骨架±10/////弯起点位置30951076保护层厚度cc≥35/////35﹥c﹥2545-122c≤25/////施工单位检查评定结果专职质量检查员年月日分项工程技术负责人年月日分项工程负责人年月日监理单位验收结论监理工程师年月日模板与支架检验批质量验收记录表编号:单位工程名称株洲北站货场南方快运跨线货棚改造工程分部工程名称混凝土构件增大截面工程分项工程名称模板验收部位2-4、6-9、11、19、21、25轴/F轴施工单位中铁七局集团郑州工程有限公司项目负责人席育东施工质量验收标准名称及编号[A]:...

1、当您付费下载文档后,您只拥有了使用权限,并不意味着购买了版权,文档只能用于自身使用,不得用于其他商业用途(如 [转卖]进行直接盈利或[编辑后售卖]进行间接盈利)。
2、本站所有内容均由合作方或网友上传,本站不对文档的完整性、权威性及其观点立场正确性做任何保证或承诺!文档内容仅供研究参考,付费前请自行鉴别。
3、如文档内容存在违规,或者侵犯商业秘密、侵犯著作权等,请点击“违规举报”。

碎片内容

建筑结构加固工程检验批改编范本

您可能关注的文档

确认删除?
VIP
微信客服
  • 扫码咨询
会员Q群
  • 会员专属群点击这里加入QQ群
客服邮箱
回到顶部