电脑桌面
添加小米粒文库到电脑桌面
安装后可以在桌面快捷访问

钢筋加工及安装工程检验批质量验收记录表VIP专享VIP免费

钢筋加工及安装工程检验批质量验收记录表_第1页
1/4
钢筋加工及安装工程检验批质量验收记录表_第2页
2/4
钢筋加工及安装工程检验批质量验收记录表_第3页
3/4
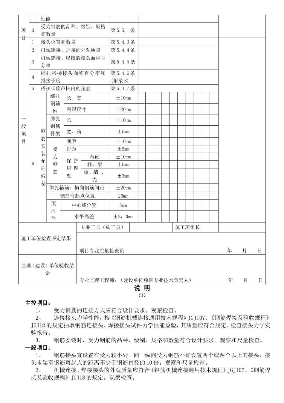
钢筋加工工程检验批质量验收记录表GB50204—2002(I)GD2401052□□GD2402004□□单位工程名称分部工程名称验收部位施工单位项目经理分包单位分包项目经理施工执行标准名称及编号施工质量验收规范的规定施工单位检查评定记录监理(建设)单位验收记录主控项目1力学性能检验第5.2.1条2抗震用钢筋强度实测值第5.2.2条3化学成分等专项检验第5.2.3条4受力钢筋的弯钩和弯折第5.3.1条5箍筋弯钩形式第5.3.2条一般项目1外观质量第5.2.4条2钢筋调直第5.3.3条3钢筋加工的形状、尺寸受力钢筋顺长度方向全长的静尺寸±10mm弯起钢筋的弯起位置±20mm箍筋内静尺寸±5mm施工单位检查评定结果专业工长(施工员)施工班组长项目专业质量检查员年月日监理(建设)单位验收结论专业监理工程师(建设单位项目专业技术负责人)年月日说明(I)主控项目:1、按现行国家标准GB1499等规定,抽取试件作力学性能实验;检查产品合格证和复验报告。2、有抗震要求的框架结构,纵向受力钢筋的强度,当设计无要求时,对一、二级抗震等级应符合下列要求:(1)、钢筋抗拉强度实测值与屈服强度实测值的比值不小于1.25;(2)、钢筋屈服强度实测值与强度标准值的比值不大于1.3;检查钢筋复试报告。3、当钢筋发生脆断,焊接性能不良或力学性能显著不正常时,应对该批钢筋进行化学成分检验或其他专项检验。检查化学成分等专项检验报告。4、受力钢筋弯钩和弯折应符合下列规定:(1)、HPB235钢筋末端应做180°弯钩,其弯钩内径不小于钢筋直径的2.5倍,弯后平直部分不小于钢筋直径的3倍。(2)、135°弯钩,HRB335、HRB400钢筋的弯钩内直径不小于钢筋直径的4倍,弯后平直长度符合设计要求。(3)、不大于90°的弯折时,弯弧内径不小于钢筋直径的5倍。尺量检查。5、除焊接封闭环式箍筋外,末端均应弯钩,形式符合设计要求,设计无要求时,应符合下列规定:(1)、弯弧内直径应满足第5.3.1条项的要求,尚应不小于受力钢筋直径;(2)、弯折角度:一般结构不小于90°,有抗震要求结构应为135°;(3)、弯后平直副本长度:一般结构不小于箍筋直径的5倍,有抗震要求的结构,不小于箍筋直径的10倍。一般项目:1、钢筋应平直、无损伤、表面不得有裂纹、油污、颗粒或片状老锈。观察检查。2、钢筋调直采用冷拉法时,HPB235钢筋冷拉率不大于4%;HRB335、HRB400、HRB400钢筋的冷拉率不大于1%。观察及尺量检查。3、钢筋加工的形状尺寸应符合设计要求,偏差率应符合下列表要求。尺量检查。项目允许偏差(mm)受力钢筋顺长方向全长净尺寸±10弯起钢筋的弯折位置±25箍筋内净尺寸±5钢筋安装工程检验批质量验收记录表GB50204-2002(II)GD2401053□□GD2402005□□单位工程名称分部工程名称验收部位施工单位项目经理分包单位分包项目经理施工执行标准名称及编号施工质量验收规范的规定施工单位检查评定记录监理(建设)单位验收记录主控1纵向受力钢筋的连接方式第5.4.1条2机械连接和焊接接头的力学第5.4.2条项目性能3受力钢筋的品种、级别、规格和数量第5.5.1条一般项目1接头位置和数量第5.4.3条2机械连接、焊接的外观质量第5.4.4条3机械连接、焊接的接头面积百分率第5.4.5条4绑扎搭接接头面积百分率和搭接长度第5.4.6条(附录B)5搭接长度范围内的箍筋第5.4.7条6钢筋安装允许偏差绑扎钢筋网长、宽±10mm网眼尺寸±20mm绑扎钢筋骨架长±10mm宽、高±5mm受力钢筋间距±10mm排距±5mm保护层厚度基础±10mm柱、梁±5mm板、墙、壳±3mm绑扎箍筋、横向钢筋间距±20mm钢筋弯起点位置20mm预埋件中心线位置5mm水平高差±3,0mm施工单位检查评定结果专业工长(施工员)施工班组长项目专业质量检查员年月日监理(建设)单位验收结论专业监理工程师:(建设单位项目专业技术负责人)年月日说明(I)主控项目:1、受力钢筋的连接方式应符合设计要求。观察检查。2、连接接头力学性能,按《钢筋机械连接通用技术规程》JGJ107、《钢筋焊接及验收规程》JGJ18的规定抽取钢筋连接头、焊接接头试件力学性能检验,其质量应符合规定。检查接头力学实验报告。3、钢筋安装时,受力钢筋的品种、级别、规格和数量符合设计要求。观察和尺量检查。一般项目:1、钢筋接...

1、当您付费下载文档后,您只拥有了使用权限,并不意味着购买了版权,文档只能用于自身使用,不得用于其他商业用途(如 [转卖]进行直接盈利或[编辑后售卖]进行间接盈利)。
2、本站所有内容均由合作方或网友上传,本站不对文档的完整性、权威性及其观点立场正确性做任何保证或承诺!文档内容仅供研究参考,付费前请自行鉴别。
3、如文档内容存在违规,或者侵犯商业秘密、侵犯著作权等,请点击“违规举报”。

碎片内容

钢筋加工及安装工程检验批质量验收记录表

确认删除?
VIP
微信客服
  • 扫码咨询
会员Q群
  • 会员专属群点击这里加入QQ群
客服邮箱
回到顶部