电脑桌面
添加小米粒文库到电脑桌面
安装后可以在桌面快捷访问

膨胀螺栓规格及性能VIP免费

膨胀螺栓规格及性能_第1页
1/7
膨胀螺栓规格及性能_第2页
2/7
膨胀螺栓规格及性能_第3页
3/7
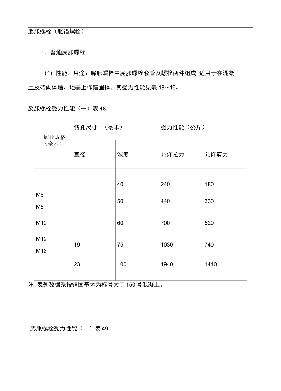
膨胀螺栓受力性能(二)表49膨胀螺栓(胀锚螺栓)1.普通膨胀螺栓(1)性能、用途:膨胀螺栓由膨胀螺栓套管及螺栓两件组成,适用于在混凝土及砖砌体墙、地基上作锚固体。其受力性能见表48〜49。膨胀螺栓受力性能(一)表48钻孔尺寸(毫米)受力性能(公斤)螺栓规格(毫米)直径深度允许拉力允许剪力40240180M6M850440330M1060700520M1219751030740M162310019401440注:表列数据系按铺固基体为标号大于150号混凝土。螺栓规格(毫米)埋深(毫米)不同基(砌)体时的受力性能(公斤)锚固在75#砖砌体上锚固在150#混凝土上拉力剪力拉力剪力允许极限允许极限允许极限允许极限值值值值值值值值M6X55351003057020024561080200M8X70M10X85452256751053195401350150375M12X1055539011751655009402350235588M16X140654401325245734106026503458639050015004601380125031006501625(2)规格见图26、表50〜51。膨胀螺栓规格(一)表50型号规格各部尺寸尺寸(毫米)安装后尺寸(毫米)(毫米)LL1eHab重量(公斤/100件)M6X6565351038M6X7575351038M6X85M8X8085351038M8X9080451239M8X100M10X9590451239M10X110100451239丨型M10X12595551431210M12X110M12X1301105514312M12X1501255514312M16X15011065184M16X175130651841506518415017590902222441919II型M10X150M10X175M10X200M12X150M12X200M12X250M16X200M16X250M16X300150175200150200250200250300555555656565909090222888444888101010131313333444444XXXXXX99922213204467膨胀螺栓规格(二)表51规格埋深钻孔直径规格埋深钻孔直径(毫米)(毫米)(毫米)(毫米)(毫米)(毫米)M5X45258M16X1409022M6X55M18X155351015526M8X70M20X170M10X854512M22X18512028M12X105M24X200551413532M14X125M27X215651615035751815538¥匚型良胀翅拴炳柜用范磁賣设義序圈型A渎印范困•」沁型.=>非.兰式卡JI>iiifraiiL.使用丞亞动戟荷和受力鞭大的设缽件”戚孔一装成咖密目装好,直.扎孑內拧垂朋蛭粛可「栓・战孔一现舞馆栓和脈營一起昼可几中•-龜銀腿晉一拧人眶意一拧案魄栓JM型勰栓浪空恥蠟性、辟豊、無篥垫圈、蠟母、螺绞诞聲调柜茸■/YG型膨匮螺护钻孔和探度(mm)江咯型号挖徨宜径DI轉栓总艮L站虫宜径■+(含至浆层)AB影c:夕熔艮度YG2M101D15517019521522.5-2345fiOS5135:0no.20soYG2M202D1952102352352S.5-3D557095L45-jj1402810D7i'TMl?12135M01們21518VrnS51354080If!4H4DYG3P/16161》170195邓22.8-234560S513560Hi2250.5.0YG3M202:U52102352352E.5-3D5570P5⑷Hi1402360.6D-疋3M24242202d>27032032.5-34JC7510D15030170H2sa.tiDYG3M3Q:3029531037042D^2.5-4585LIOld£l■210100J1D4210O.S0心M363&3503?\4疫475泊-5斗:叩L"io->21512CJ60so3DO100YG型膨胀螺栓的抗拉抗剪力设计值(混凝土构造手册)(锚固于MC15混凝土中)规格型号;净截面(mm2);抗拉力设计值(KN);抗剪力设计值(KN)()()YG1-M10YG1-M12;YG1-M16;YG1-M20;YG2,3-M16;(201)YG2,3-M20;(314)YG3-M12;YG3-M24;YG3-M30;YG3-M36;注:1.括号内为YG2型2.锚固于C10混凝土中的膨胀螺栓,应按表中值再乘以折减系数3.主要承重结构、重要管道以及高速运转、承受冲击荷载和振动较大的设备应加大一级规格型号。型未列入。用途:YG1型:锚固承受静荷载的支承件,如安装电缆支架等;YG2型:锚固承受动荷载和受力较大的设备部件,如用作管道支架和设备基础的地脚螺栓;YG3型:锚固承受动荷载和受力较大的设备部件,如用作管道支架和设备基础的地脚螺栓;(与YG2型的安装方式不同)分单胀管式和双胀管式

1、当您付费下载文档后,您只拥有了使用权限,并不意味着购买了版权,文档只能用于自身使用,不得用于其他商业用途(如 [转卖]进行直接盈利或[编辑后售卖]进行间接盈利)。
2、本站所有内容均由合作方或网友上传,本站不对文档的完整性、权威性及其观点立场正确性做任何保证或承诺!文档内容仅供研究参考,付费前请自行鉴别。
3、如文档内容存在违规,或者侵犯商业秘密、侵犯著作权等,请点击“违规举报”。

碎片内容

膨胀螺栓规格及性能

您可能关注的文档

确认删除?
VIP
微信客服
  • 扫码咨询
会员Q群
  • 会员专属群点击这里加入QQ群
客服邮箱
回到顶部