电脑桌面
添加小米粒文库到电脑桌面
安装后可以在桌面快捷访问

万科实测检查数据上墙操作指引VIP免费

万科实测检查数据上墙操作指引_第1页
1/23
万科实测检查数据上墙操作指引_第2页
2/23
万科实测检查数据上墙操作指引_第3页
3/23
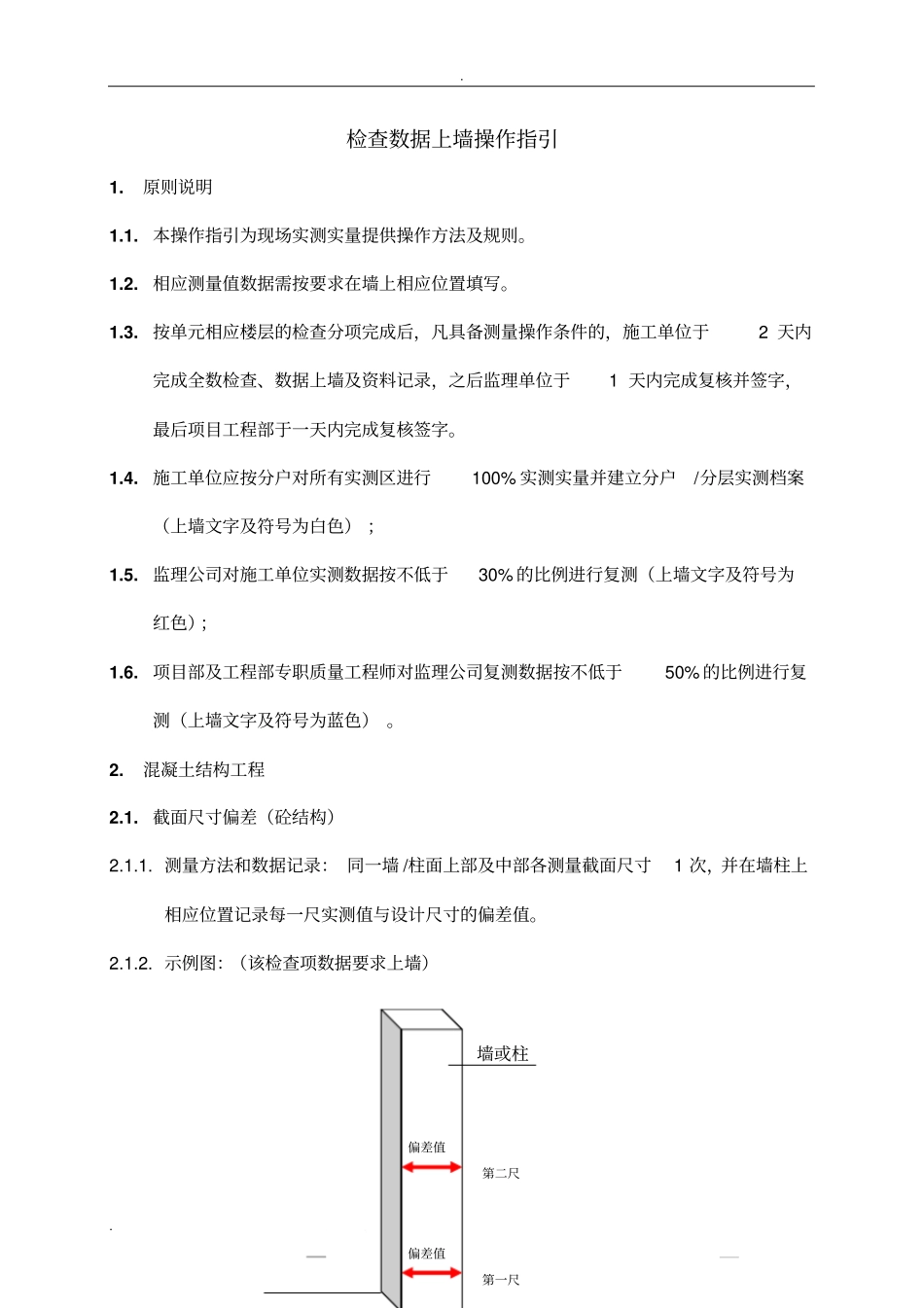
..检查数据上墙操作指引1.原则说明1.1.本操作指引为现场实测实量提供操作方法及规则。1.2.相应测量值数据需按要求在墙上相应位置填写。1.3.按单元相应楼层的检查分项完成后,凡具备测量操作条件的,施工单位于2天内完成全数检查、数据上墙及资料记录,之后监理单位于1天内完成复核并签字,最后项目工程部于一天内完成复核签字。1.4.施工单位应按分户对所有实测区进行100%实测实量并建立分户/分层实测档案(上墙文字及符号为白色);1.5.监理公司对施工单位实测数据按不低于30%的比例进行复测(上墙文字及符号为红色);1.6.项目部及工程部专职质量工程师对监理公司复测数据按不低于50%的比例进行复测(上墙文字及符号为蓝色)。2.混凝土结构工程2.1.截面尺寸偏差(砼结构)2.1.1.测量方法和数据记录:同一墙/柱面上部及中部各测量截面尺寸1次,并在墙柱上相应位置记录每一尺实测值与设计尺寸的偏差值。2.1.2.示例图:(该检查项数据要求上墙)第二尺第一尺偏差值偏差值墙或柱..2.2.表面平整度(砼结构)2.2.1.测量方法和数据记录:(1)当墙长度小于3米时,同一面墙4个角(顶部及根部)中取左上及右下2个角。按45度角斜放靠尺,累计测2次表面平整度。跨洞口部位必测。(2)当墙长度大于3米时,除按45度角斜放靠尺测量两次表面平整度外,还需在墙长度中间水平放靠尺测量1次表面平整度。跨洞口部位必测。2.2.1.示例:(该检查项数据要求上墙)墙地面墙长小于3米时,此尺取消第四尺墙面平整度测量示意偏差值(第一尺)偏差值(第二尺)偏差值(第三尺)偏差值)..2.3.垂直度(砼结构)2.3.1.测量方法和数据记录:(1)当墙长度小于3米时,同一面墙两端头附近位置,分别按以下原则实测2次:一是靠尺顶端接触到上部砼顶板位置时测1次垂直度,二是靠尺底端接触到下部地面位置时测1次垂直度。砼墙体洞口一侧为垂直度必测部位。(2)当墙长度大于3米时,同一面墙两端附近竖向和墙中间位置,分别按以下原则实测3次:一是靠尺顶端接触到上部砼顶板位置时测1次垂直度,二是靠尺底端接触到下部地面位置时测1次垂直度,三是在墙长度中间位置靠尺基本在高度方向居中时测1次垂直度。砼墙体洞口一侧为垂直度必测部位。(3)砼柱:任选砼柱四面中的两面,分别将靠尺顶端接触到上部砼顶板和下部地面位置时各测1次垂直度。2.3.2.示例:(该检查项数据要求上墙)地面柱柱垂直度测量示意墙垂直度测量示意墙地面墙长小于3米时,此尺取消偏差值(第三尺)偏差值(第二尺)偏差值(第一尺)偏差值(第一尺)..2.4.顶板水平度极差(砼结构)2.4.2.测量方法和数据记录:使用激光扫平仪,在实测板跨内打出一条水平基准线。在顶板四角位置选取4个点,以及板跨几何中心位(若板单侧跨度较大可在中心部位增加1个测点),分别测量砼顶板与水平基准线之间的5个垂直距离。以最低点为基准点,计算另外四点与最低点之间的偏差。2.4.3.示例:(该检查项数据要求上墙)偏差值(第二尺)第五点第三点第二点第四点第一点房间顶板顶板水平度极差测量示意..测量值测量值测量值测量值测量值偏差值2.5.施工控制线设置(砼结构阶段)2.5.2.指标说明:反映砌筑、抹灰、装修尺寸前期控制的偏差,以便控制砌筑、抹灰和装修的尺寸精度,为砌筑、装修房集中加工等提供控制条件。2.5.3.合格标准:每面砌体正手墙要求设置砌筑控制线(对剪力墙则为抹灰控制线)、水平标高控制线。2.5.4.测量方法和数据记录:(1)每一面墙、每一个卫生间、每一个厨房各作为一个实测区,测量部位选择正手墙面。(2)测量方法:采用目测、尺量方法,检查同一个实测区是否设置二线,其尺寸是否符合设计要求。(3)数据记录:每一实测区未设置二线,则该实测点不合格;反之,则该实测点合格。顶板水平度测量值及极差值记录示意墙地面..3.砌筑工程3.3.表面平整度(砌筑工程)3.3.2.测量方法和数据记录:(1)当墙面长度小于3米,各墙面顶部和根部4个角中,取左上及右下2个角。按45度角斜放靠尺分别各测量1次。(2)当墙面长度大于3米时,还需在墙长度中间位置增加1次水平测量。(3)墙面有门窗、过道洞口的,在各洞口45度斜交测一次,测量值记录在门边墙上相...

1、当您付费下载文档后,您只拥有了使用权限,并不意味着购买了版权,文档只能用于自身使用,不得用于其他商业用途(如 [转卖]进行直接盈利或[编辑后售卖]进行间接盈利)。
2、本站所有内容均由合作方或网友上传,本站不对文档的完整性、权威性及其观点立场正确性做任何保证或承诺!文档内容仅供研究参考,付费前请自行鉴别。
3、如文档内容存在违规,或者侵犯商业秘密、侵犯著作权等,请点击“违规举报”。

碎片内容

万科实测检查数据上墙操作指引

您可能关注的文档

确认删除?
VIP
微信客服
  • 扫码咨询
会员Q群
  • 会员专属群点击这里加入QQ群
客服邮箱
回到顶部