电脑桌面
添加小米粒文库到电脑桌面
安装后可以在桌面快捷访问

三背回填技术交底VIP免费

三背回填技术交底_第1页
1/6
三背回填技术交底_第2页
2/6
三背回填技术交底_第3页
3/6
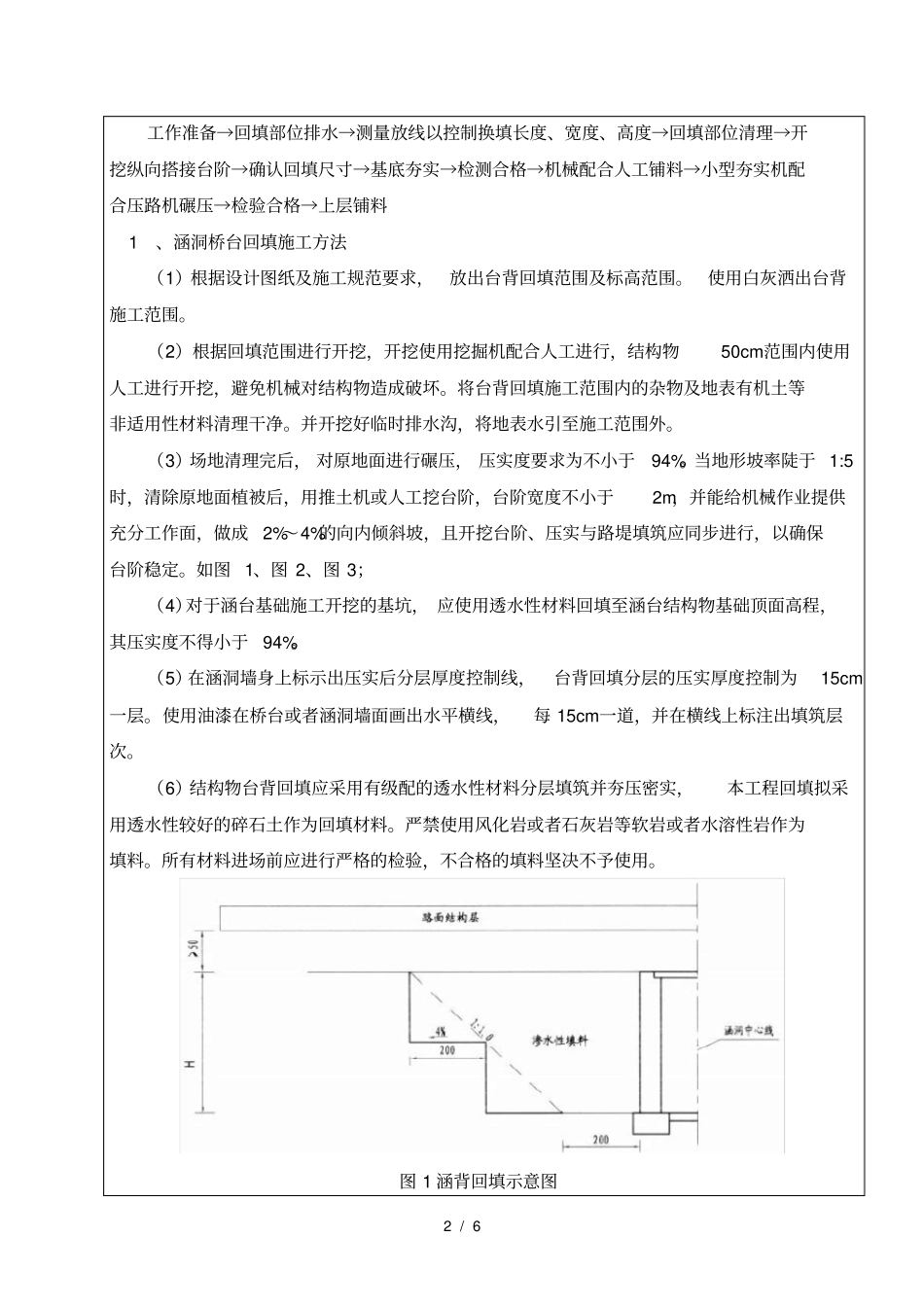
1/6安全技术交底(二级)合同号起止桩号合同名称本次技术交底日期地点所属单位工程交底内容:一、交底范围:主线K5+300~K8+000段主线路基段三背回填施工。二、三背回填施工方法(一)、施工流程三背填筑施工工艺流程框图工作准备开挖台阶场地排水下层摊铺测量放线材料摊铺碾压检测确认回填尺寸场地清理合格不合格2/6工作准备→回填部位排水→测量放线以控制换填长度、宽度、高度→回填部位清理→开挖纵向搭接台阶→确认回填尺寸→基底夯实→检测合格→机械配合人工铺料→小型夯实机配合压路机碾压→检验合格→上层铺料1、涵洞桥台回填施工方法(1)根据设计图纸及施工规范要求,放出台背回填范围及标高范围。使用白灰洒出台背施工范围。(2)根据回填范围进行开挖,开挖使用挖掘机配合人工进行,结构物50cm范围内使用人工进行开挖,避免机械对结构物造成破坏。将台背回填施工范围内的杂物及地表有机土等非适用性材料清理干净。并开挖好临时排水沟,将地表水引至施工范围外。(3)场地清理完后,对原地面进行碾压,压实度要求为不小于94%。当地形坡率陡于1:5时,清除原地面植被后,用推土机或人工挖台阶,台阶宽度不小于2m,并能给机械作业提供充分工作面,做成2%~4%的向内倾斜坡,且开挖台阶、压实与路堤填筑应同步进行,以确保台阶稳定。如图1、图2、图3;(4)对于涵台基础施工开挖的基坑,应使用透水性材料回填至涵台结构物基础顶面高程,其压实度不得小于94%。(5)在涵洞墙身上标示出压实后分层厚度控制线,台背回填分层的压实厚度控制为15cm一层。使用油漆在桥台或者涵洞墙面画出水平横线,每15cm一道,并在横线上标注出填筑层次。(6)结构物台背回填应采用有级配的透水性材料分层填筑并夯压密实,本工程回填拟采用透水性较好的碎石土作为回填材料。严禁使用风化岩或者石灰岩等软岩或者水溶性岩作为填料。所有材料进场前应进行严格的检验,不合格的填料坚决不予使用。图1涵背回填示意图3/6(7)台背填筑作业按预先设定的高度水平分层进行摊铺,使用白灰划方格网的方法控制松铺厚度,并根据预先进行的摊铺试验确定松铺厚度,确保每层填料的压实厚度为15cm。(8)分层摊铺,分层碾压。采用机械辅以人工进行摊铺,不平的部位人工进行找平,个别粗粒料集中处要人工加铺细料拌和均匀。整平过程中露出的超粒径石块要及时挖除,大石块挖除后留下的坑洞,要填补至略高于整平层的表面。(9)使用压路机进行碾压,碾压顺序由两侧向中间碾压,然后再由中间向两侧碾压,且每次要求错轮1/3轮宽。尽量采用多遍静压至碾压密实,特殊情况或者距台背结构物较远的部位可采用微震碾压,严禁使用强震碾压。碾压过程中出现的空洞、孔隙部位人工配合机械补充细料,再进行碾压,如仍有松动的石块,用合适粒径的小石块换填嵌实并填补至略高于压平层的表面。图2填土式桥台回填示意图图3挡土式桥台回填示意图(10)台背结构物1m范围内应使用小型夯实机具进行夯实,严禁使用压路机压实,避免对结构物造成影响。施工时应注意,涵台结构物周边范围应首先进行小型机具的夯实,然后方可进行大面积机械压实施工。4/6(11)使用小型夯机夯实时,其压实厚度应小于15cm,以确保其压实度符合设计及规范要求。使用小型机具夯实时注意要夯实均匀,密实,避免出现死角。(12)桥涵台背回填的压实度要求为从构造物基础顶面至涵洞顶面的压实度不小于96%。(13)每层施工完成后报监理工程师进行检验,检验合格后方可进行下一道工序的施工。(14)通涵构造物台背回填范围为:顺路线方向长度,底部距涵洞基础2m,顶部距侧墙2H+3m(H为基础顶面至盖板顶面高度)。(15)涵洞顶面回填土超过50cm后才能通行施工机械。2、挡土墙回填施工方法(1)挡土墙回填时,必须待结构物强度达到75%以上,否则会对结构物造成损害,导致墙体开裂。(2)回填前必须将原地面或者已填筑路基表面挖松,清理坑洞内杂物及表层浮土,待监理工程师验收后开始填筑。如图4所示。图4挡土墙回填示意图(3)填筑时检查填料是否含有杂质,严禁腐殖土,清表土等不满足填筑要求的土作为回填材料。(4)检查填料的含水量,如果填料含水量太大,则可以添加干土搅...

1、当您付费下载文档后,您只拥有了使用权限,并不意味着购买了版权,文档只能用于自身使用,不得用于其他商业用途(如 [转卖]进行直接盈利或[编辑后售卖]进行间接盈利)。
2、本站所有内容均由合作方或网友上传,本站不对文档的完整性、权威性及其观点立场正确性做任何保证或承诺!文档内容仅供研究参考,付费前请自行鉴别。
3、如文档内容存在违规,或者侵犯商业秘密、侵犯著作权等,请点击“违规举报”。

碎片内容

三背回填技术交底

您可能关注的文档

确认删除?
VIP
微信客服
  • 扫码咨询
会员Q群
  • 会员专属群点击这里加入QQ群
客服邮箱
回到顶部