电脑桌面
添加小米粒文库到电脑桌面
安装后可以在桌面快捷访问

上海城环境装饰照明规范详解VIP免费

上海城环境装饰照明规范详解_第1页
1/14
上海城环境装饰照明规范详解_第2页
2/14
上海城环境装饰照明规范详解_第3页
3/14
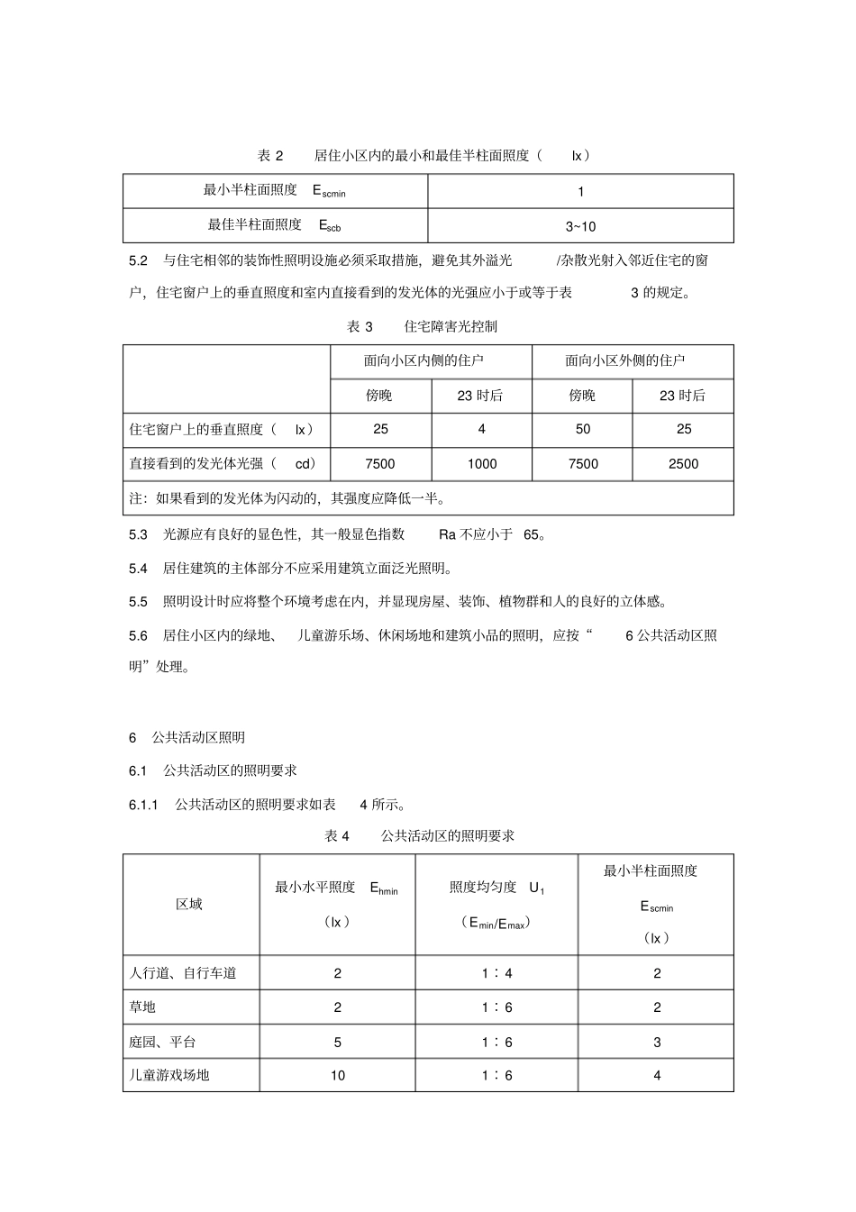
上海市城市环境(装饰)照明规范1范围本标准规定了居住小区照明、公共活动区照明、商业中心区照明、行政办公(工业)区照明、建筑外观照明、河流及桥梁照明和其他设施照明的设计、安装规范以及相关的管理工作。本标准适用于城市居住小区、广场、步行街、建筑物、构筑物、公园、绿地、雕塑、河流、水体、桥梁、人行天桥、地下通道以及人行小径等的环境和装饰照明。本标准不适用于上述有关区域以外的城市道路、高架道路和汽车隧道等的照明。2规范性引用文件下列文件中的条款通过在本标准的引用而构成本标准的条款。凡是注明日期的应用文件,其随后所有的修改单(不包括勘误的内容)或修订版均不适用于本标准,然而,鼓励根据本标准达成协议的各方研究是否可使用这些文件的最新版本。凡是不注明日期的引用文件,其最新版本适用于本标准。CJJ45-1991《城市道路照明设计标准》JG3050-1998《建筑用绝缘电工套管及配件》C1E115-1995《机动车及步行者交通照明建议》GB7000.1-2002《灯具一般安全要求与试验》3术语和定义见附录A4总则4.1城市环境照明的照度水平应符合下列规定(1)地面水平照度(1x)、最低要求为2lx;(2)离地面1.5m处的半柱面照度(1x),最低要求为1lx。4.2城市环境照明应考虑生态和环保的要求,消防光污染的影响。4.2.1城市环境照明设施应控制外溢光/杂散光,以免形成射入居民居室的障害光。用于建筑泛光照明的灯具应将光束全部投射在所照明建筑物的立面上,严格控制外溢光。4.2.2城区照明设施的外溢光/杂散光应避免对行人和汽车驾驶员形成失能或不舒适眩光。城区照明灯具的眩光限制可简化为L与A的关系,如表1中规定。表1城区照明灯具的眩光限制安装高度(m)L与A的关系h≤4.5LA0.5≤40004.5<h≤6LA0.5≤5500h>6LA0.5≤7000注:L为灯具与向下垂线成85°和90°方向间的最大平均亮度(cd/㎡),A为灯具在与向下垂线成85°和90°方向间的出光面积(㎡),包括所有表面。4.2.3为了降低夜空亮度,室外灯具的上射逸出光不能大于总输出光通的25%。在天文台(站)附近应从严控制。4.2.4城市道路或河流两旁的照明应避免对船只的航行造成交通安全上的障碍。4.2.5城市环境照明设施应避免光线对于乔木、灌木和其他花卉生长的影响,并配合环保及城区园林的建设。4.3环境和装饰照明应按照明质量、装饰效果、节能指标和环保要求,分别选择合适的光源。有关光源的工作特性列于附录B表B.1中以供比较。4.4城市环境照明的灯具及灯杆等装置除了应在功能上满足照明要求外,其自身也应做到坚固、安全,造型亦应与周围建筑和环境的风格相协调。4.5城市环境应通过商让和娱乐设施的照明、灯光标志、绿化和建筑物的泛光照明以及步行区的照明表示不同区域的特征。4.6城市环境或装饰照明采用彩色灯光时,不应影响对行人外观的辨认,并且不能与航行、交通等的标志信号灯混淆。4.7在城市内功能混杂区域(如居住区内亦有商业街,或商业区内夹杂有住房或行政办公建筑)的照明,应按该区域的实际功能采用本标准中的相关条文(如7“商业中心区照明”或8“行政办公(工业)区照明”)处理。5居住小区照明5.1居住小区内的照明居住小区内的最小半柱面照度和推荐的最佳半柱面照度见表2所示。表2居住小区内的最小和最佳半柱面照度(lx)最小半柱面照度Escmin1最佳半柱面照度Escb3~105.2与住宅相邻的装饰性照明设施必须采取措施,避免其外溢光/杂散光射入邻近住宅的窗户,住宅窗户上的垂直照度和室内直接看到的发光体的光强应小于或等于表3的规定。表3住宅障害光控制面向小区内侧的住户面向小区外侧的住户傍晚23时后傍晚23时后住宅窗户上的垂直照度(lx)2545025直接看到的发光体光强(cd)7500100075002500注:如果看到的发光体为闪动的,其强度应降低一半。5.3光源应有良好的显色性,其一般显色指数Ra不应小于65。5.4居住建筑的主体部分不应采用建筑立面泛光照明。5.5照明设计时应将整个环境考虑在内,并显现房屋、装饰、植物群和人的良好的立体感。5.6居住小区内的绿地、儿童游乐场、休闲场地和建筑小品的照明,应按“6公共活动区照明”处理。6公共活动区照明6.1公共活动区的照明要求6.1.1公共活动区的照明...

1、当您付费下载文档后,您只拥有了使用权限,并不意味着购买了版权,文档只能用于自身使用,不得用于其他商业用途(如 [转卖]进行直接盈利或[编辑后售卖]进行间接盈利)。
2、本站所有内容均由合作方或网友上传,本站不对文档的完整性、权威性及其观点立场正确性做任何保证或承诺!文档内容仅供研究参考,付费前请自行鉴别。
3、如文档内容存在违规,或者侵犯商业秘密、侵犯著作权等,请点击“违规举报”。

碎片内容

上海城环境装饰照明规范详解

您可能关注的文档

文库响当当+ 关注
实名认证
内容提供者

该用户很懒,什么也没介绍

确认删除?
VIP
微信客服
  • 扫码咨询
会员Q群
  • 会员专属群点击这里加入QQ群
客服邮箱
回到顶部