电脑桌面
添加小米粒文库到电脑桌面
安装后可以在桌面快捷访问

专题十四综合试验探究VIP免费

专题十四综合试验探究_第1页
1/6
专题十四综合试验探究_第2页
2/6
专题十四综合试验探究_第3页
3/6
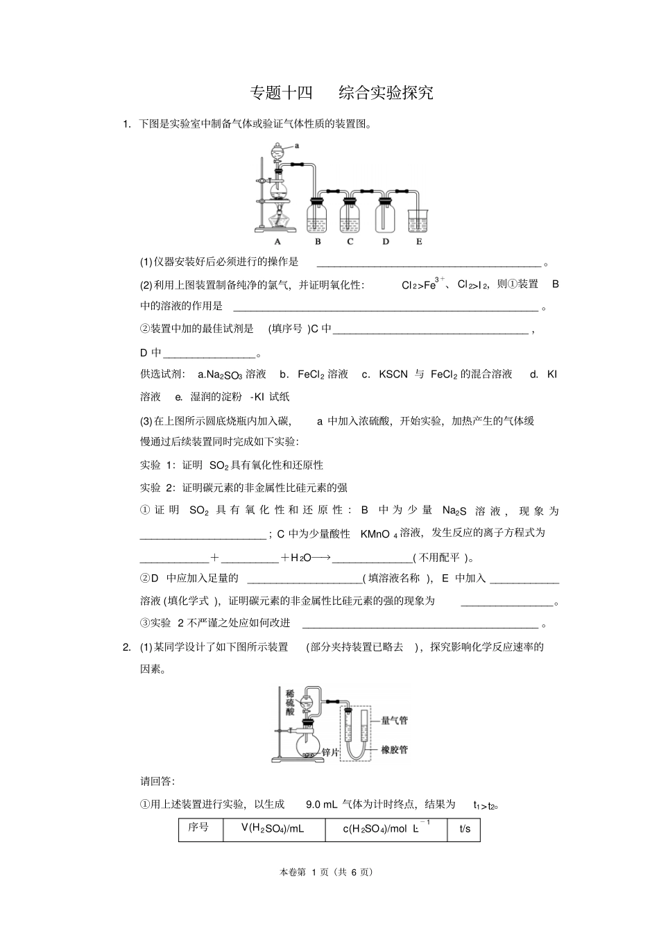
本卷第1页(共6页)专题十四综合实验探究1.下图是实验室中制备气体或验证气体性质的装置图。(1)仪器安装好后必须进行的操作是_______________________________________。(2)利用上图装置制备纯净的氯气,并证明氧化性:Cl2>Fe3+、Cl2>I2,则①装置B中的溶液的作用是_____________________________________________________。②装置中加的最佳试剂是(填序号)C中__________________________________,D中________________。供选试剂:a.Na2SO3溶液b.FeCl2溶液c.KSCN与FeCl2的混合溶液d.KI溶液e.湿润的淀粉-KI试纸(3)在上图所示圆底烧瓶内加入碳,a中加入浓硫酸,开始实验,加热产生的气体缓慢通过后续装置同时完成如下实验:实验1:证明SO2具有氧化性和还原性实验2:证明碳元素的非金属性比硅元素的强①证明SO2具有氧化性和还原性:B中为少量Na2S溶液,现象为______________________;C中为少量酸性KMnO4溶液,发生反应的离子方程式为____________+__________+H2O―→______________(不用配平)。②D中应加入足量的____________________(填溶液名称),E中加入____________溶液(填化学式),证明碳元素的非金属性比硅元素的强的现象为________________。③实验2不严谨之处应如何改进_________________________________________。2.(1)某同学设计了如下图所示装置(部分夹持装置已略去),探究影响化学反应速率的因素。请回答:①用上述装置进行实验,以生成9.0mL气体为计时终点,结果为t1>t2。序号V(H2SO4)/mLc(H2SO4)/mol·L-1t/s本卷第2页(共6页)Ⅰ401t1Ⅱ404t2比较实验Ⅰ和Ⅱ可以得出的实验结论是________________________________________________________________________________________________________。实验过程中,对量气管的操作是_________________________________________。②若将锌片换成含杂质的粗锌片,且控制其他条件使其与上述实验完全一致,所测得的反应速率均大于上述实验对应的数据。粗锌片中所含杂质可能是(填序号)__________。a.石墨b.银c.铜d.沙粒(二氧化硅)(2)亚硝酸钠的热稳定性高,可用高温热还原法制备:Pb(粉)+NaNO3===PbO+NaNO2,产物PbO不溶于水,将反应后混合物溶于热水中,经________、________(填基本实验操作),可得到白色晶状的亚硝酸钠。(3)Fe和KClO4反应放出的热量,能为熔融盐电池提供550~660℃的温度,使低熔点盐熔化导电,从而激活电池。这类电池称为热电池。Li/FeS2热电池工作时,Li转变为硫化锂,FeS2转变为铁,该电池工作时,电池总反应为______________________________________________________________________。(4)六价铬有毒,而Cr3+相对安全。工业含铬(CrO3)废渣无害化处理的方法之一是干法解毒,用煤不完全燃烧生成的CO还原CrO3。在实验室中模拟这一过程的装置如下:CO由甲酸脱水制得:实验结束时熄灭酒精灯的顺序是_____________________________________________________________________。3.用脱脂棉包住约0.2g过氧化钠粉末,置于石棉网上,向脱脂棉上滴水,观察到脱脂棉剧烈燃烧起来。(1)由上述实验现象所推出的结论是第一:有氧气生成;第二:____________。Na2O2跟水反应的化学方程式是_____________________________________________________________________。本卷第3页(共6页)(2)某研究性学习小组拟用右图所示装置(气密性良好)进行实验,以证明上述结论。①用以验证第一条结论的实验操作及现象是_________________________________________________________________。②用以验证第二条结论的实验操作及现象是________________________________________________________________________________________________。(3)实验(2)向试管中加水至固体完全溶解且不再有气泡生成后,滴入酚酞试液,发现溶液先变红后褪色,为探究其原因,该小组同学从查阅有关资料中得知:Na2O2与水反应可生成H2O2,H2O2具有强氧化性和漂白性。请从另外一个角度(即不能再使用酸碱指示剂)设计一个简单的实验,验证Na2O2跟足量水充分反应后的溶液中有H2O2存在:_____________________________________________________________...

1、当您付费下载文档后,您只拥有了使用权限,并不意味着购买了版权,文档只能用于自身使用,不得用于其他商业用途(如 [转卖]进行直接盈利或[编辑后售卖]进行间接盈利)。
2、本站所有内容均由合作方或网友上传,本站不对文档的完整性、权威性及其观点立场正确性做任何保证或承诺!文档内容仅供研究参考,付费前请自行鉴别。
3、如文档内容存在违规,或者侵犯商业秘密、侵犯著作权等,请点击“违规举报”。

碎片内容

专题十四综合试验探究

爱的疯狂+ 关注
实名认证
内容提供者

该用户很懒,什么也没介绍

确认删除?
VIP
微信客服
  • 扫码咨询
会员Q群
  • 会员专属群点击这里加入QQ群
客服邮箱
回到顶部