电脑桌面
添加小米粒文库到电脑桌面
安装后可以在桌面快捷访问

玻璃产品的技术性能参数及设计VIP专享VIP免费

玻璃产品的技术性能参数及设计_第1页
1/7
玻璃产品的技术性能参数及设计_第2页
2/7
玻璃产品的技术性能参数及设计_第3页
3/7
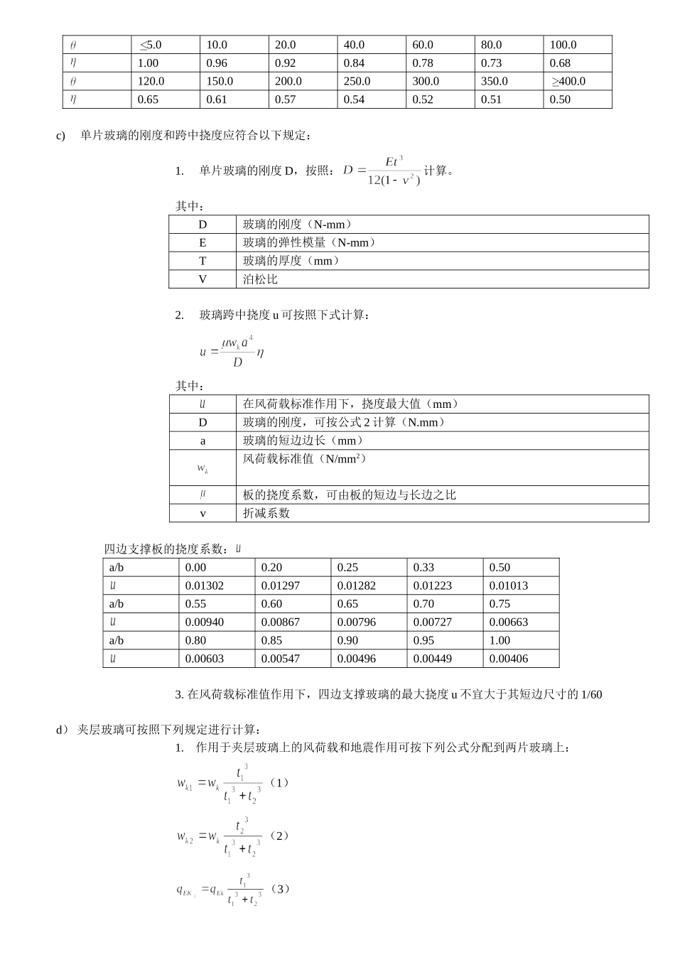
玻璃产品的技术性能参数及设计玻璃的材料力学性能力学性能\玻璃种类浮法玻璃半钢化玻璃钢化玻璃高强度单片铯钾防火玻璃强度设计值fg(N/mm2)玻璃厚度大面侧面大面侧面大面侧面大面侧面5~1228.019.556.039.084.058.8126.088.215~1924.017.048.034.072.050.4108.075.6>=2020.014.040.028.059.041.388.562.0弹性模量E(N/mm2)0.72×105泊松比0.20线膨胀系数(1/℃)0.80×10-5重力密度标准值25.6(夹层玻璃同样适用)玻璃抗风压及地震力设计(引自《玻璃幕墙工程技术规范》JGJ102-2003)<一>有框玻璃幕墙玻璃设计a)有框玻璃幕墙单片玻璃的厚度不应小于6mm,夹层玻璃的单片厚度不宜小于5mm;夹层玻璃和中空玻璃的单片玻璃厚度相差不宜大于3mm。b)单片玻璃在垂直于玻璃幕墙平面的风荷载和地震力作用下,玻璃截面最大应力应符合下列规定:i.最大应力标准值可按照下列公式计算:1.2.3.或式中:参数,分别为垂直玻璃幕墙平面的风荷载或地震作用下,玻璃的最大应力标准值(N/mm2),分别为垂直于玻璃幕墙平面的风荷载或地震作用标准值(N/mm2)玻璃的短边边长(mm)t玻璃的厚度(mm)m弯矩系数,可由短边边长与长边边长之比a/b按照下表1采用折减系数,可由参数按照下表2采用表1:四边支撑玻璃半的弯矩系数ma/b0.000.250.330.400.500.550.600.65m0.12500.12300.11800.11150.10000.09340.08680.0804a/b0.700.750.800.850.900.951.0/m0.07420.06830.06280.05760.05280.04830.0442/表2:折减系数5.010.020.040.060.080.0100.01.000.960.920.840.780.730.68120.0150.0200.0250.0300.0350.0400.00.650.610.570.540.520.510.50c)单片玻璃的刚度和跨中挠度应符合以下规定:1.单片玻璃的刚度D,按照:计算。其中:D玻璃的刚度(N-mm)E玻璃的弹性模量(N-mm)T玻璃的厚度(mm)V泊松比2.玻璃跨中挠度u可按照下式计算:其中:在风荷载标准作用下,挠度最大值(mm)D玻璃的刚度,可按公式2计算(N.mm)a玻璃的短边边长(mm)风荷载标准值(N/mm2)板的挠度系数,可由板的短边与长边之比v折减系数四边支撑板的挠度系数:a/b0.000.200.250.330.500.013020.012970.012820.012230.01013a/b0.550.600.650.700.750.009400.008670.007960.007270.00663a/b0.800.850.900.951.000.006030.005470.004960.004490.004063.在风荷载标准值作用下,四边支撑玻璃的最大挠度u不宜大于其短边尺寸的1/60d)夹层玻璃可按照下列规定进行计算:1.作用于夹层玻璃上的风荷载和地震作用可按下列公式分配到两片玻璃上:(1)(2)(3)(4)其中:Wk作用于夹层玻璃上的风荷载标准值(N/mm2)Wk1,Wk2分别为分配到各片玻璃的风荷载标准值(N/mm2)qEK作用于夹层玻璃上的地震作用标准值(N/mm2)qEK1,qEK2分别为分配到各单片玻璃的地震作用标准值(N/mm2)t1,t2分别为各单片玻璃的厚度(mm)2.两片玻璃可各自按照第1,2条的规定分别进行单片玻璃的应力计算;3.夹层玻璃的挠度可按照第1,3条的规定进行计算,但在计算刚度D时,应采用等效厚度tete可按照下式计算:(5)其中:t1,t2分别为各单片玻璃的厚度(mm)e)中空玻璃可按照下列规定进行计算1.作用于中空玻璃上的风荷载标准值可按下列公式分配到两片玻璃上:i.直接承受风荷载作用的单片玻璃:(1.5-1)ii.不直接承受风荷载作用的单片玻璃:(1.5-2)2.作用于中空玻璃上的地震作用标准值,可根据各单片玻璃的自重计算。3.两片玻璃可分别按照本规定的第1,2条计算各单片玻璃的应力。4.中空玻璃的挠度可按照本规定进行计算,但计算刚度D时,应采用等效厚度te,te可按照下式计算:(1.5-3)其中t1,t2分别为各单片玻璃的厚度(mm)<二>玻璃幕墙玻璃的设计a)一般规定1.玻璃高度大于下表限制的全玻幕墙,应悬挂在主体结构上。下端支撑全玻幕墙的最大高度玻璃厚度(mm)10.121519最大高度(m)4562.全玻幕墙的周边收口槽壁与玻璃面板或玻璃肋的空隙均不宜小于8mm,玻璃下端与槽底的空隙尚应满足玻璃伸长变型的要求;玻璃与下槽底应采用弹性垫块支撑,垫块长度不宜小于100mm,厚度不宜小于10mm,槽壁与玻璃间应采用硅建筑密封胶填充。3.吊挂全玻璃幕墙的主体结构应有足够的刚度,应采用...

1、当您付费下载文档后,您只拥有了使用权限,并不意味着购买了版权,文档只能用于自身使用,不得用于其他商业用途(如 [转卖]进行直接盈利或[编辑后售卖]进行间接盈利)。
2、本站所有内容均由合作方或网友上传,本站不对文档的完整性、权威性及其观点立场正确性做任何保证或承诺!文档内容仅供研究参考,付费前请自行鉴别。
3、如文档内容存在违规,或者侵犯商业秘密、侵犯著作权等,请点击“违规举报”。

碎片内容

玻璃产品的技术性能参数及设计

确认删除?
VIP
微信客服
  • 扫码咨询
会员Q群
  • 会员专属群点击这里加入QQ群
客服邮箱
回到顶部