电脑桌面
添加小米粒文库到电脑桌面
安装后可以在桌面快捷访问

广西高考化学一轮复习 考点规范练19 化学反应速率及影响因素 新人教版-新人教版高三全册化学试题VIP免费

广西高考化学一轮复习 考点规范练19 化学反应速率及影响因素 新人教版-新人教版高三全册化学试题_第1页
1/8
广西高考化学一轮复习 考点规范练19 化学反应速率及影响因素 新人教版-新人教版高三全册化学试题_第2页
2/8
广西高考化学一轮复习 考点规范练19 化学反应速率及影响因素 新人教版-新人教版高三全册化学试题_第3页
3/8
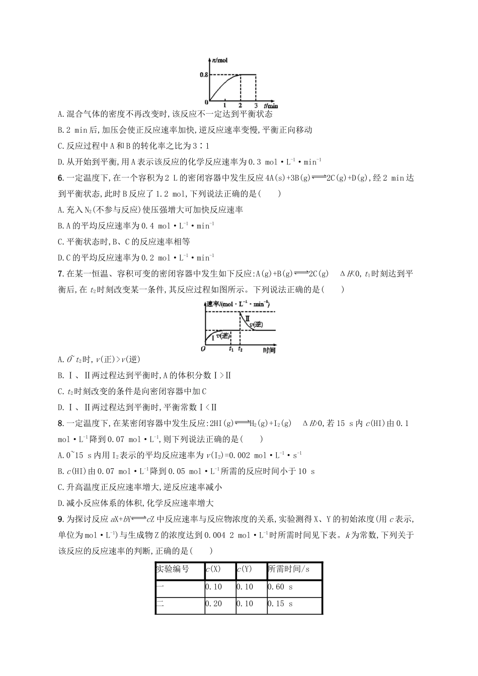
考点规范练19化学反应速率及影响因素(时间:45分钟满分:100分)一、选择题(本题共10小题,每小题5分,共50分。每小题只有一个选项符合题目要求)1.将4molA气体和2molB气体在容积为2L的容器中混合并在一定条件下发生反应:2A(g)+B(g)2C(g),经2s后测得C的浓度为0.6mol·L-1,下列几种说法中正确的是()A.用物质A表示反应的平均速率为0.3mol·L-1·s-1B.用物质B表示反应的平均速率为0.3mol·L-1·s-1C.2s时物质A的转化率为70%D.2s时物质B的浓度为0.3mol·L-12.在容积为2L的密闭容器中,一定条件下发生化学反应:2NO(g)+2CO(g)N2(g)+2CO2(g)ΔH=-746.4kJ·mol-1。起始反应时NO和CO各为4mol,10s后达到化学平衡,测得N2为1mol。下列有关反应速率的说法中正确的是()A.反应前5s内,用NO表示的平均反应速率为0.1mol·L-1·s-1B.达到平衡后,升高温度,正反应速率将减小,逆反应速率将增大C.达到平衡后,反应速率的关系有:v正(CO)=2v逆(N2)D.保持容器容积不变,往容器中充入1molO2,正、逆反应速率都不改变3.在恒温、恒容的容器中进行反应2AB,若反应物的浓度由0.1mol·L-1降到0.06mol·L-1需要20s,那么由0.06mol·L-1降到0.036mol·L-1所需反应时间应()A.等于10sB.等于12sC.大于12sD.小于12s4.下列关于化学反应速率的说法中,正确的是()①用铁片与稀硫酸反应制取氢气时,改用98%的浓硫酸可以加快产生氢气的速率②SO2的催化氧化是一个放热反应,所以升高温度,反应速率减慢③决定化学反应速率的主要因素是反应物的浓度④汽车尾气中的NO与CO反应转化为无害的N2和CO2,减小压强,反应速率减慢⑤增大压强,一定能加快化学反应速率⑥用锌与稀硫酸反应制H2时,滴加几滴硫酸铜溶液能加快反应速率⑦使用催化剂,使反应的活化能降低,反应速率加快⑧光是影响某些化学反应速率的外界条件之一⑨增加反应物的用量,一定会增大化学反应速率A.①②⑤⑨B.④⑥⑦⑧C.④⑥⑦⑨D.③④⑥⑦5.一定条件下,将3molA和1molB两种气体混合于固定容积为2L的密闭容器中,发生反应:3A(g)+B(g)C(g)+2D(s)。2min末该反应达到平衡,生成D的物质的量随时间变化情况如图所示。下列判断正确的是()A.混合气体的密度不再改变时,该反应不一定达到平衡状态B.2min后,加压会使正反应速率加快,逆反应速率变慢,平衡正向移动C.反应过程中A和B的转化率之比为3∶1D.从开始到平衡,用A表示该反应的化学反应速率为0.3mol·L-1·min-16.一定温度下,在一个容积为2L的密闭容器中发生反应4A(s)+3B(g)2C(g)+D(g),经2min达到平衡状态,此时B反应了1.2mol,下列说法正确的是()A.充入N2(不参与反应)使压强增大可加快反应速率B.A的平均反应速率为0.4mol·L-1·min-1C.平衡状态时,B、C的反应速率相等D.C的平均反应速率为0.2mol·L-1·min-17.在某一恒温、容积可变的密闭容器中发生如下反应:A(g)+B(g)2C(g)ΔH<0,t1时刻达到平衡后,在t2时刻改变某一条件,其反应过程如图所示。下列说法正确的是()A.O~t2时,v(正)>v(逆)B.Ⅰ、Ⅱ两过程达到平衡时,A的体积分数Ⅰ>ⅡC.t2时刻改变的条件是向密闭容器中加CD.Ⅰ、Ⅱ两过程达到平衡时,平衡常数Ⅰ<Ⅱ8.一定温度下,在某密闭容器中发生反应:2HI(g)H2(g)+I2(g)ΔH>0,若15s内c(HI)由0.1mol·L-1降到0.07mol·L-1,则下列说法正确的是()A.0~15s内用I2表示的平均反应速率为v(I2)=0.002mol·L-1·s-1B.c(HI)由0.07mol·L-1降到0.05mol·L-1所需的反应时间小于10sC.升高温度正反应速率增大,逆反应速率减小D.减小反应体系的体积,化学反应速率增大9.为探讨反应aX+bYcZ中反应速率与反应物浓度的关系,实验测得X、Y的初始浓度(用c表示,单位为mol·L-1)与生成物Z的浓度达到0.0042mol·L-1时所需时间见下表。k为常数,下列关于该反应的反应速率的判断,正确的是()实验编号c(X)c(Y)所需时间/s一0.100.100.60s二0.200.100.15s三0.200.050.30sA.v=kc(X)·c(Y)B.v=kc(X),且与c(Y)无关C.v=kc2(X)·c(Y)D.v=kc2(X)c(Y)10.一定温度下,将1molA(g)和1molB(g)充入容积为2L密闭容器中发生反应A(g)+B(g)xC(g)+D(s),在t1时达到平衡。在t2、t3时刻分别改变反应的一个条件,测得容器中C(g)的浓度随时间变化如图所示。下列有关说法正确的是()A.反应方程式中x=2B.t2时刻改变的条件是使用催化...

1、当您付费下载文档后,您只拥有了使用权限,并不意味着购买了版权,文档只能用于自身使用,不得用于其他商业用途(如 [转卖]进行直接盈利或[编辑后售卖]进行间接盈利)。
2、本站所有内容均由合作方或网友上传,本站不对文档的完整性、权威性及其观点立场正确性做任何保证或承诺!文档内容仅供研究参考,付费前请自行鉴别。
3、如文档内容存在违规,或者侵犯商业秘密、侵犯著作权等,请点击“违规举报”。

碎片内容

广西高考化学一轮复习 考点规范练19 化学反应速率及影响因素 新人教版-新人教版高三全册化学试题

您可能关注的文档

慧源书店+ 关注
实名认证
内容提供者

从事历史教学,热爱教育,高度负责。

相关文档

确认删除?
VIP
微信客服
  • 扫码咨询
会员Q群
  • 会员专属群点击这里加入QQ群
客服邮箱
回到顶部