电脑桌面
添加小米粒文库到电脑桌面
安装后可以在桌面快捷访问

简单台阶轴加工VIP免费

简单台阶轴加工_第1页
1/2
简单台阶轴加工_第2页
2/2
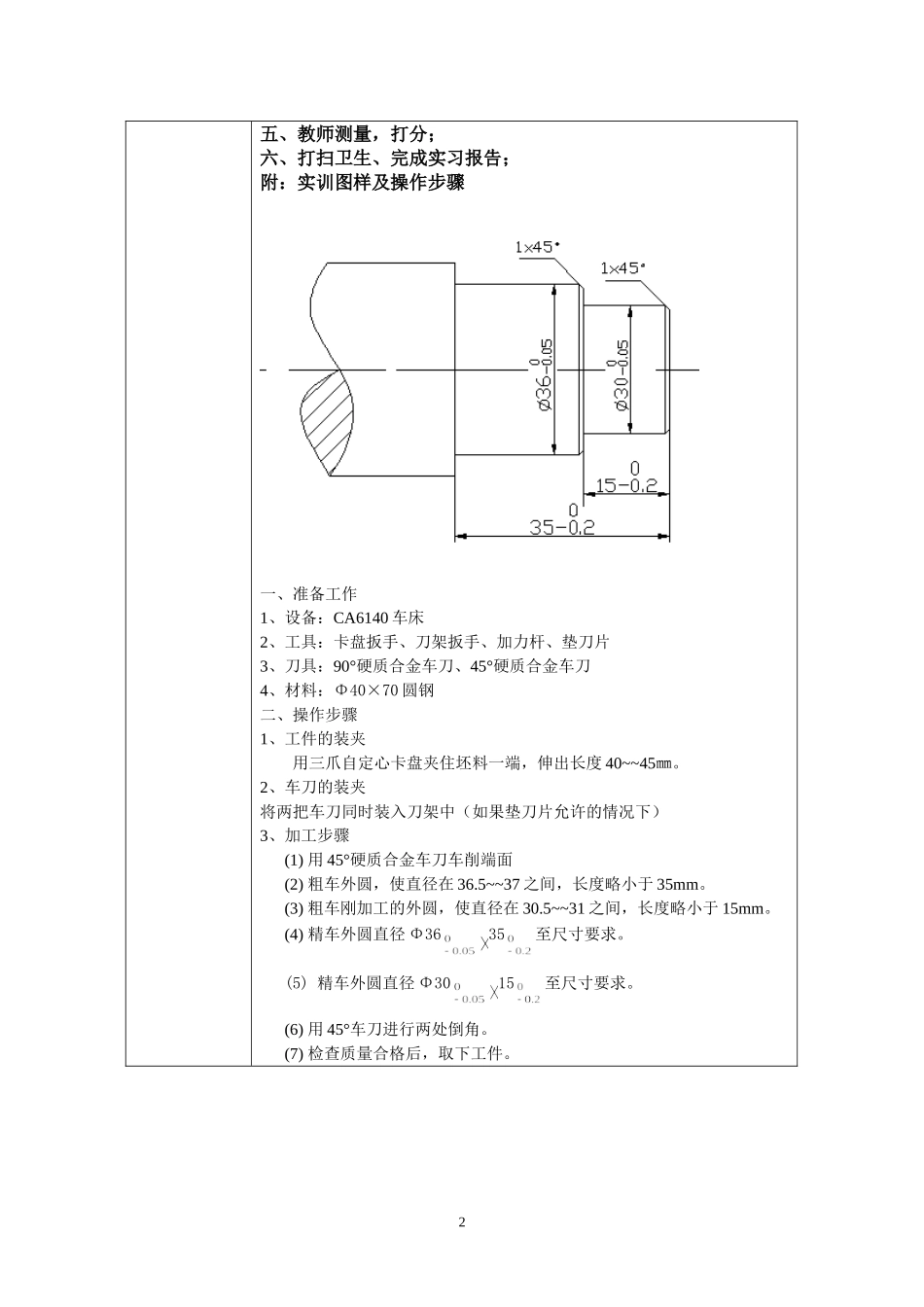
课题名称简单台阶轴加工授课教师张伟明授课日期第周2013年5月21日授课时数8课时分配讲课:0.5示范:0.5练习:3结合生产:4授课班级车工兴趣小组授课班级人数15教学目的与要求1、掌握车削阶台轴类零件的方法2、掌握利用控制车床的大拖板和中拖板来控制零件的尺寸精度3、掌握利用游标卡尺和千分尺来测量所加工的零件重点与难点重点:掌握车削台阶的方法和步骤难点:台阶长度及台阶平面的正确车削示范内容根据图纸要求,做简单台阶轴的加工步骤演示重点及注意事项教学过程重点:一.安全文明生产教育;二.加工方法及加工步骤是否正确;注意事项:1、先开车后进刀,切削后应先退刀后停车否则容易损坏车刀。车床运转时不得用手去摸工件表面。不准用手去刹住转动着的卡盘;2、变换转速时,必须先停车;3、对加工过程中容易产生的问题,及时找出原因,正确指导;4、工、量具的正确使用;一、复习导入:回忆:在进行端面及外圆车削时有哪些注意事项?导新课:以前面所练的车端面、外圆都是为以后车削阶台轴作基础,结合生产生活实践让学生了解台阶轴的应用及相关技术要求。二、车削外螺纹的方法与步骤(讲授)(一)台阶轴加工的技术要求(二)基本操作技术1、车刀的选择和安装;2、车削台阶工件的方法(重点:台阶长度的测量与控制方法);3、容易产生的问题及原因;(三)、车削简单台阶轴;(四)、安全注意事项;三、上机操作演练,巡回指导;四、发现问题集中讲解纠正(1/3左右学生完成时,集中学生分析存在问题及注意事项,对学生工件作质量分析);1五、教师测量,打分;六、打扫卫生、完成实习报告;附:实训图样及操作步骤一、准备工作1、设备:CA6140车床2、工具:卡盘扳手、刀架扳手、加力杆、垫刀片3、刀具:90°硬质合金车刀、45°硬质合金车刀4、材料:Φ40×70圆钢二、操作步骤1、工件的装夹用三爪自定心卡盘夹住坯料一端,伸出长度40~~45㎜。2、车刀的装夹将两把车刀同时装入刀架中(如果垫刀片允许的情况下)3、加工步骤(1)用45°硬质合金车刀车削端面(2)粗车外圆,使直径在36.5~~37之间,长度略小于35mm。(3)粗车刚加工的外圆,使直径在30.5~~31之间,长度略小于15mm。(4)精车外圆直径Φ3635至尺寸要求。(5)精车外圆直径Φ3015至尺寸要求。(6)用45°车刀进行两处倒角。(7)检查质量合格后,取下工件。2

1、当您付费下载文档后,您只拥有了使用权限,并不意味着购买了版权,文档只能用于自身使用,不得用于其他商业用途(如 [转卖]进行直接盈利或[编辑后售卖]进行间接盈利)。
2、本站所有内容均由合作方或网友上传,本站不对文档的完整性、权威性及其观点立场正确性做任何保证或承诺!文档内容仅供研究参考,付费前请自行鉴别。
3、如文档内容存在违规,或者侵犯商业秘密、侵犯著作权等,请点击“违规举报”。

碎片内容

简单台阶轴加工

您可能关注的文档

确认删除?
VIP
微信客服
  • 扫码咨询
会员Q群
  • 会员专属群点击这里加入QQ群
客服邮箱
回到顶部