电脑桌面
添加小米粒文库到电脑桌面
安装后可以在桌面快捷访问

火电厂机组水、汽、油控制标准VIP免费

火电厂机组水、汽、油控制标准_第1页
1/13
火电厂机组水、汽、油控制标准_第2页
2/13
火电厂机组水、汽、油控制标准_第3页
3/13
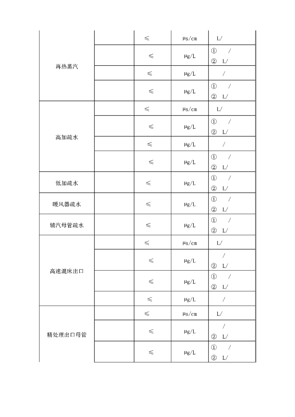
水、汽、油品化学监督控制标准锅炉补给水车间水质系统项目控制指标单位试验方法超滤进水浊度余氯V产水浊度W产水浊度一级反渗透进水土电导率M产水电导率WM产水电导率WM一级反渗透进水电导率M产水电导率WM产水电导率WM进水电导率WMVV产水电导率WMWM产水电导率WMWM除盐水母管电导率WMWMM热力系统水汽质量标准名称项目标准值单位试验方法机组启动水汽质量标准水样名称项目冲洗水回收标准冷态冲洗合格锅炉点火前热态冲洗合格冲转前单位凝结水<除盐或(过滤除盐)<(仅过滤)Mg/L/除氧器出口<除盐或(过滤除盐)<(仅过滤)Mg/L给水MM启动分离器排水<除盐或(过滤除盐)<(仅过滤)MM主蒸汽MMM咼加疏水回收标准MM低加疏水回收标准M运行中汽轮机润滑油(涡轮机油)项目单位标准值试验方法外观透明颜色无异常运动粘度(°C)〜,不超过新油测定值土新涡轮机油项目单位标准值试验方法外观透明颜色无异常运动粘度(°C)开口闪点C酸值()<运行中抗燃油(大湖三芳基磷酸酯抗燃油)项目单位标准值试验方法外观透明颜色桔红,无异常密度(°C)3运动粘度(C)倾点C开口闪点C自燃点C酸值()<新抗燃油项目单位标准值试验方法外观透明,无杂质或悬浮物颜色无色或淡黄密度(°C)3运动粘度(°C)倾点C开口闪点C自燃点C酸值()<水分<颗粒度<运行中变压器绝缘油(io°c绝缘油,旧绝缘油,0)项目单位标准值试验方法外观透明,无沉淀、悬浮物颜色无异常闭口闪点c21界面张力(°C)三酸值()<010水溶性酸水分<1体积电阻率(C)Q・2X10运行中变压器绝缘油(10C绝缘油,旧绝缘油,项目单位标准值试验方法外观透明,无沉淀、悬浮物颜色无异常闭口闪点C界面张力(°C)酸值()水溶性酸三水分体积电阻率(°C)Q・三X新变压器绝缘油项目单位标准值试验方法外观透明,无沉淀、悬浮物颜色无异常闭口闪点C界面张力(°C)酸值()水溶性酸无水分密度(°C)倾点C运行中磨煤机液压油(高压抗磨液压油)项目单位标准值试验方法外观透明机械杂质无颜色无异常水分运动粘度(°C)〜,不超过新油测定值土颗粒度()级新磨煤机液压油运行中风机液压油(涡轮机油)项目单位标准值试验方法外观透明颜色无异常运动粘度(°C)〜,不超过新油测定值土倾点°C开口闪点°C

1、当您付费下载文档后,您只拥有了使用权限,并不意味着购买了版权,文档只能用于自身使用,不得用于其他商业用途(如 [转卖]进行直接盈利或[编辑后售卖]进行间接盈利)。
2、本站所有内容均由合作方或网友上传,本站不对文档的完整性、权威性及其观点立场正确性做任何保证或承诺!文档内容仅供研究参考,付费前请自行鉴别。
3、如文档内容存在违规,或者侵犯商业秘密、侵犯著作权等,请点击“违规举报”。

碎片内容

火电厂机组水、汽、油控制标准

确认删除?
VIP
微信客服
  • 扫码咨询
会员Q群
  • 会员专属群点击这里加入QQ群
客服邮箱
回到顶部