电脑桌面
添加小米粒文库到电脑桌面
安装后可以在桌面快捷访问

10kV电流互感器试验VIP免费

10kV电流互感器试验_第1页
1/45
10kV电流互感器试验_第2页
2/45
10kV电流互感器试验_第3页
3/45
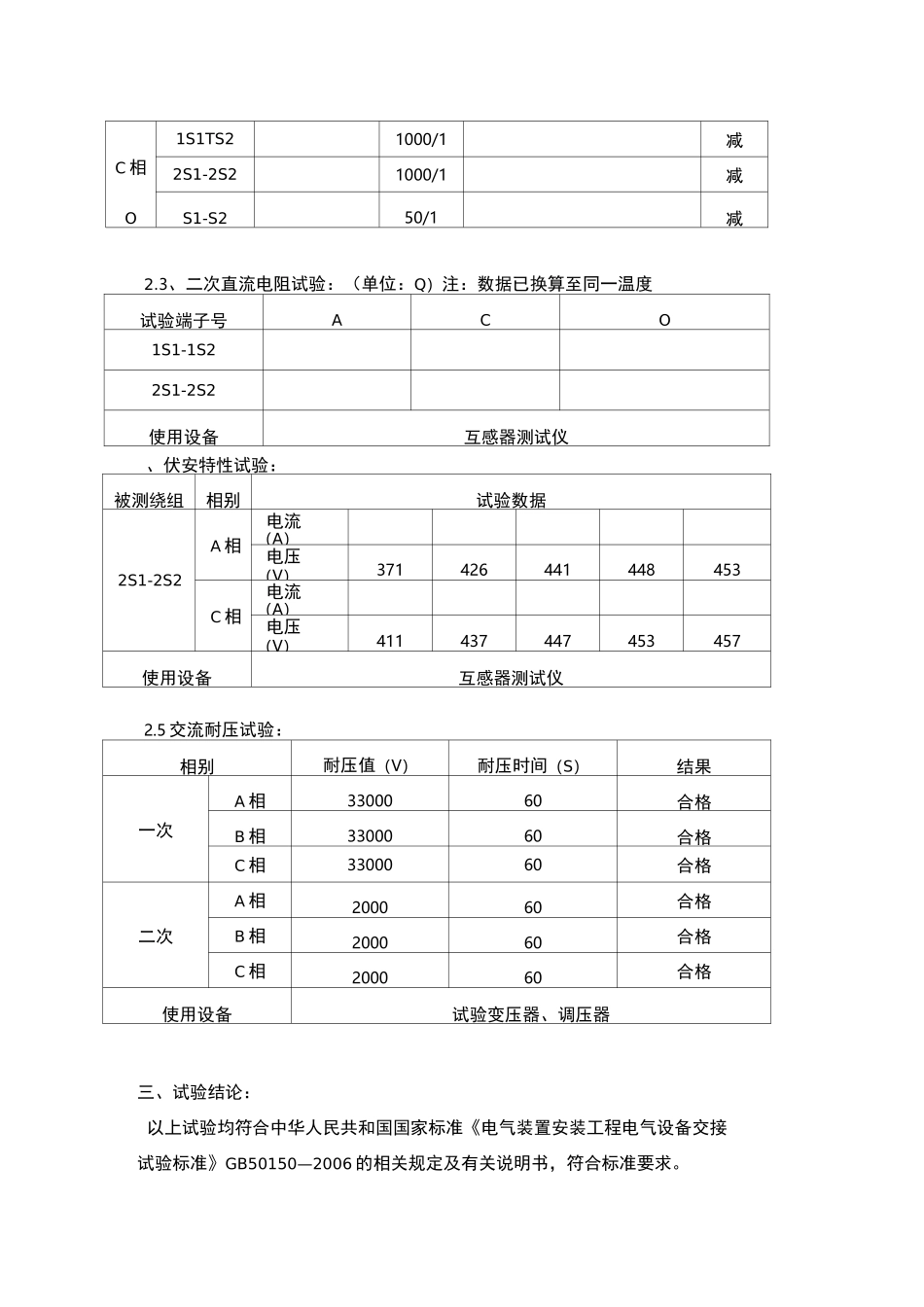
安装位置:+AH415线路备用试验日期:2012年10月19日设备名称:10kV电流互感器温度:22°C湿度:60%一、铭牌型号:LZZBJ9T0A1户内50Hz额定绝缘水平(kV)12/42/75GB1208-2008出现端子标号1S1,1S22S1,2S2额定电流比(A)1000/11000/1额定输出(VA)1515准确等级10P20短时热电联1S21KA额定动稳定电流出厂编号:A:1301253C:1301256零序:型号:LXK-①240频率:50Hz电流比:50/1额定输出:2VA准确等级:10P5出厂日期:2013年1月出厂编号:0351厂家:中国大连第二互感器集团有限公司二、试验数据:、绝缘电阻试验:(单位:MQ)试验端号AC0一次对二次及地8210712060501S-2S353030403300二次对地841083409030使用设备绝缘摇表、变比和极性试验:相别A■山卫1口端子号实测变比值铭牌值实测值与铭牌值的误差(%)极性A相1S1-1S21000/1减2S1-2S21000/1减C相O1S1TS21000/1减2S1-2S21000/1减S1-S250/1减2.3、二次直流电阻试验:(单位:Q)注:数据已换算至同一温度试验端子号ACO1S1-1S22S1-2S2使用设备互感器测试仪、伏安特性试验:被测绕组相别试验数据2S1-2S2A相电流(A)电压(V)371426441448453C相电流(A)电压(V)411437447453457使用设备互感器测试仪2.5交流耐压试验:相别耐压值(V)耐压时间(S)结果一次A相3300060合格B相3300060合格C相3300060合格二次A相200060合格B相200060合格C相200060合格使用设备试验变压器、调压器三、试验结论:以上试验均符合中华人民共和国国家标准《电气装置安装工程电气设备交接试验标准》GB50150—2006的相关规定及有关说明书,符合标准要求。10kV电流互感器试验安装位置:104试验日期:20122#电容器组年10月19日设备名称:10kV电流互感器温度:22°C湿度:60%一、铭牌型号:LZZBJ9T2/185b/4额定绝缘水平:12/42/75kV使用条件:户内额定频率:50Hz短时热电流:2kA/s额定动稳定电流:80kA出线端子标志:1S,1S122S,2S123S,3S12额定电流比:400/5400/5400/5额定输出(VA):151515准确级:级级10p30编号:A相:2B相:3C相:5生产日期:2012年5月厂家:中国大连第一互感器有限责任公司二、试验数据:、绝缘电阻试验:(单位:MQ)试验端号ABC一次对二次及地1210013300102301S-2S、3S4230372049002S-3S453041004650二次对地870093408500使用设备绝缘摇表2.2、变比和极性试验:相别A■山卫1口端子号实测变比值铭牌值实测值与铭牌值的误差(%)极性A相1S1-1S2400/5减2S1-2S2400/5减3S1-3S2400/5减B相1S1-1S2400/5减2S1-2S2400/5减3S1-3S2400/5减C相1S1-1S2400/5减2S1-2S2400/5减3S1-3S280减使用设备互感器测试仪2.3、二次直流电阻试验:(单位:Q)注:数据已换算至同一温度试验端子号ABC三相最大不平衡度(%)1S1-1S22S1-2S23S1-3S2使用设备互感器测试仪2.4、伏安特性试验:被测绕组相别试验数据3S1-3S2A相电流(A)电压(V)B相电流(A)电压(V)C相电流(A)电压(V)使用设备互感器测试仪2.5交流耐压试验:相别耐压值(V)耐压时间(S)结果一次A相3300060合格B相3300060合格C相3300060合格二次A相200060合格B相200060合格C相200060合格使用设备试验变压器、调压器三、试验结论:以上试验均符合中华人民共和国国家标准《电气装置安装工程电气设备交接试验标准》GB50150—2006的相关规定及有关说明书,符合标准要求。安装位置:1051#主变进线试验日期:2012年10月19日设备名称:10kV电流互感器温度:22°C湿度:60%一、铭牌型号:LZZBJ9T2/185b/4使用条件:户内短时热电流:4kA/s出线端子标志:1S,1S12额定电流比:3000/5额定输出(VA):25准确级:10P20编号:A相:2B相:生产日期:2012年5月额定绝缘水平:12/42/75kV额定频率:50Hz额定动稳定电流:80kA2S,2S3S,3S4S,4S1212123000/53000/53000/52510P225253C相:1厂家:中国大连第一互感器有限责任公司10kV电流互感器试验、试验数据:、绝缘电阻试验:(单位:MQ)试验端号ABC一次对二次及地1023012400117801S-2S、3S、4S4320442045202S-3S、4S4720398036803S-4S430039705030二次对地902489007930使用设备绝缘要表2.2、变比和极性试验:相别A■山卫1口端子号实测变比值铭牌值实测值与铭牌值的误差(%...

1、当您付费下载文档后,您只拥有了使用权限,并不意味着购买了版权,文档只能用于自身使用,不得用于其他商业用途(如 [转卖]进行直接盈利或[编辑后售卖]进行间接盈利)。
2、本站所有内容均由合作方或网友上传,本站不对文档的完整性、权威性及其观点立场正确性做任何保证或承诺!文档内容仅供研究参考,付费前请自行鉴别。
3、如文档内容存在违规,或者侵犯商业秘密、侵犯著作权等,请点击“违规举报”。

碎片内容

10kV电流互感器试验

确认删除?
VIP
微信客服
  • 扫码咨询
会员Q群
  • 会员专属群点击这里加入QQ群
客服邮箱
回到顶部