电脑桌面
添加小米粒文库到电脑桌面
安装后可以在桌面快捷访问

4aa-3工序批生产记录VIP专享VIP免费

4aa-3工序批生产记录_第1页
1/5
4aa-3工序批生产记录_第2页
2/5
4aa-3工序批生产记录_第3页
3/5
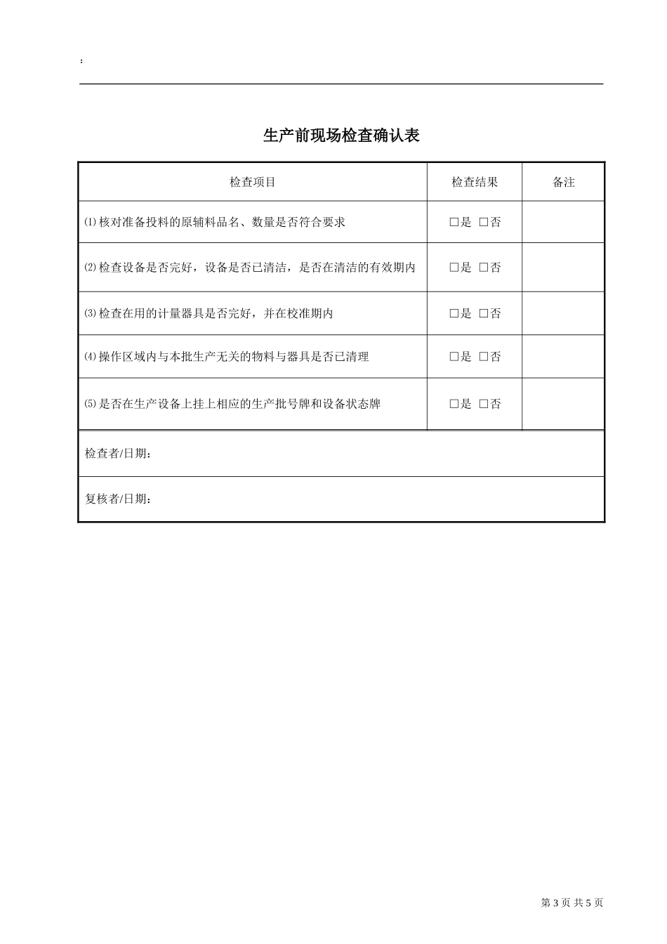
3制备工序批生产记录生产批号:生产日期:本批次经车间主任批准后得以进行生产。车间主任签字:日期:本版本为第一版,已经QA经理批准。QA经理:批准执行日期:公司第1页共5页代号物料名称批号检测依据数量(kg)实际投料量(kg)操作者复核者20321901-2乙酸乙酯溶液CT·20321一批10511N-甲基吗啉CT·1051113210511H1回收N-甲基吗啉CT·10511H110381乙酯CT·1038114120091901-1乙酸乙酯溶液CT·20091500±2010071盐酸CT·1007165±1010121碳酸氢钠CT·1012135±1510391氯化钠CT·1039125010531H1回收甲苯CT·10531H1135工艺产量:370~420kg。操作者/日期:实际产量:kg。车间审核/日期:QA审核/日期:最终处理(结果打“√”):□合格;□不合格;□其它。备注:第2页共5页:生产前现场检查确认表检查项目检查结果备注⑴核对准备投料的原辅料品名、数量是否符合要求□是□否⑵检查设备是否完好,设备是否已清洁,是否在清洁的有效期内□是□否⑶检查在用的计量器具是否完好,并在校准期内□是□否⑷操作区域内与本批生产无关的物料与器具是否已清理□是□否⑸是否在生产设备上挂上相应的生产批号牌和设备状态牌□是□否检查者/日期:复核者/日期:第3页共5页:操作指令时间温度(℃)真空度(MPa)操作者复核者1.1在3000L干燥洁净的低温反应锅()打开氮气保护后(流速0.2~0.4m3/h),加入901-2乙酸乙酯溶液一批(约1800~2000L)。/2.1通氮气下冷却至-15℃,开始滴加132kgN-甲基吗啉,控制温度于-15~-10℃,约40~60分钟滴完。实际滴加N-甲基吗啉kg。//2.2滴毕保温30分钟。/2.3保温毕降温至-25~-20℃。/2.4滴加141kg乙酯,约1.0~1.5小时滴完。实际滴加乙酯kg。/2.5滴毕于-20~-15℃保温50分钟。/2.6保温毕,加入901-1乙酸乙酯溶液500±20kg。实际加901-1乙酸乙酯溶液kg。/2.7加毕于-15~-10℃保温1.0小时。/2.8保温毕将料液转移至5000L保温釜()中,缓慢升温至20℃,于20~30℃保温10小时。记录保温起止及每两小时间隔的参数。开始时间:结束时间:共计时间:小时分//////3.1保温毕,将保温液转至洗涤锅()中。/4.1加入饮用水60kg,搅拌溶解N-甲基吗啉盐酸盐。实际加入饮用水kg。/4.2搅拌20~30分钟。4.3静置20~30分钟。4.4下层N-甲基吗啉盐酸盐水溶液抽至()锅中。5.1上层有机层中加入901-2酸水1000kg,测PH值。5.2加盐酸,调PH值至2,洗涤,弃水层。实际加入盐酸kg。搅拌20~30分钟。静置20~30分钟。6.1有机层中加850kg饱和食盐水,搅拌,再加NaHCO3调PH值至7.5,弃水层。搅拌20~30分钟/静置20~30分钟/6.2将有机层转至脱水锅()中,静置,弃水层,有机层泵至四楼储罐()。/第4页共5页:操作指令时间温度(℃)真空度(MPa)操作者复核者7.1控制蒸馏锅水浴温度35~40℃,真空度≤-0.090MPa,蒸馏至基本无液滴流出后,结束蒸馏。蒸馏过程每两小时记录一次参数。开始时间:结束时间:共计时间:小时分7.2蒸馏毕,残留油状物加入回收甲苯135kg,搅拌冷却至室温。实际用回收甲苯kg。/7.3放至专用贮罐。称量,即得901-3甲苯溶液。901-3甲苯溶液工艺产量:450~510kg。实际产量:kg。记录者:时间:7.0偏差报告:标题:偏差情况:结论:报告者:复核者:日期:第5页共5页

1、当您付费下载文档后,您只拥有了使用权限,并不意味着购买了版权,文档只能用于自身使用,不得用于其他商业用途(如 [转卖]进行直接盈利或[编辑后售卖]进行间接盈利)。
2、本站所有内容均由合作方或网友上传,本站不对文档的完整性、权威性及其观点立场正确性做任何保证或承诺!文档内容仅供研究参考,付费前请自行鉴别。
3、如文档内容存在违规,或者侵犯商业秘密、侵犯著作权等,请点击“违规举报”。

碎片内容

4aa-3工序批生产记录

确认删除?
VIP
微信客服
  • 扫码咨询
会员Q群
  • 会员专属群点击这里加入QQ群
客服邮箱
回到顶部