电脑桌面
添加小米粒文库到电脑桌面
安装后可以在桌面快捷访问

2016年中职汽车技能大赛故障诊断作业表VIP免费

2016年中职汽车技能大赛故障诊断作业表_第1页
1/4
2016年中职汽车技能大赛故障诊断作业表_第2页
2/4
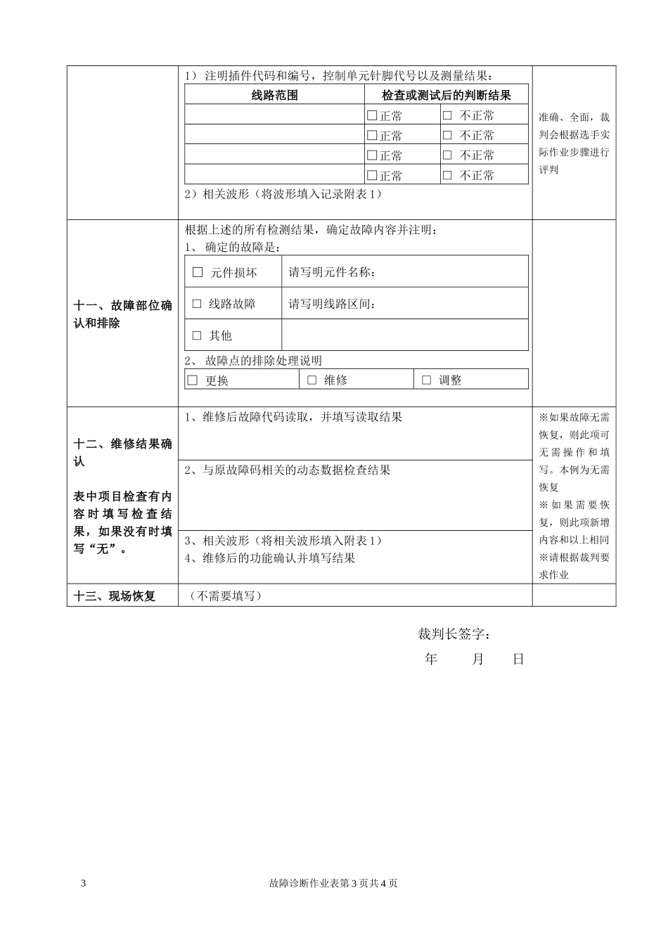
2016年中职汽车技能大赛故障诊断作业表_第3页
3/4
2016年XX市中等职业学校汽车运用与维修技能大赛故障诊断作业记录表选手参赛号选手姓名裁判签字车辆信息整车型号车辆识别代码发动机型号故障描述项目作业记录内容备注一、前期准备(不需要填写)二、安全检查(不需要填写)三、仪器连接(不需要填写)四、故障现象确认确认故障症状并记录症状现象(根据不同故障范围,进行功能检测,并填写检测结果)①发动机故障灯MIL□正常□不正常②发动机启动及运转状况□正常□不正常③其他(如果有)□正常□不正常_______________________※IG-ON能亮,启动后熄灭为正常※启动不顺畅/不能一次启动/运转不稳定/怠速高等只要有问题即应判断为不正常五、故障代码检查□无DTC□有DTC:________六、正确读取数据和清除故障码(当定格数据和动态数据中不存在反应故障码特征的相关数据时,应填写“无”。)1、定格数据记录(只记录故障发生时的数据帧内容)包括:1)基本数据项目数值单位判断如果没有DTC或无定格数据则无需填写故障诊断作业表第1页共4页12)定格数据中除基本数据外的反应故障码特征的相关数据项目数值单位判断2、与故障码特征相关的动态数据记录项目数值单位判断3、清除故障码4、确认故障码是否再次出现,并填写结果□无DTC□有DTC:________七、确定故障范围根据上述检查进行判断并填写可能故障范围。□可能□不可能□可能□不可能□可能□不可能□可能□不可能□可能□不可能□可能□不可能八、基本检查线路/连接器外观及连接情况□正常□不正常零件安装等□正常□不正常※在不做部件拆装的情况所作的外观检查九、部件测试对被怀疑的部件进行部件测试。部件检查或测试后的判断结果□正常□不正常□正常□不正常□正常□不正常□正常□不正常□正常□不正常□正常□不正常※此处填入的是选手检查后的最终判断检查结果,※某些难以在比赛中进行检查的,在选手提出后会由裁判告知是否正常,选手只需填入此表即可十、电路测量对被怀疑的线路进行测量:※检查方式可多样,但需规范、故障诊断作业表第2页共4页21)注明插件代码和编号,控制单元针脚代号以及测量结果:线路范围检查或测试后的判断结果□正常□不正常□正常□不正常□正常□不正常□正常□不正常2)相关波形(将波形填入记录附表1)准确、全面,裁判会根据选手实际作业步骤进行评判十一、故障部位确认和排除根据上述的所有检测结果,确定故障内容并注明:1、确定的故障是:□元件损坏请写明元件名称:□线路故障请写明线路区间:□其他2、故障点的排除处理说明□更换□维修□调整十二、维修结果确认表中项目检查有内容时填写检查结果,如果没有时填写“无”。1、维修后故障代码读取,并填写读取结果※如果故障无需恢复,则此项可无需操作和填写。本例为无需恢复※如果需要恢复,则此项新增内容和以上相同※请根据裁判要求作业2、与原故障码相关的动态数据检查结果3、相关波形(将相关波形填入附表1)4、维修后的功能确认并填写结果十三、现场恢复(不需要填写)裁判长签字:年月日故障诊断作业表第3页共4页3故障诊断作业表第4页共4页附表一:波形检测记录单【维修后】根据故障内容检测相关电路波形。并填写被测元件端口编号,并画出或打印出波形示波器正表笔连接元件端口编号:————————及针脚号:————————示波器负表笔连接部位:————————每格电压:每格时间:4

1、当您付费下载文档后,您只拥有了使用权限,并不意味着购买了版权,文档只能用于自身使用,不得用于其他商业用途(如 [转卖]进行直接盈利或[编辑后售卖]进行间接盈利)。
2、本站所有内容均由合作方或网友上传,本站不对文档的完整性、权威性及其观点立场正确性做任何保证或承诺!文档内容仅供研究参考,付费前请自行鉴别。
3、如文档内容存在违规,或者侵犯商业秘密、侵犯著作权等,请点击“违规举报”。

碎片内容

2016年中职汽车技能大赛故障诊断作业表

您可能关注的文档

确认删除?
VIP
微信客服
  • 扫码咨询
会员Q群
  • 会员专属群点击这里加入QQ群
客服邮箱
回到顶部