电脑桌面
添加小米粒文库到电脑桌面
安装后可以在桌面快捷访问

安徽2005定额说明及计算规则VIP免费

安徽2005定额说明及计算规则_第1页
1/69
安徽2005定额说明及计算规则_第2页
2/69
安徽2005定额说明及计算规则_第3页
3/69
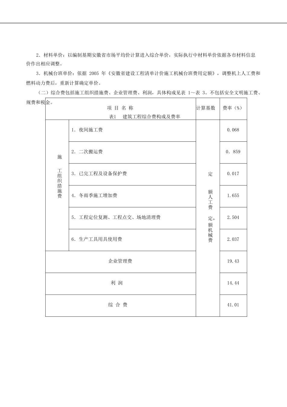
安徽省建筑、装饰装修工程计价定额说明总说明一、为促进建筑业又好又快发展,进一步规范建筑市场工程量清单计价行为,方便快速报价和简化计价过程,根据2005年“安徽省建设工程工程量清单计价依据”和有关规定,编制了“安徽省建筑、装饰装修工程及安装工程(常用册)计价定额综合单价”(以下简称综合单价)。二、本综合单价适用于安徽省境内的工程量清单计价的建筑工程、装饰装修工程及安装工程(常用册)。其中安装工程(常用册)主要包括电气设备安装工程,消防工程,给排水、采暖、燃气工程,通风空调工程,建筑智能化系统设备安装工程,刷油、防腐蚀、绝热工程。三、本综合单价是编制与审核建设工程投资估算、设计概算、施工图预算的指导性依据,是编制与审核招标控制价、界定成本价、调解处理工程造价纠纷和鉴定工程造价的依据,也是企业投标报价和工程结算的参考依据。四、本综合单价编制的原则。遵循“市场形成价格、企业自主报价、政府宏观调控”的工程造价管理原则。综合单价表现形式实行“量”“价”合一,方便使用;项目设置对传统定额项目进行适当综合、调整、合并,力求简明;计量规则和费用计算程序力求简化;价格水平适中,能够充分反映市场。五、本综合单价主要编制依据。1.2005年《安徽省建设工程量清单计价规范》(建筑、装饰装修、安装工程)(DBJ/T-206-2005)。2.2005年《安徽省建筑工程消耗量定额》、《安徽省装饰装修工程消耗量定额》、《安徽省安装工程消耗量定额》。3.2005年《安徽省建设工程清单计价费用定额》、《安徽省建设工程清单计价施工机械台班费用定额》。4.有关标准图集及典型工程案例。六、本综合单价消耗量的确定。(一)人工工日消耗量:人工工日一律以“综合工日”表示,不分工种、技术等级。其内容包括基本用工、超运距用工、辅助用工、人工幅度差。(二)材料消耗量:包括主要材料、辅助材料、零星材料等。凡能计量的材料、成品、半成品均按品种、规格逐一列出数量,并入相应损耗。其损耗内容和范围包括:从工地仓库、现场集中堆放地点或现场加工地点至操作或安装地点的运输损耗、施工操作损耗、施工现场堆放损耗。对于安装工程材料消耗量带有“()”表示为主要材料,其他为辅助材料。难以计量的材料以“其他材料费”或“其他材料费占材料费百分比”表示。(三)施工机械台班消耗量:是按常用机械类型、规格确定的。难以计量的机械台班以“其他机械费”或“其他机械费占机械费百分比”表示。七、本综合单价的组成内容本综合单价的费用构成依据建设部、财政部建标〔2003〕206号文确定。组成综合单价的内容包括人工费、材料费、施工机械使用费(简称机械费)、综合费。(一)人工费、材料费、机械费,包括的具体内容详见建设部、财政部建标〔2003〕206号文。1.人工单价:不分工种、专业均按每综合工日39元进入综合单价。项目名称计算基数费率(%)施工组织措施费1.夜间施工费定额人工费定额机械费0.0682.二次搬运费0.8593.已完工程及设备保护费0.0174.冬雨季施工增加费1.6555.工程定位复测、工程点交、场地清理费2.5046.生产工具用具使用费2.037企业管理费19.43利润14.44综合费41.01+2.材料单价:以编制基期安徽省市场平均价计算进入综合单价,实际执行中材料单价依据各市材料信息价作出相应调整。3.机械台班单价:依据2005年《安徽省建设工程清单计价施工机械台班费用定额》,调整机上人工费和燃料动力费后,重新计算确定单价。(二)综合费包括施工组织措施费、企业管理费、利润,具体构成见表1~表3。不包括安全文明施工费、规费和税金。表1建筑工程综合费构成及费率项目名称计算基数费率(%)施工组织措施费1.夜间施工费定额人工费定额机械费0.0422.二次搬运费0.8083.已完工程及设备保护费0.1274.冬雨季施工增加费1.1715.工程定位复测、工程点交、场地清理费0.5266.生产工具用具使用费1.146企业管理费24.33利润14.35综合费42.5表2装饰装修工程综合费构成及费率表3安装工程(常用册)综合费构成及费率八、本综合单价安全文明施工费、规费、税金本综合单价安全文明施工费、规费、税金不得作为竞争性费用,按以下...

1、当您付费下载文档后,您只拥有了使用权限,并不意味着购买了版权,文档只能用于自身使用,不得用于其他商业用途(如 [转卖]进行直接盈利或[编辑后售卖]进行间接盈利)。
2、本站所有内容均由合作方或网友上传,本站不对文档的完整性、权威性及其观点立场正确性做任何保证或承诺!文档内容仅供研究参考,付费前请自行鉴别。
3、如文档内容存在违规,或者侵犯商业秘密、侵犯著作权等,请点击“违规举报”。

碎片内容

安徽2005定额说明及计算规则

您可能关注的文档

确认删除?
VIP
微信客服
  • 扫码咨询
会员Q群
  • 会员专属群点击这里加入QQ群
客服邮箱
回到顶部