电脑桌面
添加小米粒文库到电脑桌面
安装后可以在桌面快捷访问

xx煤矿永久轨铺设安全技术措施VIP免费

xx煤矿永久轨铺设安全技术措施_第1页
1/7
xx煤矿永久轨铺设安全技术措施_第2页
2/7
xx煤矿永久轨铺设安全技术措施_第3页
3/7
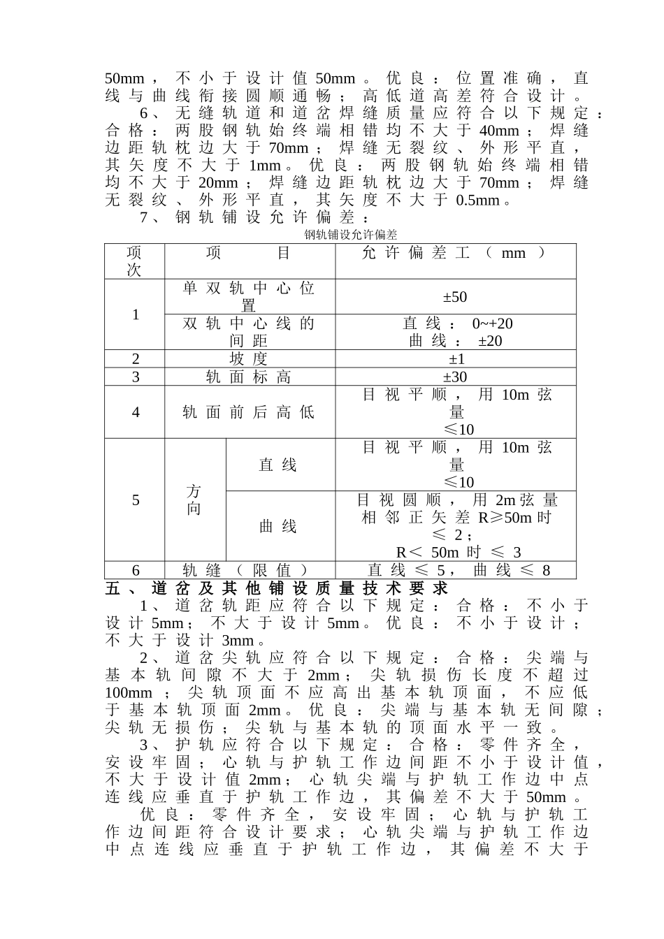
高河矿井井底车场永久轨铺设及底板硬化施工安全技术措施一、工程概况及施工方案现高河煤矿二期工程井底车场及车场交叉点已经施工完毕,已经具备永久铺轨及底板硬化工作,特编制本措施以指导施工。永久轨铺设及底板硬化严格按设计及中腰线施工,严格按照《煤矿井巷工程验收规范》中有关规定执行,严把质量关。二、施工方法及顺序1、施工方法先安排测量人员根据巷道设计方向及坡度放出铺轨巷道的中腰线,再根据设计要求找平巷道底板后,方可按中腰线进行轨道铺设工作。铺轨前必须清理干净道床,并铺30~50mm厚混凝土后,方可铺设轨道,并保证每块枕木下垫实,然后按设计要求进行浇注混凝土硬化底板。2、施工顺序施工考虑尽量减少对各掘进头掘进施工的影响,施工路线分两路,具体如下:副井出车线→东翼辅助大巷水沟侧轨道(包括各交叉点单开道岔及车场渡线道岔)→东翼辅助大巷剩余轨道及道岔副井进车线→西翼辅助运输大巷水沟侧轨道(包括各交叉点单开道岔及车场渡线道岔)→西翼辅助大巷剩余轨道及道岔→消防材料库三、永久轨铺设施工1、找平巷道底板:根据测量人员放铺轨巷道的中腰线,按设计要求把巷道底板找平,清理干净积水、淤泥,并铺设30~50mm厚混凝土。2、永久轨铺设井底车场采用38kg/m钢轨,除道岔外轨枕用12#工字钢,长1500mm,间距700mm,轨距900mm,每套轨枕采用两个固轨器、两个楔子及两个胶点直接卡在轨道上。道岔轨枕采用[20a槽钢加工,间距650mm,轨距900mm,在厂家技术人员指导下施工。直线段永久轨铺设施工严格按中腰线施工,保证轨道平直,轨距600mm。曲线段按曲率半径施工,根据设计要求进行加宽加高。弯道施工先画出弯道大样图,采用液压千斤顶调整弯道。3、道岔铺设:道岔来到现场后在厂家技术人员指导下先组装,检查其规格、类型、质量和曲线半径必须符合设计及规范要求和各加工件齐全可靠,并用红漆编号堆放整齐。下井后铺设严格中腰线施工,保证道岔上面水平。4、浇筑混凝土:轨道及道岔铺设好,经调试并用重车试运行后,经监理和甲方验收后方可浇筑混凝土。混凝土铺底厚度为300mm,强度等级为C20,配比为:水泥:水:砂子:石子=1:0.42:1.22:2.59。混凝土采用JS-40型搅拌机拌制,人工上灰,风动振动棒振捣,连续浇筑。施工时,永久水沟一起砌筑。浇筑时,搅拌机距离视现场情况安装。四、道床及枕木质量技术要求1、道床基底和无碴道床轨枕槽密实,无淤泥,无杂物2、道床基底整平应符合以下规定:合格:1m2范围内凸凹不大于100mm。优良:1m2范围内凸凹不大于50mm。3、道床材料的品种、材质、粒度、强度(C20)必须符合设计要求,不得混入软岩、矿物、木块等杂物。4、混凝土固定道床床面质量应符合以下规定:合格:床面整洁,无明显脱皮、麻面、干缩纹。优良:床面整洁,无脱皮、麻面、干缩纹。5、轨枕、岔枕的材质、规格、强度必须符合设计要求和规范的规定。钢轨的规格、型号必须符合设计要求。五、永久轨铺设质量技术要求1、轨道的轨距(曲线加宽后)应符合以下规定:合格:不小于设计3mm;不大于设计5mm。优良:不小于设计2mm;不大于设计3mm。2、两轨轨面高低差(曲线为加高后)应符合以下规定:合格:直线段不大于5mm;曲线段不小于2mm;不大于5mm。优良:直线段不大于3mm;曲线段不小于2mm;不大于3mm。3、轨道接头的平整度应符合以下规定:合格:接头的高低和内侧错距均不大于2mm。优良:接头的高低和内侧错距均不大于1mm。4、扣件钉连应符合以下规定:合格:道钉或螺栓、压板俯仰歪斜或浮离量大于2mm的不大于10%,且不连续。优良:道钉或螺栓、压板俯仰歪斜或浮离量大于2mm的不大于5%,且不连续。5、甩车场的铺设位置及高低道高差应符合以下规定:合格:位置偏差不超过300mm;直线与曲线衔接圆顺通畅;高低道高差不大于设计值50mm,不小于设计值50mm。优良:位置准确,直线与曲线衔接圆顺通畅;高低道高差符合设计。6、无缝轨道和道岔焊缝质量应符合以下规定:合格:两股钢轨始终端相错均不大于40mm;焊缝边距轨枕边大于70mm;焊缝无裂纹、外形平直,其矢度不大于1mm。优良:两股钢轨始终端相错均不大于20mm;焊缝边距轨枕边大于70mm;焊缝无...

1、当您付费下载文档后,您只拥有了使用权限,并不意味着购买了版权,文档只能用于自身使用,不得用于其他商业用途(如 [转卖]进行直接盈利或[编辑后售卖]进行间接盈利)。
2、本站所有内容均由合作方或网友上传,本站不对文档的完整性、权威性及其观点立场正确性做任何保证或承诺!文档内容仅供研究参考,付费前请自行鉴别。
3、如文档内容存在违规,或者侵犯商业秘密、侵犯著作权等,请点击“违规举报”。

碎片内容

xx煤矿永久轨铺设安全技术措施

金钥匙书屋+ 关注
实名认证
内容提供者

热爱教育事业,爱好互联网行业

确认删除?
VIP
微信客服
  • 扫码咨询
会员Q群
  • 会员专属群点击这里加入QQ群
客服邮箱
回到顶部