电脑桌面
添加小米粒文库到电脑桌面
安装后可以在桌面快捷访问

电化学 综合练习题VIP免费

电化学 综合练习题_第1页
1/10
电化学 综合练习题_第2页
2/10
电化学 综合练习题_第3页
3/10
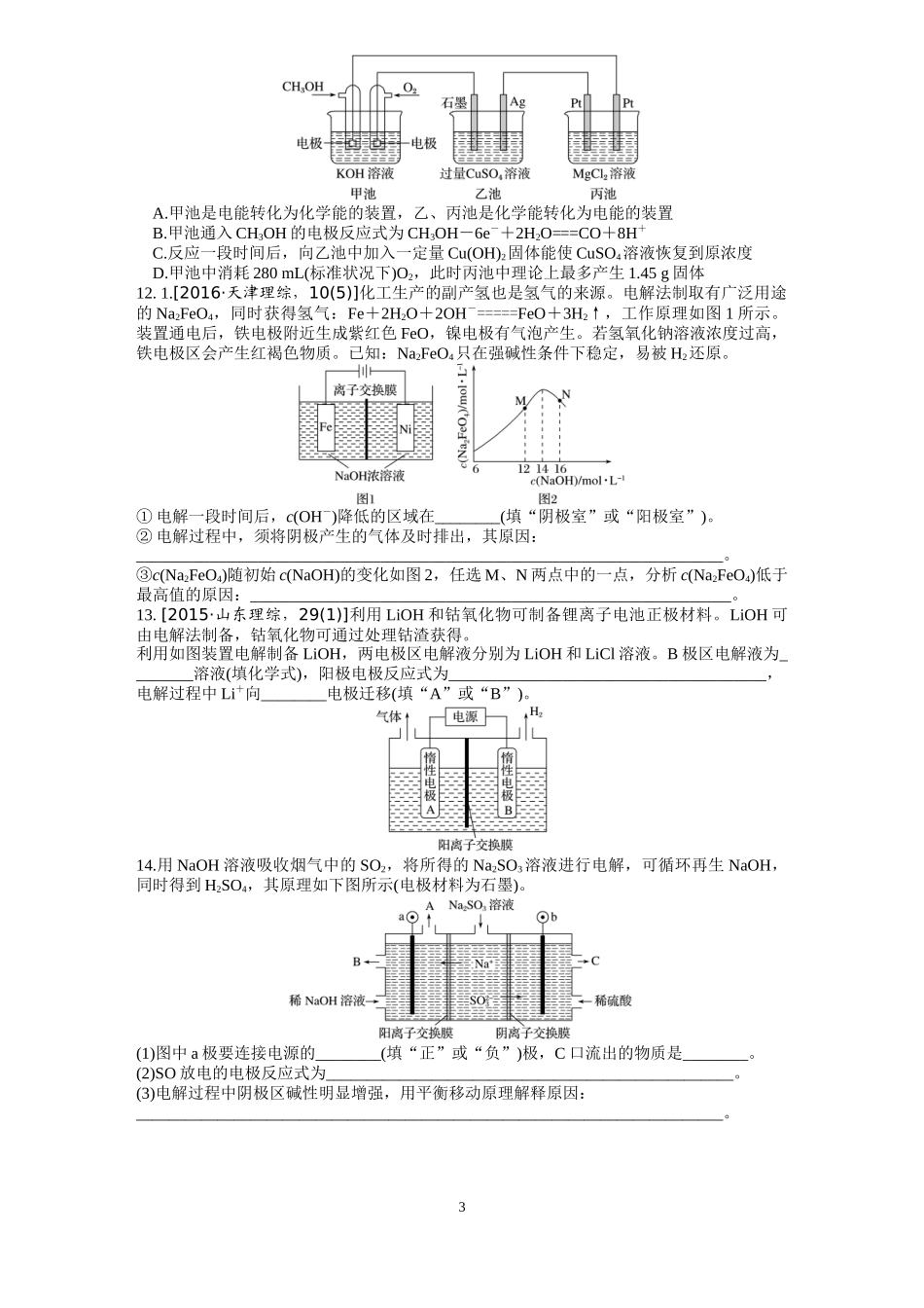
电化学专题检测1.(2016·上海,8)图1是铜锌原电池示意图。图2中,x轴表示实验时流入正极的电子的物质的量,y轴表示()A.铜棒的质量B.c(Zn2+)C.c(H+)D.c(SO)2.(2016·北京理综,12)用石墨电极完成下列电解实验。实验一实验二装置现象a、d处试纸变蓝;b处变红,局部褪色;c处无明显变化两个石墨电极附近有气泡产生;n处有气泡产生……下列对实验现象的解释或推测不合理的是()A.a、d处:2H2O+2e-===H2↑+2OH-B.b处:2Cl--2e-===Cl2↑C.c处发生了反应:Fe-2e-===Fe2+D.根据实验一的原理,实验二中m处能析出铜3.(2016·全国卷Ⅱ,11)Mg-AgCl电池是一种以海水为电解质溶液的水激活电池。下列叙述错误的是()A.负极反应式为Mg-2e-===Mg2+B.正极反应式为Ag++e-===AgC.电池放电时Cl-由正极向负极迁移D.负极会发生副反应Mg+2H2O===Mg(OH)2+H2↑4.(2016·海南,10)某电池以K2FeO4和Zn为电极材料,KOH溶液为电解质溶液。下列说法正确的是()A.Zn为电池的负极B.正极反应式为2FeO+10H++6e-===Fe2O3+5H2OC.该电池放电过程中电解质溶液浓度不变D.电池工作时OH-向正极迁移5.(2016·浙江理综,11)金属(M)-空气电池(如图)具有原料易得、能量密度高等优点,有望成为新能源汽车和移动设备的电源。该类电池放电的总反应方程式为4M+nO2+2nH2O===4M(OH)n。已知:电池的“理论比能量”指单位质量的电极材料理论上能释放出的最大电能。下列说法不正确的是()A.采用多孔电极的目的是提高电极与电解质溶液的接触面积,并有利于氧气扩散至电极表面B.比较Mg、Al、Zn三种金属-空气电池,Al-空气电池的理论比能量最高C.M-空气电池放电过程的正极反应式:4Mn++nO2+2nH2O+4ne-===4M(OH)nD.在Mg-空气电池中,为防止负极区沉积Mg(OH)2,宜采用中性电解质及阳离子交换膜6.下列说法中,不正确的是()ABCD钢铁表面水膜的酸性钢铁表面水膜的酸性将锌板换成铜板对钢闸门作为阴极而1很弱或呈中性,发生吸氧腐蚀较强,发生析氢腐蚀钢闸门保护效果更好受到保护7.有关下列四个常用电化学装置的叙述中,正确的是()Ⅰ.碱性锌锰电池Ⅱ.铅—硫酸蓄电池Ⅲ.铜锌原电池Ⅳ.银锌纽扣电池A.Ⅰ所示电池工作中,MnO2的作用是催化剂B.Ⅱ所示电池放电过程中,硫酸浓度不断增大C.Ⅲ所示电池工作过程中,盐桥中K+移向硫酸锌溶液D.Ⅳ所示电池放电过程中,Ag2O是氧化剂,电池工作过程中还原为Ag8.镁电池放电时电压高而平稳,成为人们研制的绿色电池。一种镁电池的反应式为xMg+Mo3S4MgxMo3S4,下列说法中正确的是()A.充电时MgxMo3S4只发生还原反应B.放电时Mo3S4只发生氧化反应C.充电时阳极反应式为Mo3S-2xe-===Mo3S4D.放电时负极反应式为xMg+2xe-===xMg2+9.电浮选凝聚法是工业上采用的一种污水处理方法,即保持污水的pH在5.0~6.0之间,通过电解生成Fe(OH)3胶体,Fe(OH)3胶体具有吸附作用,可吸附水中的污物而使其沉淀下来,起到净水的作用,其原理如图所示。下列说法正确的是()A.石墨电极上发生氧化反应B.为增强污水的导电能力,可向污水中加入适量乙醇C.根据图示,物质A为CO2D.甲烷燃料电池中CO向空气一极移动10.采用电化学法还原CO2是一种使CO2资源化的方法,下图是利用此法制备ZnC2O4的示意图(电解液不参与反应)。下列说法正确的是()A.Zn与电源的负极相连B.ZnC2O4在交换膜右侧生成C.电解的总反应:2CO2+Zn=====ZnC2O4D.通入11.2LCO2时,转移0.5mol电子11.如下图所示,其中甲池的总反应式为2CH3OH+3O2+4KOH===2K2CO3+6H2O。下列说法正确的是()2A.甲池是电能转化为化学能的装置,乙、丙池是化学能转化为电能的装置B.甲池通入CH3OH的电极反应式为CH3OH-6e-+2H2O===CO+8H+C.反应一段时间后,向乙池中加入一定量Cu(OH)2固体能使CuSO4溶液恢复到原浓度D.甲池中消耗280mL(标准状况下)O2,此时丙池中理论上最多产生1.45g固体12.1.[2016·天津理综,10(5)]化工生产的副产氢也是氢气的来源。电解法制取有广泛用途的Na2FeO4,同时获得氢气:Fe+2H2O+2OH-=====FeO+3H2↑,工作原理如图1所示。装置通电后,铁电极附近生成紫红色FeO,镍电极有气泡产生。若氢氧化钠溶液浓度过高,铁电极区会产...

1、当您付费下载文档后,您只拥有了使用权限,并不意味着购买了版权,文档只能用于自身使用,不得用于其他商业用途(如 [转卖]进行直接盈利或[编辑后售卖]进行间接盈利)。
2、本站所有内容均由合作方或网友上传,本站不对文档的完整性、权威性及其观点立场正确性做任何保证或承诺!文档内容仅供研究参考,付费前请自行鉴别。
3、如文档内容存在违规,或者侵犯商业秘密、侵犯著作权等,请点击“违规举报”。

碎片内容

电化学 综合练习题

您可能关注的文档

确认删除?
VIP
微信客服
  • 扫码咨询
会员Q群
  • 会员专属群点击这里加入QQ群
客服邮箱
回到顶部